Table des matières
Autres manuels Heath Accessoires
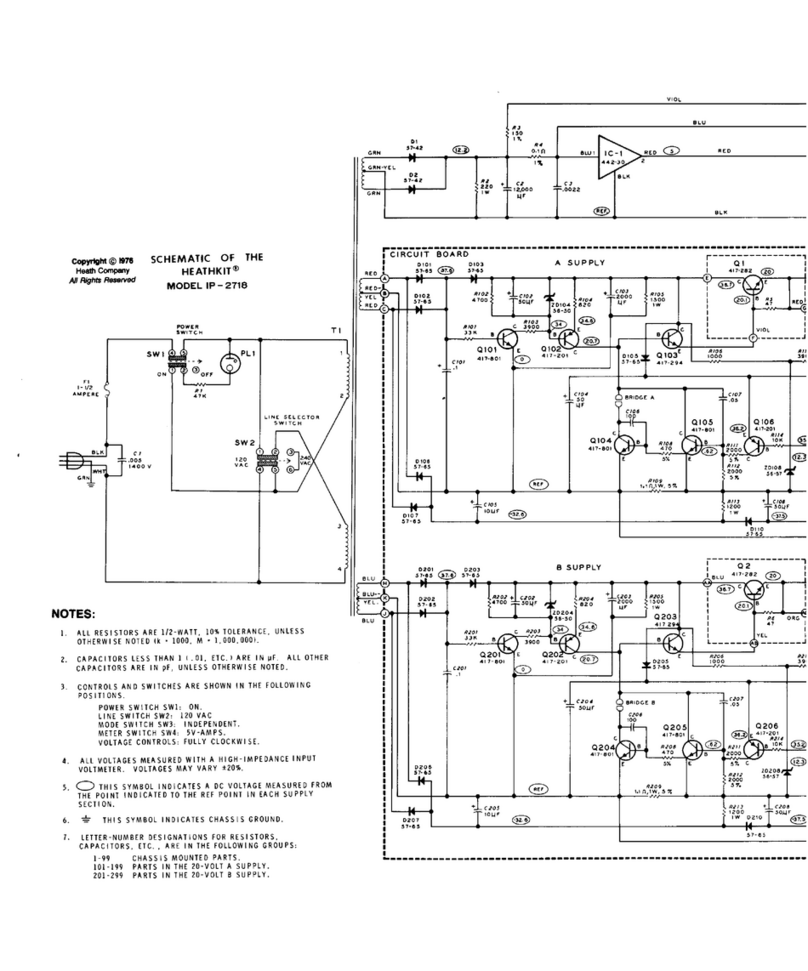
Heath
Heath Heathkit IP-2718 Guide de démarrage rapide
Heath Heathkit SB-644A Guide de démarrage rapide
Heath Heathkit ETW-3567 Manuel utilisateur
Heath Heathkit CS-1 Manuel utilisateur
Heath Zenith Manuel utilisateur
Hillco
Hillco 2810 Manuel utilisateur
Siemens
Siemens QSA2700D Manuel de l'opérateur
Contours
Contours ZY024 Manuel utilisateur
Saivod
Saivod VS621 Manuel utilisateur
Virtuox
Virtuox VirtuCLEAN 2.0 Manuel utilisateur
SCE
SCE ENVIRO-THERM SCE-TE170B24VSS Manuel utilisateur
Z-Wave
Z-Wave HSD-200Z Manuel utilisateur
turck
turck FMX-IM-2UPLI63FX Manuel utilisateur
Decagon Devices
Decagon Devices 10HS Manuel utilisateur
UPPAbaby
UPPAbaby Cup Holder Manuel utilisateur
Elko
Elko SmartSensor Leakage Wireless Manuel utilisateur
Grizzly
Grizzly H8371 Manuel utilisateur
Panasonic
Panasonic HG-T Series Manuel utilisateur
IFM Electronic
IFM Electronic Efector 250 Series Guide de référence
DigiDesign
DigiDesign 888/24 I/O Manuel utilisateur
PROZIS
PROZIS QUAY Manuel utilisateur
patagonia
patagonia PSI Vest Manuel utilisateur
SFC Energy
SFC Energy EFOY GO! Manuel utilisateur