
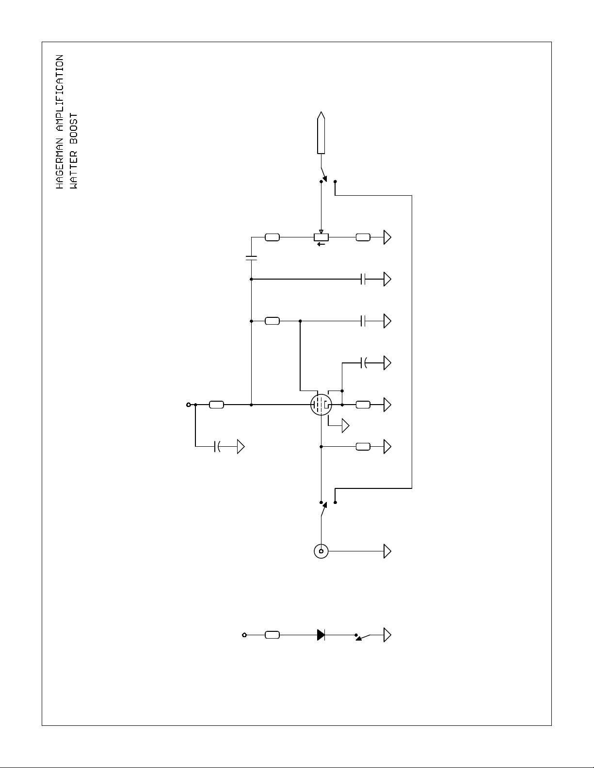
ONE WATTER – Tube Pedal Amplifier
2
Copyrights & Trademarks
Copyright Hagerman Amplification 2021. All rights reserved. No part of this document
may e photocopied, reproduced, or translated to another language without prior
written consent.
Disclaimer
The information contained in this document is su ject to change without notice.
Hagerman Amplification shall not e lia le for errors contained herein or for
consequential damages in connection with the furnishing, performance, or use of this
material.
Warranty
Hagerman Amplification warrants this product free of defects in materials and
workmanship for a period of 10 years (90 days tu es and footswitch). If you discover a
defect, Hagerman Amplification will, at its option, repair or replace the product at no
charge to you provided you return it during the warranty period, transportation charges
prepaid to Hagerman Amplification. This warranty does not apply if the product has
een damaged y negligence, accident, a use or misuse or misapplication, has een
damaged ecause it has een improperly connected to other equipment or has een
modified without the express written permission of Hagerman Amplification. This
warranty is limited to the replacement or repair of this product and not to damage to
equipment of other manufacturers. Any applica le implied warranties, including
warranty of merchanta ility, are limited in duration to a period of the express warranty
as provided herein eginning with the original date of purchase and no warranties,
whether express or implied shall apply to the product thereafter. Under no
circumstances shall Hagerman Amplification e lia le for any loss, direct, indirect,
incidental, special, or consequential damage arising out of or in connection with the use
of this product.
Hagerman Amplification
PO Box 61911
Honolulu, HI 96839
808-383-2704
www.hagamps.com