
EG010
6LE002375A
EG010
Function
The EG010 is a programmable time switch for
the automatic control of electrical loads.
The clock contains 5 pre-programmed (user
adjustable) time periods, based on one, two or
three switchings per day.
The front cover is sealable preventing
unauthorised access after completion of
programming.
Presentation :
Display :
time
output contact (ON or OFF)
program selected
Buttons :
“P” to select the program to apply
to scroll program steps
“reset”
“+” and “-” : change settings
Time setting
Press key “+” or “-”.
A continuous pressure on this key will scroll up
or down minutes and then hours.
Programming
1. select one of the programs described
below.
2. modify switching time, if necessary.
3. the program selected will be applied on a
daily basis.
To modify a program
1. select with key “P” the program to modify.
2. scroll program steps with the key .
3. modify the switching time with keys “+” or “-”.
4. press key , to display the next program
step and modify it, if necessary.
5. press “P” to confirm all modifications are complete
and switch back to automatic mode.
6. a small mark (*) appears next to the program
number, to indicate that the program has been
modified.
To override the circuit ON or OFF
Press “P” and select P0 to override the circuit OFF.
Press “P” and select P1 to override the circuit ON.
To switch back to automatic mode, press key “P”
and select the program applied previously (P2, P3
or P4).
For example :
Control an electrical equipment with program P3.
1. press key “P”
until «P3» is displayed.
2. if the pre-programmed switching time meets your
requirements, then programming is complete.
P0
P1
P2
P3
P4 6.00 8.00 11.00 13.00 17.00 23.00
6.00 8.00 17.00 23.00
6.00 23.00
ON
OFF
PProg
Example :
You have selected the program P3, but you want to
switch on the electrical equipment at 16h45 instead
of 17h00.
1. press key “P”
to select the program P3.
2. press
until display «17:00».
3. press “-”
until display «16:45».
4. press “P” to confirm and switch
back to automatic mode.
Technical specifications
Electrical characteristics
- supply voltage 230V쓒+10%/-15% 50/60Hz
240V~ +/-6% 50/60Hz
- power consumption = 1 VA
- output 1 changeover contact
µ 16A - 230V쓒AC1
µ 3A - 230V쓒cos φ= 0,6
- protection degree IP20
- insulation class II
- maximum operating height 2000m
- rated impulse voltage 4 kV
- upstream circuit breaker 16 A
- voltage and current declared for the needs of
EMC emissions tests 230Vv/ 0,5 A
- size 10(17,5 mm)
Functional characteristics
- accuracy ±1min / day at 20 °C
- operating reserve
lithium battery total of three years
- action type 1B
- pollution category 2
- software structure class A
Environment
- operating temperature -10 to +50°C
- storage temperature -10 to +60°C
Connection tunnel terminals
- flexible 0.5 to 2.5 mm2
- rigid 0.5 to 4 mm2
Independent panel-mounted (DIN rail) control
device
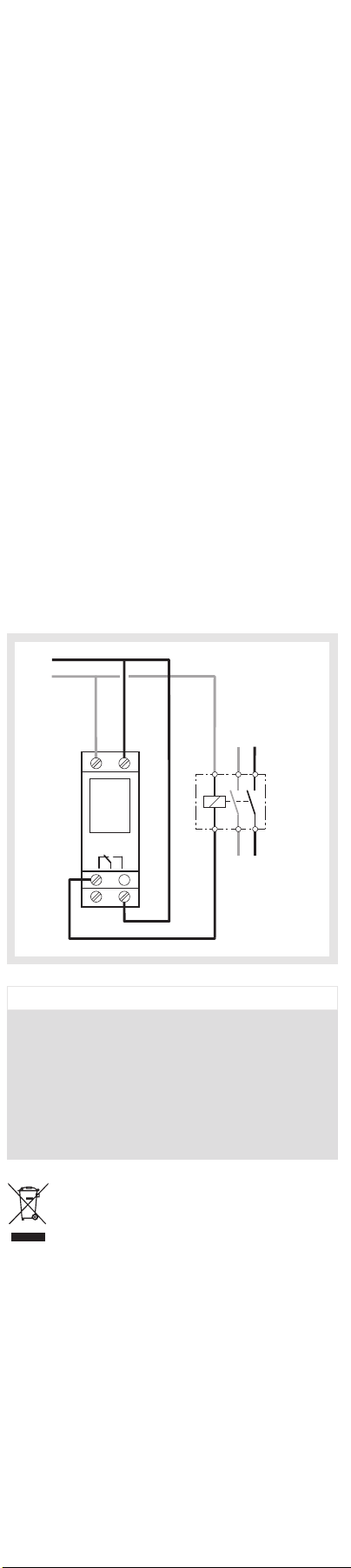
Electrical connections
Toepassingen
Met de programmaklok EG010 kunnen
electrische apparatuur en/of stroomkringen
dagelijks worden in- en uitgeschakeld.
De programmaklok heeft 5 verschillende
programma’s.
De schakeltijden van deze programma’s
kunnen naar keuze worden aangepast.
De programmaklok kan worden verzegeld.
Productbeschrijving
Het display:
tijd-aanduiding
indicatie schakelstand (ON/OFF)
ingesteld programma
De functietoetsen:
“P” keuze van het programma
uitlezen van programmastappen.
“reset”: nulinstelling van de programmaklok
“+” en “-”: aanpassen van de uurinstelling
en schakeltijd
Tijdinstelling
De tijd kan worden ingesteld met behulp van
de functietoetsen “+” en “-”.
De functietoets indrukken, totdat de juiste tijd
wordt weergegeven.
Het programmeren
1. keuze van het programma (zie onderstaand
schema).
2. aanpassen van de schakeltijden, indien
nodig.
3. vastleggen van het gekozen programma.
Aanpassen van een programma
1. functietoets “P” indrukken tot het programma-
nummer verschijnt, welke moet worden aangepast.
2. met behulp van toets kunnen de ingestelde
programmastappen worden uitgelezen..
3. aanpassing van de aangegeven schakeltijd door
de functietoetsen “+” en “-” in te drukken.
4. voor het uitlezen van de volgende programmastap
dient de functietoets , opnieuw te worden
ingedrukt.
5. vastleggen van de aanpassingen d.m.v. indrukken
van functietoets “P”.
6. naast het programmanummer verschijnt een ster
(*), ter indicatie, dat het programma wordt
aangepast.
Handbediening
Om de uitgang van de programmaklok continu
in te schakelen, kiest u met functietoets “P”
het programma P1.
Om de uitgang van de programmaklok continu
uit te schakelen, kiest u met functietoets “P”
het programma P0.
Voor terugkeer naar de ingestelde schakeltijden,
kiest u één van de programma’s: P2, P3 of P4.
Voorbeeld van programmeren:
Programmakeuze P3.
1. functietoets “P”
indrukken tot «P3» op het display
verschijnt.
2. indien de vooringestelde programmatijden niet
behoeven te worden gewijzigd, is het programma
vastgelegd.
P0
P1
P2
P3
P46.00 8.00 11.00 13.00 17.00 23.00
6.00 8.00 17.00 23.00
6.00 23.00
ON
OFF
PProg
Voorbeeld tijd-aanpassing:
Programmanummer P3.
Een toestel dient om 16.45 uur te worden inge-
schakeld, in plaats van de ingestelde tijd 17.00 uur.
1. met functietoets “P”
het programma P3 kiezen.
2. functietoets indrukken
tot de inschakeltijd «17:00»
verschijnt.
3. functietoets “-”
indrukken tot «16:45» als
inschakeltijd op het
display verschijnt.
4. functietoets “P” indrukken voor het
vastleggen van de aanpassingen.
Technische specificaties
Electrische gegevens
- voedingsspanning
230V쓒+10%/-15% 50/60Hz
240V~ +/-6% 50/60Hz
- eigen verbruik 1 VA
- uitgang 1 wisselcontact
µ 16A - 230V쓒AC1
µ 3A - 230V쓒cos φ= 0,6
- beschermingsgraad IP20
- maximale gebruikshoogte 2000 m
- toegekende stootspanning 4 kV
- stroomopwaartse vermogenschakelaar 16 A
- aangegeven spanning en stroom voor de
behoeften van de EMC-emissietest
230Vv/ 0,5 A
- afmetingen 10(17,5 mm)
Functie gegevens
- nauwkeurigheid ±1min. / 24 uur bij 20 °C
- gangreserve met behulp van Lithiumcel
ca 3 jaar
- actietype 1B
- vervuilingsgraad 2
- programmastructuur klasse A
Omgevingstemperaturen
- bedrijfstemperatuur -10 tot +50°C
- opslagtemperatuur -10 tot +60°C
Aansluiting
- meerdradig 0,5 tot 2,5 mm2
- massief 0,5 tot 4 mm2
Besturingshulpmiddel met onafhankelijke mon-
tage voor montage op paneel (DIN-lijst)
Aansluitschema
Resetten van de programmaklok:
Met behulp van de “reset”-toets kunnen
de ingegeven programma-aanpassingen onge-
daan worden gemaakt.
De inschakeltijden van de programma’s P2, P3 en P4
kunnen onafhankelijk van elkaar worden aangepast.
Te gebruiken in geheel Europa åen in Zwitzerland
Usable in all Europe
å
and in Switzerland
To check your settings
Press repeatedly key , to display program steps
: switching time and circuit status
(ON or OFF).
To switch back to automatic mode press key
“P”.
To reset the time switch
Press the “reset” button. This will cancel all modifi-
cations made on pre-programmed
settings.
z1channel time switch - daily cycle •1-kanaals programmaklok
Controle (uitlezen) van de
programmering
Met behulp van de functietoets kunnen
de ingestelde programmastappen worden uitgelezen.
4 6LE002375A3 Hager Controls S.A.S., 33 rue Saint-Nicolas, B.P. 10140, 67703 SAVERNE CEDEX, France - www.hager.com Hager 09.16
This device must be installed only by
aqualified electrician according to the
installation standards in force in the
country.
Het toestel mag alleen door een
elektroinstallateur worden geïnstalleerd
volgens de installatienormen die van
toepassing zijn in het land.
24 maanden tegen elk materiaal- of fabricagegebrek, en dit
vanaf de fabricagedatum. In geval van defect moet het
product aan uw distributeur overhandigd worden. De waarborg
is enkel geldig indien de procedure van terugzending installa-
teur/distributeur eerbiedigd wordt en indien na onderzoek door
onze controledienst geen enkel gebrek vastgesteld werd
wegens het verkeerd in werking stellen en/of het niet gebruiken
volgens de regels van de kunst. Eventuele opmerkingen
betreffende het gebrek moeten het product begeleiden.
•Waarborg
A warranty period of 24 months is offered on hager
products, from date of manufacture, relating to any material
of manufacturing defect. If any product is found to be
defective it must be returned via the installer and supplier
(wholesaler). The warranty is withdrawn if:
- after inspection by hager quality control dept the device is
found to have been installed in a manner which is contrary
to IEE wiring regulations and accepted practice within the
industry at the time of installation.
- The procedure for the return of goods has not been
followed. Explanation of defect must be included when
returning goods.
zWarranty
NOT APPLICABLE FOR AUSTRALIA
Correcte verwijdering van dit product (elektrische &
elektronische afvalapparatuur).
Dit merkteken op het product of het bijbehorende infor-
matiemateriaal duidt erop dat het niet met ander hui-
shoudelijk afval verwijderd moet worden aan het einde van zijn
gebruiksduur. Om mogelijke schade aan het milieu of de men-
selijke gezondheid door ongecontroleerde afvalverwijdering te
voorkomen, moet u dit product van andere soorten afval schei-
den en op een verantwoorde manier recyclen, zodat het duur-
zame hergebruik van materiaalbronnen wordt bevorderd.
Huishoudelijke gebruikers moeten contact opnemen met de
winkel waar ze dit product hebben gekocht of met de gemeente
waar ze wonen om te vernemen waar en hoe ze dit product
milieuvriendelijk kunnen laten recyclen.
Zakelijke gebruikers moeten contact opnemen met hun leveran-
cier en de algemene voorwaarden van de koopovereenkomsten
nalezen. Dit product moet niet worden gemengd met ander bedrijfsa-
val voor verwijdering.
Correct Disposal of This product (Waste Electrical &
Electronic Equipment).
(Applicable in the European Union and other
European countries with separate collection sys-
tems).
This marking shown on the product or its literature indicates
that it hould not be disposed with other household wasted at
the end of its working life. To prevent possible harm to the envi-
ronment or human health from uncontrolled waste disposal,
please separate this from other types of wastes and recycle it
responsibly to promote the sustainable reuse of material
resources.
Household users should contact either the retailer where they
purchased this product, or their local government office, for
details of where and how they can take this item for environ-
mentally safe recycling.
Business users should contact their supplier and check the
terms and conditions of the purchase contract. This product
should not be mixed with other commercial wastes of disposal.