
5
0[0] 0.1[.02] 0.16[.04] 0.2[.05] 0.3[.07] 0.4[.10] 0.5[.12] 0.6[.15] 0.7[.17] 0.8[.20]
SCFM
Watts
SCFM
Watts
SCFM
Watts
SCFM
Watts
SCFM
Watts
External Static Pressure-Inches W.C.[kPa]
SCFM(Watts)
Tap(2)
Tap(1)
Motor
Speed
Tap(5)
Tap(4)
24
36
Tap(3)
-Factory
Model
Number
SCFM
Watts
SCFM
Watts
SCFM
Watts
SCFM
Watts
SCFM
Watts
Tap(2)
Tap(1)
Tap(5)
Tap(4)
Tap(3)
-Factory
1016 955 924 914 870 827 790 741 691 657
138.8 146.1 155.8 157.1 164.9 174.1 184.8 194.9 201.4 209.2
955 892 863 853 804 768 729 671 630 ---
118.1 124.7 134.2 135.4 141.6 151.9 161.8 168.6 178.4 ---
927 829 791 789 739 701 643 597 --- ---
109.0 104.6 111.7 114.9 120.5 130.6 136.5 146.6 --- ---
887 766 683 671 631 567 522 465 --- ---
97.3 87.1 82.4 83.3 93.0 98.6 107.5 111.7 --- ---
829 698 589 547 366 347 277 234 --- ---
80.5 71.1 63.2 59.5 53.8 60.3 64.1 72.1 --- ---
1532 1471 1428 1386 1372 1327 1271 1210 1159 1101
233 247 262.1 265.6 269.6 274.8 281.2 290.4 298.1 310.3
1408 1343 1297 1265 1246 1197 1141 1073 1015 880
197.1 209.2 213.7 219.3 221.9 227.2 238.3 245.2 255.9 273.1
1326 1230 1174 1151 1107 1024 896 828 807 726
147.9 164.6 172.2 175.4 183 189.7 201.8 216.9 221.1 224.9
1236 1175 1100 1075 1029 963 835 736 661 582
124.3 130.1 133.1 136.9 142.1 145.7 156.5 167.9 176.4 186.7
1182 1141 1020 995 944 818 648 553 461 363
123.9 112.4 105.1 103.2 106.5 112.1 123.5 129.1 139.6 148.9
SCFM
Watts
SCFM
Watts
SCFM
Watts
SCFM
Watts
SCFM
Watts
Tap(2)
Tap(1)
Tap(5)
Tap(4)
48
60
Tap(3)
-Factory
SCFM
Watts
SCFM
Watts
SCFM
Watts
SCFM
Watts
SCFM
Watts
Tap(2)
Tap(3)
Tap(1)
Tap(5)
Tap(4)
-Factory
2032 1985 1948 1935 1901 1854 1810 1761 1711 1656
431.2 449.2 446.3 461.6 481.1 495.6 509.5 523.1 537.2 551.4
1769 1716 1682 1668 1630 1583 1535 1479 1423 1381
296.2 310.5 324.3 328.1 338.8 353.3 367.3 318.1 396.4 409.1
1516 1470 1427 1413 1378 1307 1252 1198 1147 1030
193.1 209.7 221.6 223.1 235.3 248.9 263.2 276.6 290.1 314.1
1375 1258 1197 1179 1155 1139 1074 1020 964 896
150.8 145.8 148.5 158.3 168.9 170.2 183.6 195.8 212.8 224.9
1337 1195 1165 1044 984 965 904 786 731 697
139 128.2 123.8 122.4 131.9 133.6 144.7 160.7 171.5 177.8
1375 1258 1227 1199 1155 1139 1074 1020 964 896
150.8 145.8 148.5 158.3 168.9 170.2 183.6 195.8 212.8 224.9
1337 1205 1165 1044 984 965 904 786 731 697
139 128.2 123.8 122.4 131.9 133.6 144.7 160.7 171.5 177.8
2028 1982 1938 1928 1895 1852 1804 1759 1709 1654
444.8 462.7 479.3 485.6 494.2 508.4 521.6 535.1 549.8 558.9
1773 1726 1678 1661 1631 1584 1534 1480 1432 1381
305.1 320.8 334.3 338.7 350.7 364.2 378.2 392.6 404.7 410.9
1528 1473 1421 1408 1382 1317 1266 1201 1148 1072
205.1 218.9 232.1 235.3 243.1 258.6 271.2 279.3 290.1 305.8
--- Shaded boxes represent airflow outside the required 300-450 cfm/ton.
Airflow performance data is based on cooling performance with a coil and no filter in place. Select performance table for appropriate unit size
external static applied to unit allows operation within the minimum and maximum limits shown in table below for both cooling and electric heat
operation.
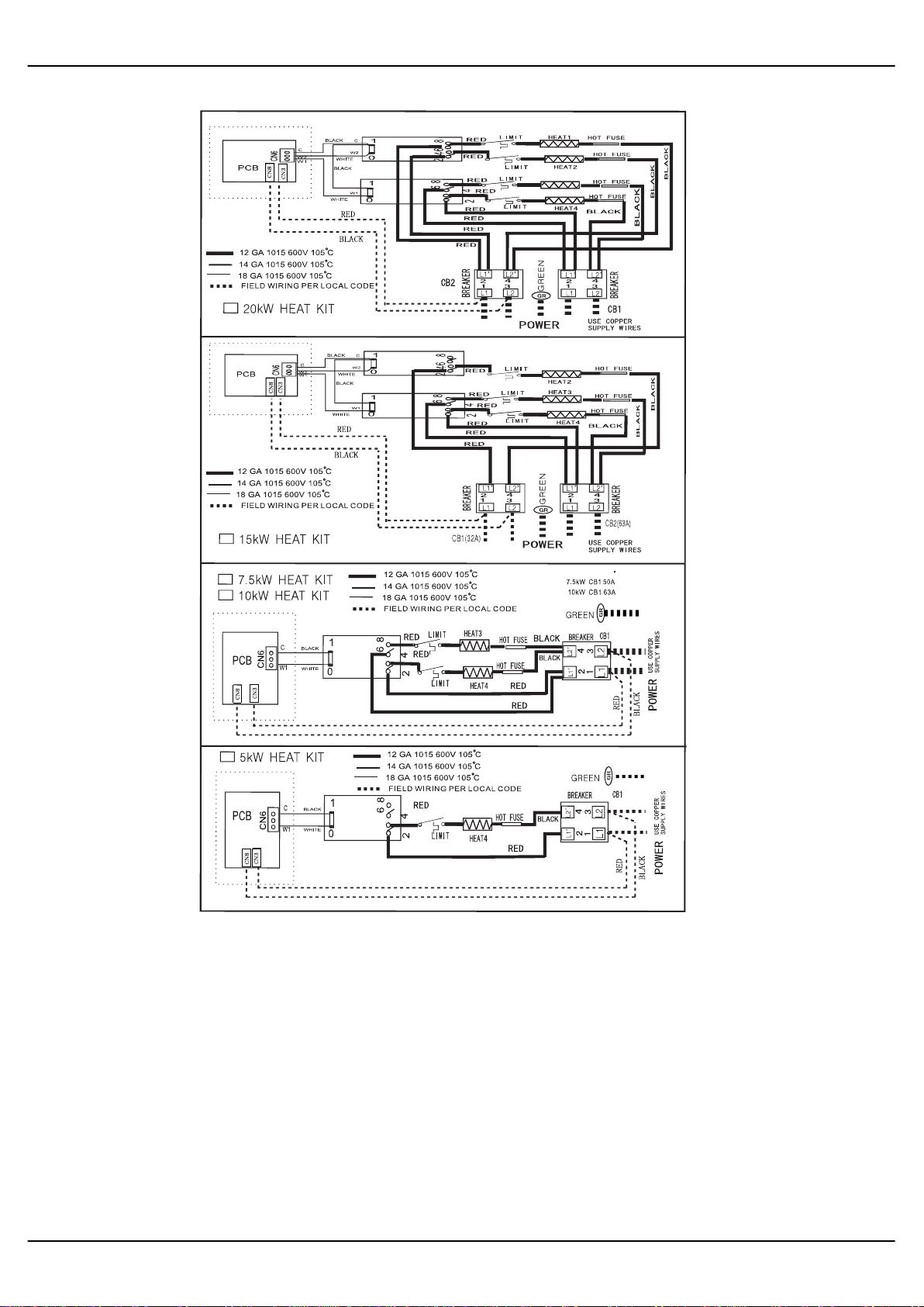
Blower Data
NOTES: Airflow based upon cooling coil at 230V with no electric heat and no filter. Airflow at 208V is approximately the same as 230V
because the mult-tap ECM motor is a constant torque motor. The torque doesn’t drop off at the speeds in which the motor operates.
Airflow Performance