Gemu 1225 Manuel utilisateur

ORIGINALBETRIEBSANLEITUNG
OPERATING INSTRUCTIONS
Elektrische Stellungsanzeige
Electrical Position Indicator
1225
GB
DE
1225

AUFBAU
1 Geräteaufbau und Einstellvorschrift.
1.1 Die elektrische Stellungsanzeige besteht aus zwei gleichen Gehäuseteilen.
Sie werden von zwei seitlich lösbaren Schraubdeckeln zusammengehalten.
Über die vier in den Ecken angebrachten Schraubenlöcher kann die Anzeige
zwischen Antrieb und Klappe geschraubt werden.
Die mechanische Übertragung der Drehbewegung wird durch eine zentrale
Schaltwelle realisiert. Die Welle ist unten mit einer Vierkantbohrung SW 8
und oben mit einer Vierkantwelle SW 8 ausgestattet.
Auf der Welle sind zwei Schaltnocken verstellbar angebracht. Sie sind nach
Entfernung der Schraubdeckel mittels eines Schraubendrehers einstellbar.
1.2 In den Gehäuseteilen sind je ein Microschalter und zwei „LED’s“ montiert.
Somit ist es möglich die Stellungen „AUF“ bzw. „ZU“ sicher anzuzeigen.
Die Spannungsversorgung wird über „LED gelb“ je Schalter angezeigt.
Die Schalterstellung „AUF“ ist durch eine „LED grün“ und Schalterstellung
„ZU“ über eine „LED rot“ signalisiert.
1.3 Gegenüber der LED-Anzeige ist ein Anschlussgehäuse mit PG 13,5 Kabel-
verschraubung angeschraubt. Nach dem Entfernen des Anschlussgehäuses
mittels Schraubendreher sind die Anschlussschraubklemmen zugänglich.
1.4 Die Klemmenbelegung erfolgt nach dem Anschlussplan.
1.5 Bei werkseitig montierter Stellungsanzeige ist sie voreingestellt auf die
jeweiligen Endlagen der Klappen.
1.6 Bei einer Nachrüstung muss wie beschrieben vorgegangen werden:
• Klappenventil öffnen.
• Antrieb und Klappe auseinanderschrauben.
• Die mitgelieferten Gewindebolzen von unten in den Antrieb schrauben und
anziehen.
Hinweis:
Anschluss- und Justierarbeiten dürfen nur von autorisiertem Fach-
personal durchgeführt werden. Für Schäden welche durch unsachgemäße
Einwirkung oder Fremdeinwirkung entstehen, übernimmt der Hersteller
keinerlei Haftung. Nehmen Sie im Zweifelsfall vor Inbetriebnahme Kontakt
mit uns auf.
1225 2/8

1225
3/8
GERÄTEFUNKTION
SPANNUNGSVERSORGUNG
Achtung!
Die Markierung auf der Vierkantwelle muss in Richtung der Gerätesteckdose
von GEMÜ 1225 zeigen. Weiterhin muss die Anzeige so am Antrieb
aufgesteckt werden, dass die Gerätesteckdose von der Anzeige gegenüber
vom Steuerluftanschluss des Pneumatikantrieb liegt.
Vor Montage der Handklappe muss der Antrieb auf Stellung „AUF“ gedreht
werden. (Bei Federkraft schließenden Klappen ist mit Luft anzusteuern).
1.7 Die Elektroantriebe müssen ebenfalls in Endlage offen demontiert werden.
Die Gerätesteckdose zeigt hier in Richtung Elektroanschluss des Antriebs.
Danach muss die Klappe „in Stellung offen“ mit der Rohrleitungsrichtung um
90° verdreht zum Steuerluftanschluss montiert werden.
1.8 Endlagen der Klappe und Schalterstellung überprüfen, gegebenenfalls wie
oben beschrieben nachstellen (1.1).
AUF
ZU
AUF
ZU

1225 4/8
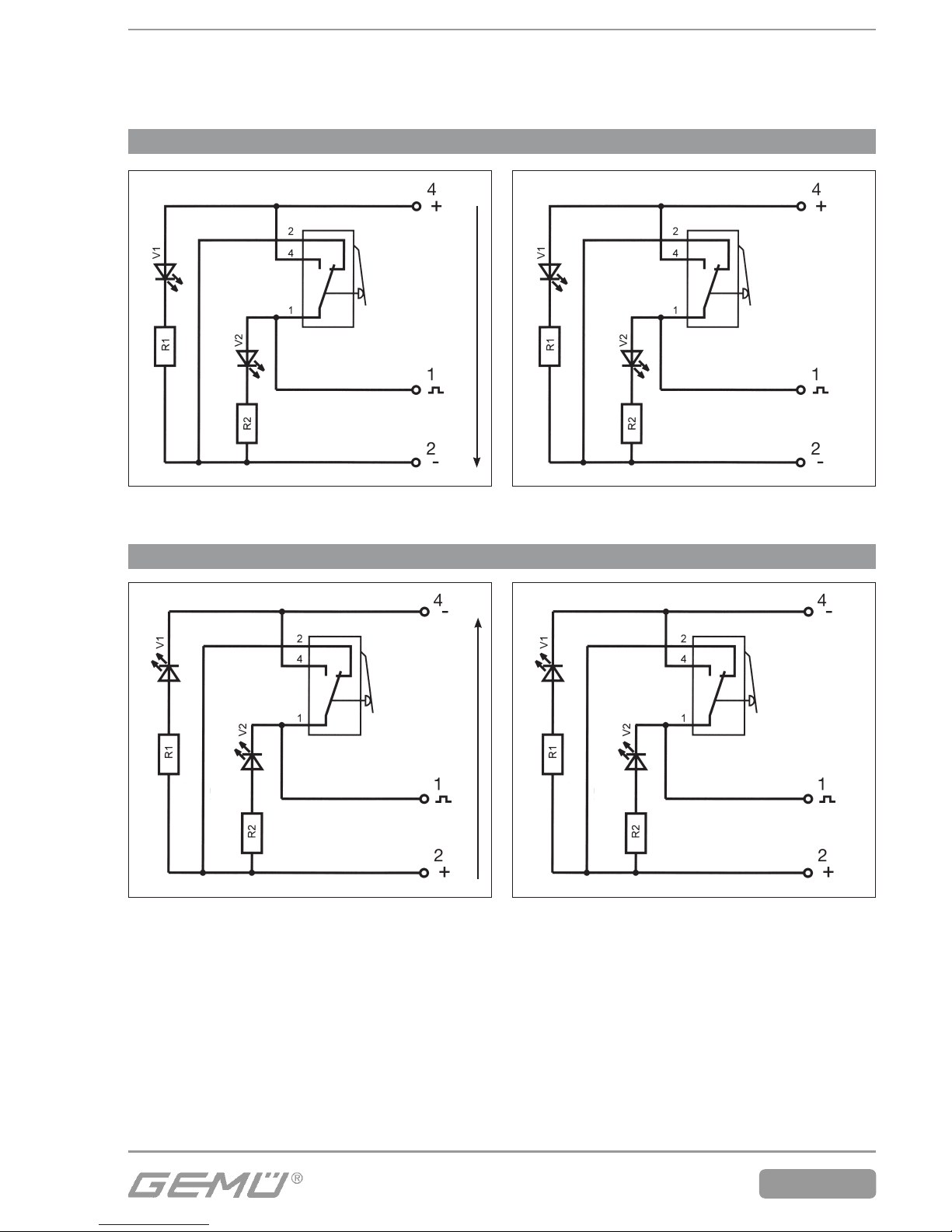
ANSCHLUSSPLÄNE
GEMÜ 1225
UB= 10-30V DC
LED rot = ZU
LED grün = AUF
UB = gelb
UB= 10-30V DC
UB= 10-30V DC
Anschlussplan NPN
Anschlussplan PNP
LED rot = ZU
UB= gelb
LED grün = AUF
UB= gelb
UB= gelb
LED rot = ZU
UB= 10-30V DC
UB= gelb
LED grün = AUF

1225
5/8
1 Assembly and setting instructions.
1.1 The electrical position indicator consists of two identical housing elements.
They are held together by two screw lids which can be released at the side.
It is possible to mount the position indicator between the actuator and the
valve using the threaded holes at the four corners.
Mechanical transmission of the rotary movement is effected by a central
actuating shaft which is fitted at the bottom with a size 8 square borehole and
at the top with a size 8 square shaft.
There are two adjustable trip cams mounted on the shaft. After removing the
screw lid, these can be adjusted using a screwdriver.
1.2 There are a microswitch and two LEDs mounted in each of the housing
elements. This permits the “OPEN“ and “CLOSED“ positions to be reliably
indicated.
The power supply is indicated by a yellow LED for each switch.
The “OPEN“ switch position is indicated by a green LED and the “CLOSED“
position by a red LED.
1.3 Connections are made using a PG 13.5 cable gland opposite the display
LED. After removing the attached housing using a screwdriver, the screw
terminals are freely accessible.
1.4 The terminals are assigned in accordance with the terminal diagram.
1.5 lf the position indicator was fitted on delivery, it has been pre-set in
accordance with the respective end positions of the valve.
1.6 When retrofitting the indicator proceed as follows:
• Open the butterfly valve.
• Unscrew the actuator from the valve.
• Screw the supplied threaded bolts into the actuator from below and tighten.
Note: Connection and adjustment work may only be carried out by
authorized specialized staff. lf damage is caused as a result of incorrectly
executed work by third parties, the manufacturer is unable to accept any
liability. lf in doubt, contact GEMÜ before putting the appliance into service.
ASSEMBLY

1225 6/8
FUNCTION
VOLTAGE SUPPLY
Note!
The marking on the square shaft must be pointing towards the electrical plug
of GEMÜ 1225. The indicator must also be mounted on the actuator in such a
way that the electrical plug of the indicator is positioned opposite the control
air connection of the pneumatic actuator.
Before assembling the valve, the actuator must be turned to the “OPEN“
position (in normally closed valves, actuate pneumatically).
1.7 Electrical acuators must also be dismantled in the open position.
Here, the electrical plug is pointing towards the electrical connection of the
actuator. Then mount the valve in the “OPEN“ position with the pipe running
at 90° to the electrical connections.
1.8 Check the end positions of the valve and the switch position, and adjust if
necessary as described above (1.1).
OPEN
CLOSED
OPEN
CLOSED

CONNECTION DIAGRAMS
GEMÜ 1225
UB= 10-30V DC
LED rot = ZU
LED grün = AUF
UB = gelb
UB= 10-30V DC
UB= 10-30V DC
UB= 10-30V DC
UB= yellow
UB= yellow
Connection diagram PNP
Connection diagram NPN
UB= yellow
UB= yellow
LED red = CLOSED
LED green = OPEN
LED red = CLOSED
LED green = OPEN
1225
7/8

Maße / Dimensions [mm]
Markierung in Ventilstellung
„AUF“ in Richtung Anschluss-
stecker zeigend / Valve position
“Open“: Marking points in
direction of connector plug
GEMÜ Gebr. Müller Apparatebau GmbH & Co. KG · Fritz-Müller-Str. 6-8 · D-74653 Ingelfingen-Criesbach
Telefon +49 (0) 7940/123-0 · Telefax +49 (0) 7940/123-192 · e-mail: [email protected] · http://www.gemue.de
VENTIL-, MESS- UND REGELSYSTEME
VALVES, MEASUREMENT AND CONTROL SYSTEMS
Änderungen vorbehalten · Subject to alteration · 11/2008 · 88049989 *88049989*
Table des matières
Langues :
Autres manuels Gemu Écran tactile
Manuels Écran tactile populaires d'autres marques

IBASE Technology
IBASE Technology ASTUT-152-RE1S Manuel utilisateur

YASKAWA
YASKAWA TP 610C Manuel utilisateur

B&R
B&R Power Panel C Series Manuel utilisateur

Beijer Electronics
Beijer Electronics X2 control Manuel utilisateur

AXIOMTEK
AXIOMTEK GOT321W-521 Manuel utilisateur

TRIDONIC.ATCO
TRIDONIC.ATCO x-touchBOX Manuel utilisateur












