
has been designed to function in any vehicle (carbureted, fuel injected, diesel, automatic or
manual transmission, and locking or non
locking steering column.)
f your vehicle has a factory installed
security system with or without an immobili
can be installed without the use of an
aftermarket security bypass module
and all of your original security function
Determine which installation option to use below:
combined “Engine Start and Alarm
your vehicle comes equipped with an OEM or aftermarket alarm system, installing
“Engine Start and Alarm System
will require the OEM or aftermarket system to be bypassed by connecting the
wiring harnesses in parallel to the OEM or aftermarket door and alarm function wiring. If your vehicle
oor lock and unlock only system, then
can be installed by connecting
to the OEM door lock/unlock circuitry. When ins
in the “Engine Start and Alarm System”
configuration, the supplied key
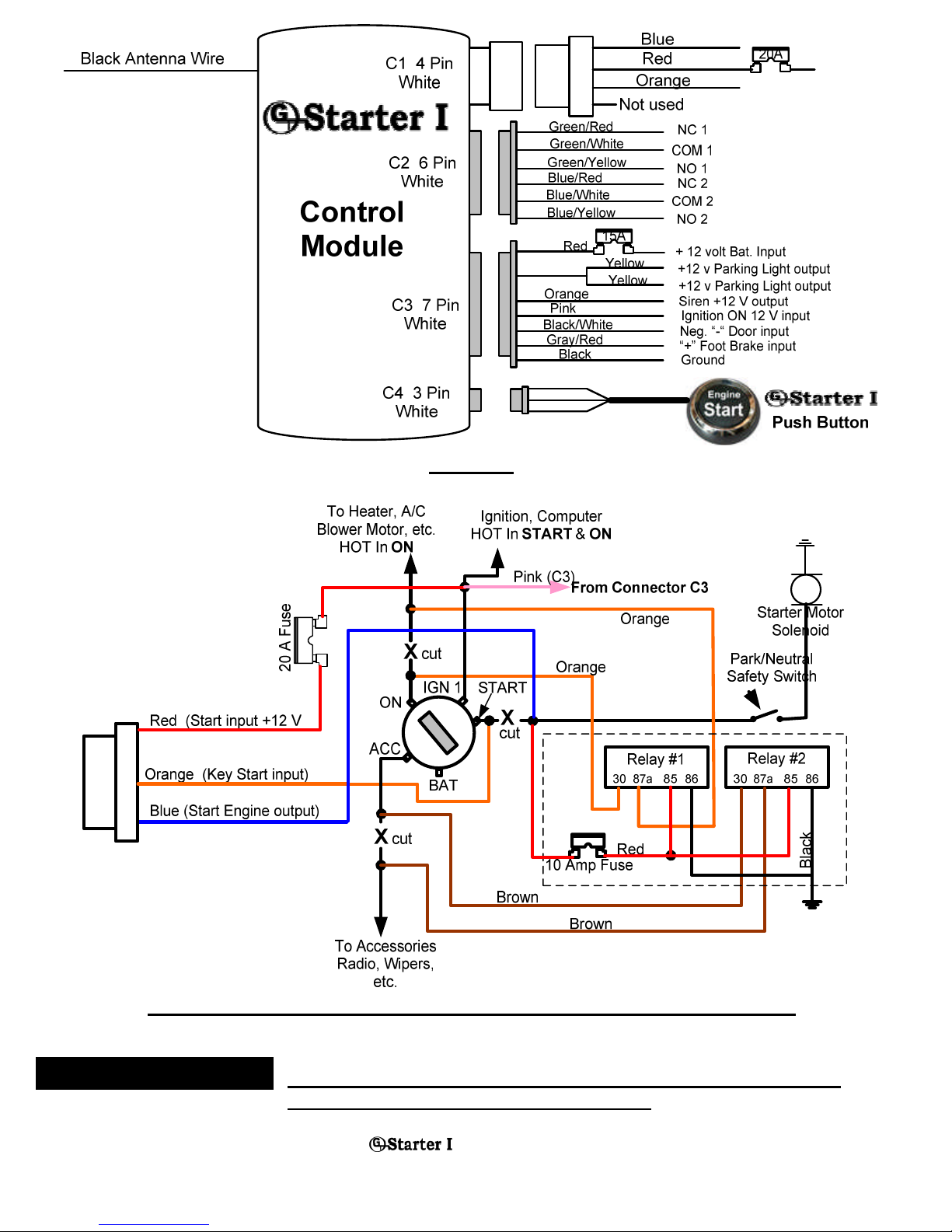
siren will be required. See Sec. 1.5 for wiring instructions.
can also be installed in a stand alone, “Engine Start,” configuration only (wit
door locks and alarm functions). In the event that your vehicle has an OEM or a high level security aftermarket
can be installed using the
functions only. Your OEM key FOB will
continue to function as it was origina
lly intended. When installing in the
key FOBs and siren will not be used. When installing as the
module wires will not be required. Please see installati
To ease and reduce installation time, we suggest you consider the following points before starting:
Check all vehicle manufacturer cautions and warnings regarding electrical service (AIR BAGS, ABS BRAKES,
ENGINE / BODY COMPUTER AND
Use extreme care and do not probe any wires of the SRS
Additional vehicle specific wiring diagrams and other helpful installation information can be found on our web
most suitable locations for all components to be placed. These components include: The
supplied relays or possible extra relays
to test and locate all connections.
damage a vehicle’s computer systems.
Record all color codes of vehicle wiring to be used for reference. This will save time by not having to re
same wires over again. Mark
After locating and marking the approp
riate wires DISCONNECT the (+
the type of locking system the vehicle has before connecting any wires. Incorrect connection
are several types of door
in vehicles today. Below is listed the many types of common locking systems:
): Many Imports; Late model Ford & General Motors
Negative trigger door lock systems send a Negative (Ground) pulse to existing factory relays to l
unlock the vehicle doors.
Positive Trigger (+): Many General Motors; Chrysler / Dodge / Plymouth
Positive trigger door lock systems send a Positive (+12V) pulse to existing factory relays to lock and unlock
Ford/Lincoln/Mercury/Dodge/Chrysler/Plymouth and early 90’s GM Trucks
The door lock/unlock motors are controlled directly from the lock and unlock switches in the door. The lock
and unlock wires rest at Negative Ground when not in use. When the lock or un
lock button is pressed, one of
the circuits is “Lifted” and replaced with +12V causing a lock or unlock to occur.
Single Wire (Dual Voltage): Late model Chrysler/Dodge/Plymouth Vehicles, some
Dual Voltage systems have lock/unlock switches that send varying levels of Positive voltage OR Negative
ground current to the SAME wire for both lock and unlock. When the vehicle’s Body Computer Module (BCM)
or door lock module senses
different voltages on this wire, the system will either lock or unlock. Single wire
door lock systems require relays and resistors.
This type system requires that you have a good working
only function can be easily installed.