Fri-Jado 9128135 Manuel utilisateur

9128135 Technical manual GGX7F PLC V8 rev. 06/2020 Page 1
M=
M1~
GREASE LOAD 00
Technical manual GGX7F PLC 9128135
-- Water and oil mixture comes from the Multisserie and falls in a strainer.
-- Filtered uid comes in the tank.
-- The oil oats on the water.
-- The heater keeps the water on temperature to make sure that also the pork grease stays uid.
-- The oil sticks to the rotating drum and the wiper blade wipes the oil o the drum. This is called
skimming further in this document.
-- During the skimming proces, the uid level will go down.
-- The spray bar puts in extra water and the maximum level is determined by the bottom side of the
drain outlet.
-- One time each day, the tank is ushed for 30 seconds to get rid of the sediment of the cleaning
agent from the Multisserie. The level will drop for ± 5 cm
-- One time each week, the tank is ushed for 60 seconds. The uid level drops 10 cm.
-- Flushing happens at 22:00, or when the Multisserie cleaning signal is continuously present for
45 minutes.
-- At 24:00 or when switching mains o, the PLC resets all cumulative values.
Spray bar
Flush / drain valve
Drain outlet
Wiper blade
Heating element
Fluid level
Rotating drum
Water/oil mixture inlet
Strainer
15 cm
Lid switch
To control this proces, 2 signals come from the
Multisserie. These are the cooking signal and
cleaning signal.
When opening the lid, all outputs from the PLC
will be disabled.
The push button will pause the skimming proces
for 5 minutes. The oil container can be emp-
tied in this time.
An extra skim cycle can be activated by pushing
this button for 5 seconds.
WORKING PRINCIPLE
Water
solenoid
valve

Page 2 9128135 Technical manual GGX7F PLC V8 rev. 06/2020
FRIJADO PROG V8.0
OUTPUTS TESTING
SKIMMER 10 SECSSKIMMER 10 SECS
-- SKIMMER 10 SECSSKIMMER 10 SECS
-- SPRAYBAR 10 SECSSPRAYBAR 10 SECS
-- HEATER 10 SECSHEATER 10 SECS
GREASE LOAD 00 -- GREASE LOAD 01
-- OVEN ON: 01 MINS
-- OVEN ON: 60 MINS
Power on test
GREASE LOAD 02
OVEN ON: 00 MINSOVEN ON: 00 MINS
OVEN SKIM ONOVEN SKIM ON
SKIM ENDS IN: 29 MIN
GREASE LOAD 02
OVEN ON: 30 MINSOVEN ON: 30 MINS
MTS cooking
Skim cycle
The PLC is running on software version V8
It is operating fully on 115V~.
It has 8 inputs from which 4 are used.
i-1 Multisserie (MTS) cooking signal
i-2 Lid switch
i-3 Skim pause button (or force skim)
i-4 MTS cleaning signal
It has 4 outputs and all are used.
Q1 Skimmer (motor)
Q2 Spray bar (solenoïd valve)
Q3 Flush valve (motor valve)
Q4 Heater (heating element)
When mains is being connected, the PLC runs
an outputs test.
Each output is activated during 10 seconds, ex-
cept the ush (drain) valve.
After power on, the PLC is waiting for the MTS
cooking signal in the home screen.
When the MTS starts cooking, the message
“grease load 01” and “oven on” appears and
the time counts up.
As soon as the cumulative value of 60 minutes
is reached, a skim cycle is started.
If the MTS is cooking at that moment, also the
“grease load” value is increased and the
“oven on” is counting up from 00 minutes.
The “skim ends” timer counts back to zero.
The default skim duration is 30 minutes.
See the diagram for the progress of the program.
The spray bar makes sure that the liquid inside
the tank stays on level.
When skimming has nished:
-and the Multisserie has been cooking all the
time during skimming, the “oven ON” counter
has increased to 30 minutes.
-and the Multisserie has not been cooking all the
time during skimming, the counter will have
increased less than 30 minutes.
The counter is not displayed if the oven is not
cooking.
POWER ON TEST AND GREASE LOAD OF THE GGX7F GREASE SEPARATOR
THE MULTISSERIE COOKING SIGNAL
10 min. 10 min.5 min. 5 min.
Skimmer
Spray bar
5x 5 sec.

9128135 Technical manual GGX7F PLC V8 rev. 06/2020 Page 3
GREASE LOAD 02
OVEN ON: 05 MINS
SKIMMER PAUSEDSKIMMER PAUSED
SKIM ENDS IN: xx MIN
5 Sec.
GREASE LOAD 02
OVEN ON: 00 MINS
OVEN SKIM ONOVEN SKIM ON
SKIM ENDS IN: 29 MIN
GREASE LOAD 02
OVEN ON: 05 MINS
SKIMMER PAUSEDSKIMMER PAUSED
SKIM ENDS IN: xx MIN
GREASE LOAD 05
CLEANING CYCLE ONCLEANING CYCLE ON
PRE FLUSH SKIM ONPRE FLUSH SKIM ON
SKIM ENDS IN: 29 MIN
GREASE LOAD 05
CLEANING CYCLE ONCLEANING CYCLE ON
The lid switch is controlled by a magnet that is
attached to the lid of the GGX7F tank.
When removed, all outputs are disabled.
The pause button.
The skim cycle can be paused at all times by
briey pushing the green button on the right side
of the control panel.
It gives the operator the possibility of emptying
the oil container.
By pushing the button for 5 seconds, a skim
cycle is forced.
When the unit has no cleaning signal available,
the operators have to be instructed to force
a skim cycle when they start the Multisserie
cleaning program.
THE LID SWITCH AND PAUSE BUTTON
THE MULTISSERIE CLEANING SIGNAL
THE FLUSHING OF THE TANK
When the MTS starts cleaning, the message “cleaning cycle
on” appears and a skim cycle is started. It overrules and
resets any other skim cycles.
It has the default duration as described above.
When the MTS stops cleaning, the skimming will be aborted,
if it was still running.
When the cleaning signal stays continuously on for 45 minu-
tes, the ush cycle is started.
A ush cycle:
--Comes once each day.
--If not triggered by the above 45 minutes cleaning cycle, it
comes automatically at 22:00 hours.
-- The default duration is 30 seconds.
--Once per week its duration is 60 seconds. This week ush is
default on Wednesday.
The spray bar will rell the tank during 3 times the ush time.
It start spraying at the same time as the ushing starts.
See “key codes” for manual ushing / relling.
Pause button
Lid switch

Page 4 9128135 Technical manual GGX7F PLC V8 rev. 06/2020
HEAT 6AM - 11AM: SET
HEAT 11AM - 4PM: SET
HEAT 4PM - 9PM: SET
GREASE LOAD 02
OVEN ON: xx MINS
SKIM DURATION
MINUTES: 0030
SPRAYBAR: ACTIVE
ON SECONDS 00005
OFF SECONDS 00055
DY FLUSH: 00030SEC
WK FLUSH: 00060SEC
HEAT 6AM - 11AM: SET
HEAT 11AM - 4PM: SET
HEAT 4PM - 9PM: SET
THE HEATING OF THE TANK
The GGX7F is equipped with a 300 Watt, thermistor controlled,
heating element.
The heating helps to keep the grease uid, especially pork grease.
A thermostat switch will switch it OFF when the tank reaches 55°C
(130°F).
The heating is switched on in 3 time zones as shown, default ON.
If no pork meat will be cooked, it can be considered to switch OFF
the middle zone.
KEY CODES AND PARAMETERS
By pushing A each time opens successive parameter screens
for:
1 Skim duration (30 minutes)
2 Spray bar settings (5 seconds ON, 55 seconds OFF)
3 Heating settings
4 Day and weekush duration settings
Timers
Only change on request of Fri-Jado!!
Method of changing:
The selected parameter is highlighted which is ashing. (except the “Heat” screen)
Select the parameter with +_.
Conrm with OK
The parameter is now ashing (not highlighted)
Change with +_.
Conrm with OK
Leave the menu with ESC
In the “Heat “ screen, B has to be pushed untill the right choice is found and then
push A
In some menu’s you may need to push ESC several times to get back to the home
screen

9128135 Technical manual GGX7F PLC V8 rev. 06/2020 Page 5
GREASE LOAD 02
OVEN ON: xx MINS
STOP
PARAMETER
MISCELLANEOUS
2x
DATE FRIDAY
29 MAY 2020
12:32 26
CALIBRAT. :+00S/WEE
VERSION
CLOCK
FAULT
DATE/HOUR SETUP
SUMMER TIME SETUP
1x
STOP
PARAMETER
MISCELLANEOUS
1x
MACRO xxx FBD xxx
NUM
constant value
xxxxx
MACRO 012 FBD 058
CHOSE FBD
?x
MACRO 012 FBD 058
TIME PROG WEEKLY
n.00 00:00 ON
D:-- -- W -- -- -- -- W:12345
STOP
PARAMETER
MISCELLANEOUS
stop program
Press OK
RUN
PARAMETER
MISCELLANEOUS
RUN program
RESET LATCHED
VALUES AND RUN
CANCEL
ABAB
AB
A
B
Pushing ESC and OK simultaneous, gives 3 options.
Selecting “Stop” and pushing OK will stop the program after
conrming with OK .
Under “Parameter” the week ush can be set or disabled.
Under “Miscellaneous”, the clock can be set.
Week ush and Clock setting
Stop Parameter Miscellaneous
See previous page for method of changing.
ESC always helps to get out of the menu in case you get lost.
Backlight will switch o after 30
seconds. Use a ashlight.
Choose FBD 058 !

Page 6 9128135 Technical manual GGX7F PLC V8 rev. 06/2020
GREASE LOAD 02
OVEN ON: xx MINS
GREASE LOAD 02
OVEN ON: xx MINS
MANUAL FLUSH/REFILMANUAL FLUSH/REFIL
GREASE LOAD 02
OVEN ON: xx MINS
MANUAL FLUSH/REFILMANUAL FLUSH/REFIL
Pushing Band + simultaneous, will open the ush (drain)
valve for 200 seconds.
After this, the spray bar will rell the GGX7F tank for 330
seconds.
The ESC key will abort this proces at any moment.
Examples.
To empty the tank,
push ESC as soon it is empty, at least before it starts relling
after 200 seconds.
To rell an empty the tank,
do not push ESC .
After 200 seconds, the relling starts.
Manual ush and rell
Defaults can be reset by pushing _. for 10 seconds in Home screen.
The following parameters are reset to their defaults as detailed above.
-Skim Duration value
-Spraybar ON/OFF cycle durations
- Heater Zone default zone.
-Daily and Weekly Flush duration values
(The specic ush week day (Mon-Sun) cannot be reset via this method, and must be manually
changed as per described earlier.)
Restoring factory defaults

9128135 Technical manual GGX7F PLC V8 rev. 06/2020 Page 7
STOP
PARAMETER
MISCELLANEOUS
MEMORY CARD
GREASE LOAD
restore program
from memory card
Press OK
stop program
Press OK
Save
SAVE & LOCK KEYPAD
RESTORE
3x
2x
restoring prog
ram complete
Press OK
RUN RUN PROGRAM
RESET WITH LATCHED
VALUES AND RUN
STOP GREASE LOAD
password
3644
attemp1 1/1
Press OK
1x
DEFAULTS APPLIED!
10 SEC. !
Updating with the Crouzet memory card
Take o the cover and put in the memory card.
UPDATING THE PLC SOFTWARE
The pin code 3644 might be asked

Page 8 9128135 Technical manual GGX7F PLC V8 rev. 06/2020
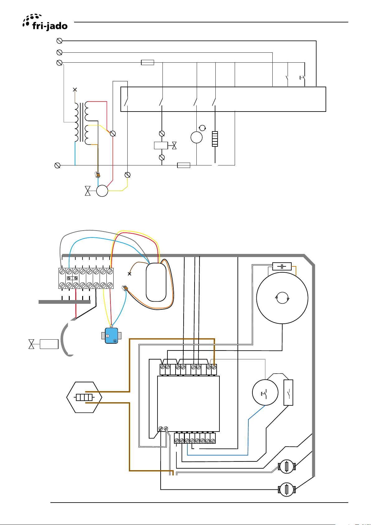
1 2 3 4 5 6
GG cable
2
1
5
3
3
4
reed switch
W1
115 V
15V
4
Ye
Rd
Gy Bl
Br
Bk
Or
Bl
Ye
Rd
Multisserie
6
Outputs1 11
1 Inputs 8
L N
300W
10 A
1
2
3
5
6
2
S1 S2
W1
15v
115v
PLC
IN 1 2 3 4
4
T1
T1
W2
M1
M1
15v
Ye
Gy
Br
Bk
Or
Bl
Rd
115v
Cleaning signal
Cooking signal
115V
L
N
10 A
10 A
O2 O1
O3 O4
1
3
4
5
2
7
7
6
7
7
S2 S1
1
27
8 4
5
10
11
1 2 4 5 7 8 10 11
3
1 2
2 3 4 5 6 71
1 2 4 5 7 83 6
4
O S
CR03
W2
Wht
Br
Wht
Electric diagrams GGX7F with Flush and heat

9128135 Technical manual GGX7F PLC V8 rev. 06/2020 Page 9
GREASE LOAD 05
CLEANING CYCLE ON
PRE FLUSH SKIM ONPRE FLUSH SKIM ON
SKIM ENDS IN: 29 MIN
> 5 sec.
INSTRUCTIONS FOR THE OPERATOR
Start cleaning
During the day and before cleaning
Push the green button when the grease container is
full, (skimming process is paused for 5 minutes)
Then slide the container out of the hood and dispose
of contents for recycling.
Place back the container witin 5 minutes.
Cleaning the Multisserie
Empty the container as described above.
Start the Multisserie cleaning program.
Push the Green button (1) for more than 5 seconds.
(this will start a skimming cycle).
After cleaning the Multisserie, (the next morning)
Empty the container as described above.
Access wiper blade by rst removing the contai-
ner hood.
Lift and rotate to remove the wiper blade
Clean the blade thoroughly and replace.
Re-place container hood.
Unlock the strainer cap by rotating counter
clockwise using the hand grips.
Slide out the strainer.
Dispose contents to trash.
Re-place strainer.
1)
Check if the message “pre ush skim on” is displayed on
the gease separator.
If so, the green button does not need to be pushed.

Page 10 9128135 Technical manual GGX7F PLC V8 rev. 06/2020
- NOTICE -
This manual is prepared for the use of trained
Service Technicians and should not be used by
those not properly qualied. If you have attended
a training for this product, you may be qualied to
perform all the procedures in this manual.
This manual is not intended to be all encompas-
sing. If you have not attended a training for this
product, you should read, in its entirety, the repair
procedure you wish to performto determine if you
have the necessary tools, instruments and skills
required to perform the procedure. Procedures
for which you do not have the necessary tools,
instruments and skills should be performed by a
trained technician.
Reproduction or other use of this Manual, without
the express written consent of Fri-Jado, is prohi-
bited.

















