
10-06-08 99751 Page 3 of 3
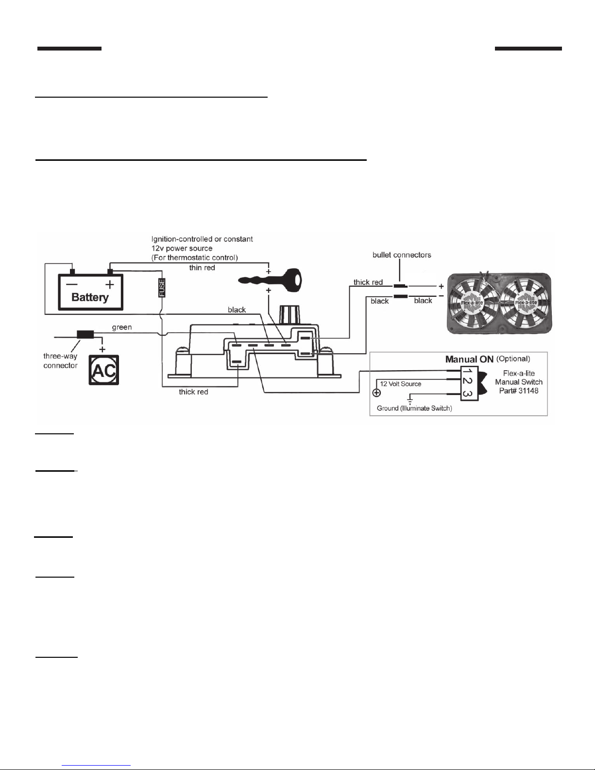
Step 8: (Optional) For manual switch operation, use Flex-a-lite p/n 31148. Connect the switch as
shown on the wiring diagram (previous page). Connect the "M" terminal on the control module to the
"1" terminal on the switch. Connect the "2" terminal on the switch to a positive 12v power source.
Connect terminal "3" on the switch to a good ground (for switch illumination). NOTE: To prevent
thermostatic activation (if only manual switch operation is desired), omit the lead to the "+"
terminal of the control box. "B", "G", "M+" and "M-" must remain connected. If not using a
Flex-a-lite manual switch, do not connect a ground wire to the switch!
Step 9: Use the zip ties provided to secure the wires and prevent them from interfering with fan
blades, belts, and pulleys in the engine compartment. Reconnect the battery and insert the 30 amp
fuse provided.
Step 10: Insert the temperature probe into the radiator fins
Install temp. probe near inlet hose... then install the insulator cap.
Locate the inlet hose from the engine to the radiator. Remove the black insulator cap and insert the
temp. probe through the radiator fins near the inlet hose. Reinstall the black insulator cap.
If you disconnected any hoses or drained coolant to install the fan, reconnect the hoses and refill
the radiator. Press the control knob (included in wiring kit) onto the control box shaft. Turn the knob
clockwise until it stops. Start the engine and allow it to idle. Using a digital thermometer (positioned
near the inlet hose) or the vehicle's temperature gauge, monitor the temperature. When the coolant
temp. is slightly above normal (or desired temp.), turn the knob counter-clockwise just until the fan
turns on. From now on, the fan should activate at this temperature setting. Adjust as necessary to
maintain desired temperature.
Step 11: Adjust the temperature control knob on the control box
The Flex-a-lite Limited Warranty
Flex-a-lite Consolidated, 7213-45th St. Ct. E. Fife, WA 98424, Telephone No. 253-922-2700, warrants to the original purchasing user, that all Flex-a-lite products to be free of defects in material and
workmanship for a period of 365 days (1 year) from date of purchase. Flex-a-lite products failing within 365 days (1 year) from date of purchase may be returned to the factory through the point of
purchase, transportation charges prepaid. If, on inspection, cause of failure is determined to be defective material or workmanship and not by misuse, accidental or improper installation, Flex-a-lite
will replace the product free of charge, transportation prepaid. Flex-a-lite will not be liable for incidental, progressive or consequential damages. Some states do not allow the exclusion or
limitation of incidental or consequential damages, so the above limitation or exclusion may not apply to you. This warranty gives you specific legal rights and you may have other rights, which vary
from state to state. The Flex-a-lite warranty is in compliance with the Magnuson-Moss Warranty Act of 1975.