
Regole importanti per la sicurezza
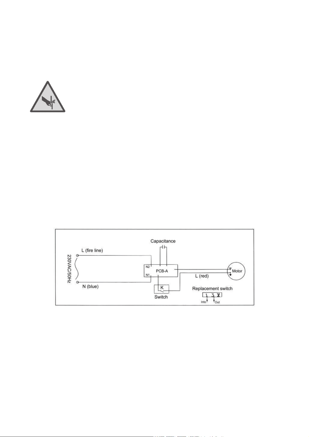
Il coltello elettrico deve essere collegato esclusivamente a una rete elettrica monofase
230V AC.
Estrarre sempre la spina dalla presa di corrente nei seguenti casi: prima della pulizia del
coltello, in caso di guasto e dopo l’utilizzo.
Per scollegare l’apparecchio dall’alimentazione elettrica non tirare mai il cavo di
alimentazione, ma estrarlo agendo direttamente sulla spina.
Non immergere mai l’apparecchio in acqua e non esporlo a pioggia o umidità. In caso
l’apparecchio sia caduto in acqua, estrarre prima la spina dalla presa elettrica e solo dopo
togliere l’apparecchio dall’acqua. In seguito, far verificare l’apparecchio in un centro di
assistenza autorizzato prima di riutilizzarlo.
Non utilizzare l’apparecchio con le mani bagnate. Non usare il coltello se l’utilizzatore si
trova su di un pavimento bagnato. Non utilizzare il coltello elettrico se è bagnato o umido.
Tenere il coltello elettrico lontano dalla portata dei bambini.
Non lasciare il coltello elettrico incustodito quando è pronto per l’utilizzo.
Assicurarsi sempre che il coltello elettrico sia collocato o installato in un luogo sicuro prima
di iniziare a utilizzarlo.
Il coltello elettrico deve sempre essere utilizzato con il gyros e il piatto di raccolta, a meno
che le dimensioni o la forma del cibo siano incompatibili con i suddetti. Non utilizzare il
coltello elettrico per affettare ossi o cibo congelato.
In caso di guasto non utilizzare in nessun modo il coltello elettrico. Portare l’apparecchio in
un centro di assistenza autorizzato o presso un altro riparatore adeguatamente qualificato.
In caso di guasto del cavo di alimentazione la riparazione deve essere effettuata dal
produttore, da un suo centro di assistenza o da un riparatore adeguatamente qualificato.
Utilizzare il coltello elettrico esclusivamente con gli accessori forniti.
Non si riconoscono richieste di garanzia né di responsabilità su problemi che derivino
dall’uso improprio o incorretto del coltello elettrico.
Utilizzo del Coltello Elettrico
Impostare lo spessore di taglio. Lo spessore può essere impostato tra 0 e 3 mm.
Impostare lo spessore di taglio desiderato tramite la rotella di regolazione (figura N°9). Per
motivi di sicurezza la lama è coperta quando lo spessore è a “0”.
Impugnare saldamente l’impugnatura del coltello e posizionare l’indice sull’interruttore.
Premere l’interruttore per accendere il coltello elettrico, la lama si avvierà. Spingere
nuovamente sull’interruttore per spegnere l’apparecchio, la lama si fermerà, attendere fino
all’arresto completo della lama.