
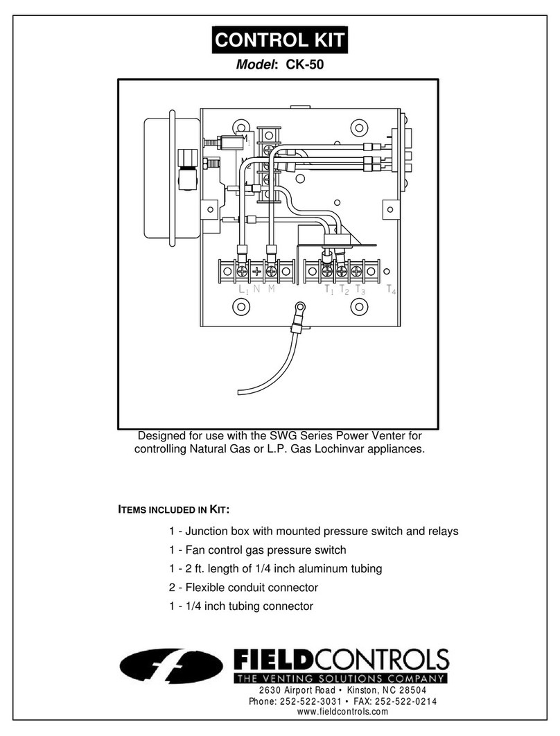
Page 2
MOUNTING JUNCTION BOX
The junction box can be mounted at the venter or remotely mounted away
from the venter. (See Figure 1 & Figure 2)
1. Remove one of the knockouts from the side of the junction box where the
pressure switch is mounted. Install the flexible conduit connector onto the
CK-51 junction box and secure with fastening nut. If remote mounting the
CK-51 junction box, mount the flexible conduit connector onto a 2" x 4"
installer supplied junction box.
2. Fasten the flexible conduit from the SWG Venter into the conduit
connector. Mount the CK-51 junction box or installer supplied junction box
onto the wall or floor joist without straining the flexible conduit. Fasten the
CK-51 junction box through the four dimpled locations on the base of the
box. (See Figure 3)
GSK-3 SAFETY SWITCH INSTALLATION
Installation of a secondary SAFETY SWITCH is recommended by LP and
Natural gas fired systems with a draft hood. This device is installed to detect
flue gas spillage from a blocked flue system and/or inadequate draft.
1. Mount spillage switch on the draft hood. (See Figure 4)
2. Route lead wires along the appliance wall with an accepted wiring
enclosure in accordance with the National Electrical Code and applicable
local codes, keeping the wires away from any HOT surface area.
3. Wire the safety spillage switch into one side of the thermostat circuit.
Refer to unit wiring instructions.
4. After installing the safety spillage switch, check the amperage through the
thermostat circuit and adjust the thermostat anticipator accordingly.
CAUTION: If for any reason the system has shut down during operation, the
cause of the system failure should be investigated and corrected before
resetting the safety switch and restarting the system.
PRESSURE SWITCH SENSING TUBE INSTALLATION
1. Attach the 1/4 inch tubing connector to the pressure tube on the SWG
Venter. (See Figure 3)
2. Connect the supplied 1/4" aluminum tubing to the tubing connector.
Route the tubing to the CK-51 junction box and connect the tubing to the
pressure switch. When routing the tubing, avoid kinking the tubing by
bending the tubing too sharply.
For remote mounted CK-51 Junction Box, use a 1/4" OD copper, aluminum or
plastic tubing and route the tubing to avoid contact with any heat source.
Refer to the SWG Venter Installation Instructions for setting system airflow.
Figure 1
Figure 2
Figure 3
Figure 4