
Page 1 of 4 www.fast-stat.com
Model 3000
Installation Instructions
●The Model 3000 provides two additional control wires
between a thermostat and indoor unit, or indoor unit
and outdoor unit.
●It is compatible with all 24V AC heating and cooling
systems.
●The Model 3000 can provide a common connection
‘C’ using a thermostat cable with 3 or more wires. For
adding a common with only 2 wires see the Model
5000 or Common Maker.
1. Measure the transformer voltage to see if it drops
below 23V while in use. The Model 3000 may not
function properly outside of the 23-28 volt range and
the transformer may need to be replaced.
2. Join the Receiver’s purple and red wires together (use
the red wire going to the Sender). All three relays in
the Receiver should energize, connecting the yellow,
green, and white wires to ‘R’. If the connected loads do
not start, then measure the voltage from each output
wire to common. If each wire reads 24V AC, then the
Receiver is working correctly. If not then there may be
a problem with the Receiver.
3. Disconnect the Sender from the thermostat and
connect the Sender’s red and white wire together. This
should energize the relay connected to the Receiver’s
white wire, and activate its connected load. Repeat
this process for the yellow and green wires, connecting
each wire to red individually. If all loads activate, the
Model 3000 is functioning properly and there may be
a compatibility issue with the thermostat. If a load fails
to activate, there may be a problem with the Sender.
4. If applying power to the Sender’s yellow wire activates
the load connected to the Receiver’s white wire (or
vice versa), then the wires connecting the Sender and
Receiver are crossed. Disconnect the two wires in the
thermostat cable from the Sender’s purple and red
wire, and switch where each wire is connected.
●This product is designed for use with a Class 2
transformer providing 23 to 28 volts.
●The total connected load must not exceed 2 amps.
●The connected load cannot operate at more than 30
volts (not designed for direct connection to 120 volt
equipment).
●To avoid risk of electrical shock or equipment damage,
disconnect power before beginning installation.
The Sender is the smaller component and is installed inside
the wall behind the thermostat.
If extending the wiring between an indoor and outdoor
unit, the Sender can be placed inside the indoor unit
cabinet or grouped with other wiring.
The Receiver is the larger component and is installed
inside the cabinet of the indoor or outdoor unit. If there is
no space inside the cabinet, the Receiver may be placed
in any location without exposure to high temperatures or
water.
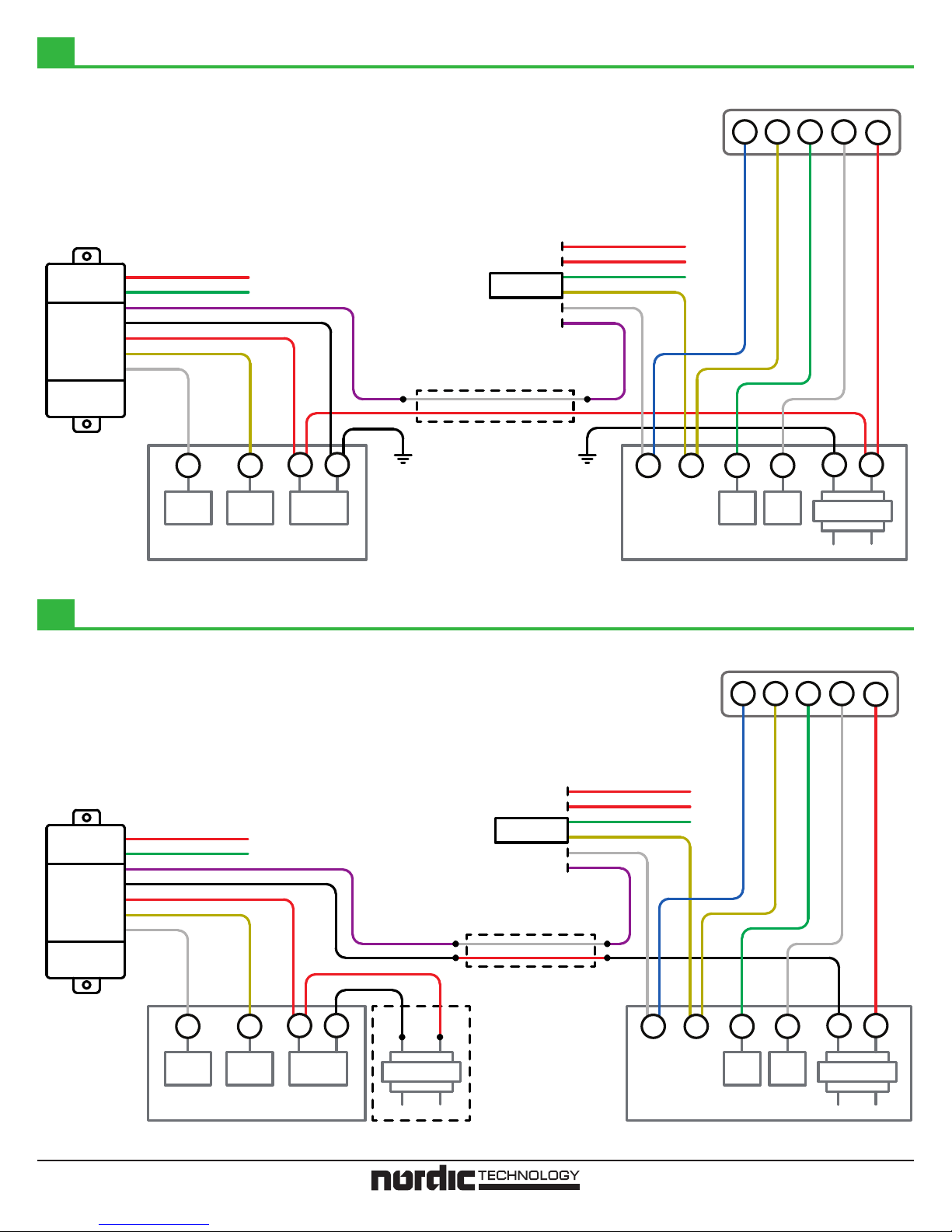
Connect the wires according to the relevant wiring diagram
for the system (pages 2-4). Additional wiring diagrams
can be found at www.fast-stat.com.
Note: The Sender can produce a small amount of heat
while operating. Keep the Sender wires as long as possible
to maximize the distance between the Sender and
thermostat.
●Remove the thermostat from the wall.
●If the hole where the thermostat cable wires come
through is not big enough to fit the Sender, enlarge it.
●Place the Sender in the wall and connect the wires
to the sub-base according to the appropriate wiring
diagram (pages 2-4). The Sender will hang by its wires
and does not require any mounting.
●Install the thermostat on the wall.
Overview
Testing
Troubleshooting
Internal Wiring
Contact Us
Electrical Safety
Sender Installation
Receiver Installation
After installation, check each control on the thermostat
(G, Y, W, etc) to ensure it is turning on and off correctly.
Activating the control on the yellow wire will activate the
load on both the yellow and green wire at the Receiver.
The Receiver’s yellow, green, and white wires are each
connected to a normally open relay. One side of the
relay is connected to transformer ‘R’ through the red
wire. Applying 24V AC to the Sender’s yellow, green, or
white wire will energize its respective relay, and connect
transformer ‘R’ to the output wire (yellow, green, or white).
For installation assistance, our technical support line can
be reached at 1-800-775-4750, 9am-5pm PST, or emailed
at info@nordictech.ca
Note: Applying 24V AC to the Sender’s yellow wire will
activate both the green and yellow relays on the Receiver.
The Model 3000’s yellow, green, and white wires can not
used for a common connection ‘C’.
Relays
G
RC W Y
Indoor Unit
To Sender/Thermostat