
- 1 -
STR-1
Roller blind controller
2-buttons
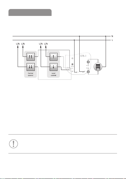
The roller blind controller STR-1 is designed for controlling roller
blinds (up and down movement) or other devices (for example,
gates) that are driven by a single-phase AC electric motor and
operated by means of momentary switches (for example, bell-
-pushes). The controller can operate as an independent unit
(designated for opening/closing one roller blind) as well as the
controllers can be combined into groups that enable the central
controlling of many roller blinds.
Supplied the relay is to signal by shine of green LED "U". The
roller blind motor is activated by the momentary switching of
a current pulse (L or N) to one of the control inputs. The motor
is activated at a time programmed previously by the user. The
activation time programmed enables the complete lifting or lo-
wering of the roller blind. Also, there is a possibility of stopping
the rolled blind activated at a level selected by the user (non-
-complete opening or closing of the roller blind).
Purpose
Functioning
F&F Filipowski sp. j.
Konstantynowska 79/81, 95-200 Pabianice, POLAND
phone/fax (+48 42) 215 23 83 / (+48 42) 227 09 71
www.fif.com.pl; e-mail: biuro@fif.com.pl
Do not dispose of this device in the trash along with other waste!
According to the Law on Waste, electro coming from households free of charge and can
give any amount to up to that end point of collecon, as well as to store the occasion of
the purchase of new equipment (in accordance with the principle of old-for-new, regard-
less of brand). Electro thrown in the trash or abandoned in nature, pose a threat to the
environment and human health.