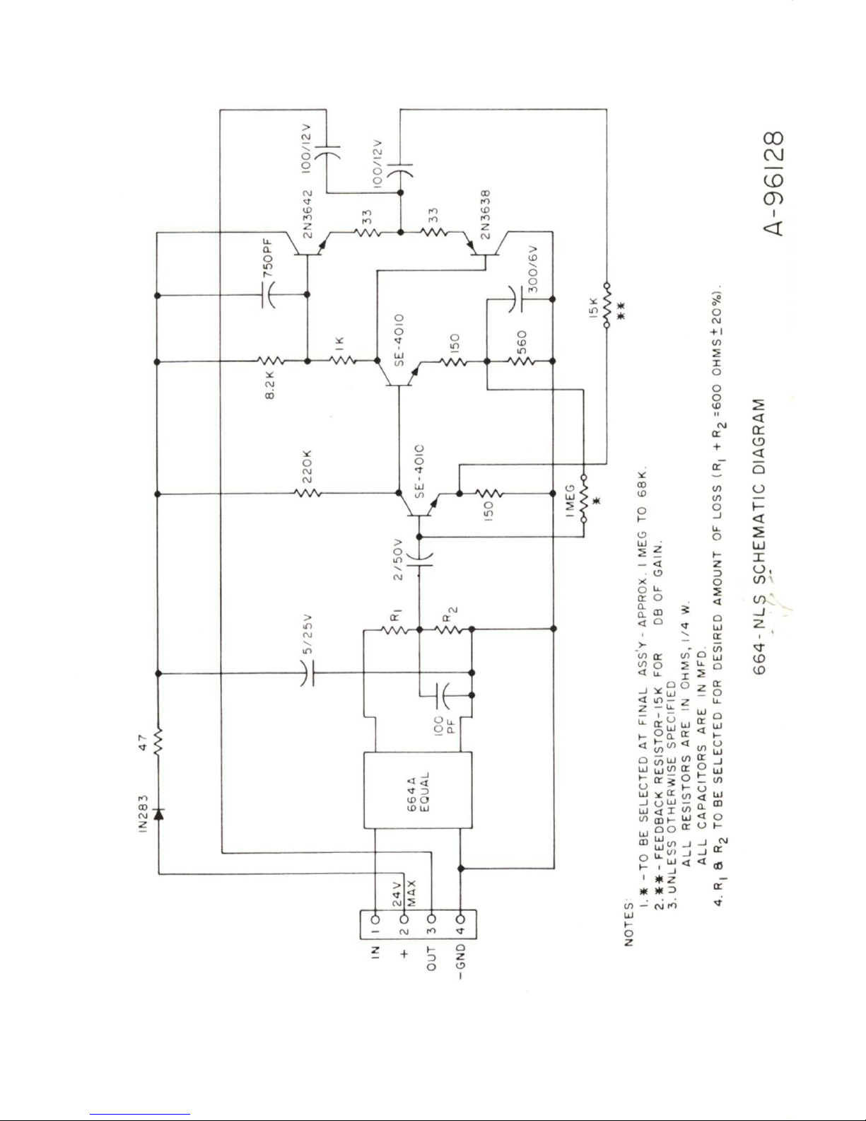
FAIRCHILD INTEGRA I
THIN LINE SERIES MODEL 664
PROGRAM EUALIZER & MODEL
-665 EUALIZER AMPLIFIER
It
If
i �
D D
m m
r r
m m
m m
�
-•
FAIRCHILD