
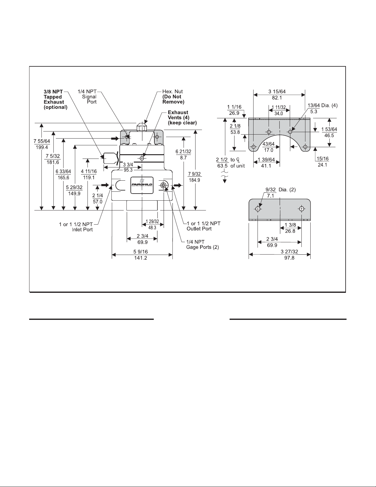
MAINTENANCE
To clean the Model 200, use the following steps:
1. Shut off system pressure to the booster to prevent air
from escaping. It is not necessary to remove the
booster from the air line.
2. Remove the six screws from the bottom of unit. For
more information, see Figure 5.
3. Remove the Valve Assembly. For more information,
see Figure 5.
4. Wash the Valve Assembly with a solvent. Exercise
care to prevent damage to diaphragms and valve
facings. Avoid solvents such as acetone, carbon
tetrachloride and trichlorethylene.
5. Replace the assembly carefully. Ensure that the
Exhaust Vents in the Spacer Ring are clear. For more
information, see Figure 5.
Troubleshooting
Table 1. Troubleshooting
Problem Source Solution
When the
signal is off,
the valve
does not
close.
• Valve seat
• Diaphragm
Assembly
• Check the valve seat.
• Ensure that the dia-
phragm is not punctured.
Leakage /
High Bleed • Bonnet or Re-
tainer Screws
• Relief Valve
• Supply Valve
• Supply Seat
• Diaphragm
Assemblies
• Tighten the Bonnet or
Retainer Screws
• If contaminated,
clean the source.
• If damaged, install
the service kit.
NOTE: If the standard maintenance procedure
does not correct the problem, install the
appropriate service kit.
Standard/Tapped Exhaust
• 12151-1
• 12151-4 (Increased Sensitivity)
Non-relieving
• 12151-2
• 12151-5 (Increased Sensitivity)
Viton
• 12151-3
• 12151-6 (Increased Sensitivity)
Figure 5. Model 200 Exploded Drawing shown
with Increased Sensitivity Option (L)
3