
WARNING: Light fitting to be installed and earthed in accordance with current
wiring and building regs
WARNING: Check product label and order notes regarding whether product is XIM
or XTM, and the driver is separate to the luminaire (REMOTE), or contained within
the luminaire (INTEGRAL)
WARNING: Do not connect mains voltage directly to led inside a remote driver
luminaire
1. Place base against mounting surface and mark 4x hole centres
2. Drill 4 x 6mm holes x 30mm deep
3. Insert plastic plugs into holes
4. Remove glass cover (Integral BULKHEADs only)
5. Reveal 20mm threaded entry hole and attach chosen cable outlet
6. Pull supply cable through entry hole and fix base to mounting surface using
supplied long screws (alternatively, use supplied medium screws only to fix to a
timber surface)
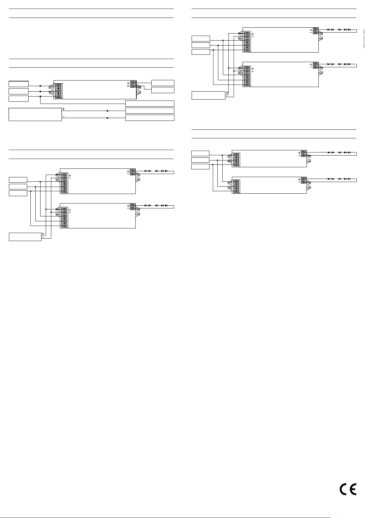
7. Use supplied WAGOs inside luminaire to make connections according to the
relevant installation diagram. NOTE: for remote driver luminaires it is not
necessary to make any electrical connections inside the luminaire:
• Flip integrated orange lever up to open position
• Insert exposed conductor to stopping point
• Return lever to closed position
CAUTION: Always observe voltage drop restrictions when increasing distance
between driver and LED (refer to product data sheet)
8. Fit glass cover to body and secure with fitting screws CAUTION: ensure rubber
gasket is positioned correctly and screws firmly secured
INSTALLATION
BULKHEAD
• Installation by a competent person, in accordance with current building and
wiring regs. Find an NICEIC registered contractor at factorylux.com
• IP20 unless otherwise stated on luminaire label
• Bathroom installation by authorised contractor only
• Shut o power to the circuit before installation
• Install using supplied LED driver/PSU only (following ‘driver wiring diagram’)
• Ensure driver/PSU has not been powered for at least one minute before
connecting LED
• Driver/PSU must not be thermally insulated
• Adhere to maximum ambient temperature on driver/PSU instructions
• Always use fixings appropriate for the mounting surface (screws supplied may
not be suitable)
• The light source contained in this luminaire shall only be replaced by the
manufacturer or his service agent or a similar qualified person
WARNING
Thank you for purchasing this Factorylux product. It has been designed and hand
built in the UK to give you many years of reliable service. Please read these user
instructions carefully. All user instructions available to download at factorylux.com/
userinstructions
YOUR PRODUCT
No user serviceable parts. In the event of failure, fault or damage shut o power
and contact our technical department via factorylux.com
TROUBLESHOOTING
WHAT’S INCLUDED
We post regular design and product information via social media and our blog.
STAY UP TO DATE
• 20mm threaded entry hole requires securing to a suitable 20mm threaded
cable outlet (i.e conduit or compatible gland)
• Suitable thread-locking fluid recommended to prevent loosening of 20mm
thread from connected parts
• We recommend using ferrules with crimping pliers to crimp exposed stranded
conductors. It’s simpler, neater and safer
INSTALLATION NOTES
WARNING: Shut o power and allow to cool
• Wipe gently with a dry, soft, cotton cloth
• Cleaning products, scratching, abrasion, damp, oils, liquids etc may have
a detrimental eect
HANDLING & CLEANING
4x
large
screw
• Drill + 6mm masonry bit
• Screwdriver suitable for screws
TOOLS REQUIRED
4x
medium
screw
4x
plastic
plug