
2
CAUTION: Keep hydraulic equipment
away from flames and heat. Excessive
heat will soften packings and seals,
resulting in fluid leaks. Heat also
weakens hose materials and packings. For optimum
performancedonotexposeequipmenttotemperatures
of 65°C [150°F] or higher. Protect hoses and cylinders
from weld spatter.
DANGER: Do not handle pressurized
hoses. Escaping oil under pressure can
penetrate the skin, causing serious injury.
If oil is injected under the skin, see a doctor
immediately.
Avoid situations where objects are not
directly centered in the vise jaws. Off-center
objects can produce considerable strain on
vise. In addition, the object may slip or fall, causing
potentially dangerous results.
BE SURE SETUP IS STABLE BEFORE
CLAMPING. Vise should be securely bolted
to a flat, solid surface capable of supporting
the load. Do not weld or otherwise modify the vise
cylinder to attach a base or other support.
IMPORTANT: Hydraulic equipment must
only be serviced by a qualified hydraulic
technician. For repair service, contact the
Authorized ENERPAC Service Center in your
area. To protect your warranty, use only ENERPAC oil.
WARNING: Immediately replace worn or
damaged parts with genuine ENERPAC parts.
Standard grade parts will break causing
personal injury and property damage.
ENERPAC parts are designed to fit properly and
withstand high loads.
3.0 HYDRAULIC VISE OPERATING SAFETY
WARNING: Failure to observe the following
safety precautions and instructions may
result in serious personal injury or death.
• Always wear safety glasses before operating vise.
• Keep all body parts, including hands and fingers,
away from vise jaw clamping area during vise
operation. Failure to observe this precaution may
result in serious personal injury. See Figure 1.
• Small parts should be held with pliers or other suitable
tool when clamping an object in the vise jaws. If
necessary, use a magnetic jaw plate to assist with
holding the object in place until the jaw is retracted.
• Never use your fingers to hold an item in place
during clamping. Use a pliers, magnetic clips or
other suitable tools.
• Center the object in the jaws so that the force will
be as evenly distributed as possible. Be certain that
any odd shaped objects are positioned securely, so
that they do not fly out when the jaw is retracted.
• The moving vise jaw is spring tensioned, and will
extend immediately when pressure is relieved. Stay
clear of the area in front of the jaw. Before relieving
pressure, be certain that no personnel are in front
of the jaw.
• The hydraulic vise offers three to five times more
clamping force than a standard bench vise. For this
reason, exercise care to ensure that objects are not
accidentally crushed and damaged in the vise.
• Always shut-off pump and disconnect hydraulic
hose from pump when finished using vise. Do not
leave vise connected and unattended.
WARNING: CRUSH AND
PINCH POINT HAZARD
• Never place fingers or hands in vise!
• Do not use fingers or hands to
position objects in vise!
Figure 1 - Crush and Pinch Point Hazard.
4.0 INSTALLATION
4.1 Pump Requirements
A 10,000 PSI [700 bar] hydraulic pump equipped with
a pressure release valve is recommended for use with
the vise. If desired, a pump equipped with a three-way
control valve (allowing oil flow back to tank) may also
be used.
Always check the pump hydraulic relief valve setting
before connecting the vise. The relief valve setting
must not exceed 10,000 PSI [700 bar].
If an air-powered hydraulic pump is used, an air
regulator must be installed in the air supply line,
limiting the maximum hydraulic pressure to 10,000
PSI [700 bar].
4.2 Preparation for Mounting
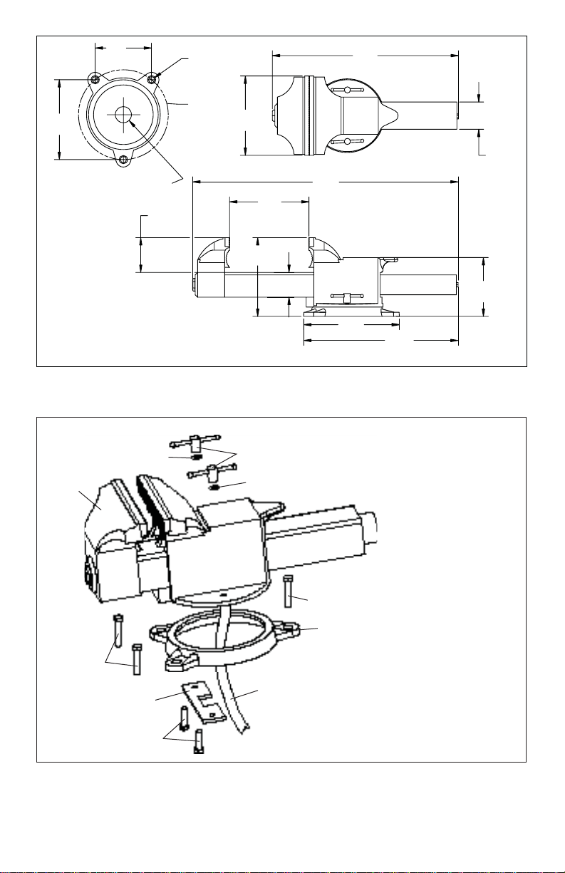
Prepare the vise mounting surface as shown in
Figure 2. Three 0.61 inch diameter [15,5 mm] holes
must be provided for the swivel base mounting bolts.
An additional 1.5 inch [38,1 mm] diameter hole must
be provided for the hydraulic hose.
Install the vise only on a solid mounting surface, such
as a workbench, rigid platform or structural support
member.
The mounting surface must be capable of supporting
the combined total weight of the vise, the swivel
base, and the object to be secured. It must also be
capable of withstanding any external forces that could
be transmitted to the vise and/or the object being
secured.
Note: The total weight of the vise and hydraulic hose
is approximately 66 pounds [29,9 kg].