
10 - FRANCAIS
SM1000-2P & SM1000-2PF MOTEUR SERVO ENDURO™ ELITE
AVEC INSTRUCTIONS D’UTILISATEUR DE POSITIONNEUR
Félicitations!
Vous avez acheté le moteur de SM1000-2 ENDURO™ ELITE qui est payée pour sa capacité de l’économie
d’énergie de 60% à 80% comparé auxquels d’embrayage. Avec l’augmentation du prix d’électricité, vous
ne peut plus acheter des moteurs d’embrayage. La puissance et capacité de dépense de SM1000 de non-
brosse Enduro™ Elite est exceptionnel. Son moteur n’éteindra pas.
Avant l’installation, l’opération et le maintien, lisez cette instruction.
Instruction générale
Le moteur Servo de SM1000 Enduro™ Elite est désigné spécialement pour le travail pénible fondamental
et demandes continues d’utilisation de différents genres de machine industrielle textile. Il utilise l’aimant
permanent de Neodymium de rare-sol avec l’énergie extrême. Le moteur ne produit presque pas de
bruit, économise l’énergie. Il est non- brosse, ajustable et durable en vitesse. Il offre une torque haute de
commence même si la vitesse est basse ou il y a une arrête complète.
Avec le micro-processeur avancé de technologie moderne, le capteur de grande salle et la technologie de
ModulationPulse-Ampleur, SM1000 Enduro™Elite peut s’ajuster àrotation de vitesses de maximumdifférentes
dans la direction normale et inverse. Il peut aussi mettre en fonction à vitesses accélérées différentes. Il peut
s’arrêter automatiquement avec toute interruption, par exemple, voltage de ligne, condensateur électrique,
interférence ou surcharge de la fréquence de radio. Il est entièrement protégé par logiciel. Quand il rencontre
des problèmes, il émettra les messages d’indication. Il travail aussi bien dans l’environnement de fourniture
branlante de force électrique.
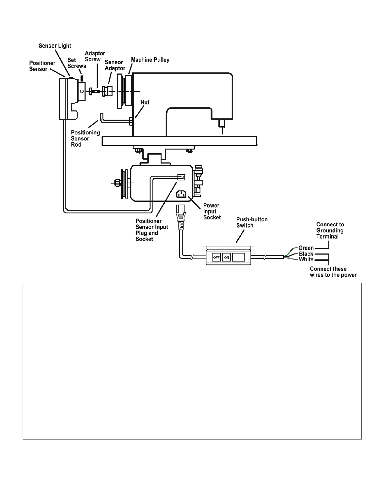
Le moteur de positionneur est servi avec le capteur de positionneur de la caisse à outils. Avec l’installation et
disposition correcte, Enduro™ Elite SM1000-2P peut offrir la localisation de vis précis UP même que DOWN
chaque fois. En plus de la localisation de vis, Enduro™ Elite SM1000-2PF offre la sortie d’élevé De pied qui
émet le signal de 24VDC pour activer solénoïdal d’élevé le pied pressé dans la machine textile.
CAUTION
1. En allumant le moteur, enlevez vos pieds.
2. Si vous voulez remplacer ou connecter le lament, éteindrez le moteur.
3. Eteindrez le moteur en quittant.
4. Eteindrez le moteur s’il y a une maintenance de la machine textile Enlevez le cordage d’électricité
derrière le moteur pour cesser complètement l’électricité de la machine textile.
5. Toujours connecter la mise à la terre.
6. Toujours éteindrez le moteur avant de connecter ou déconnecter chaque connecteur.
7. Pour éviter des accidents, n’ajustez pas le moteur ou la boîte de contrôle.
Garantie
Ce produit est fourni avec une garantie de 1 an. Si le moteur ne travail pas comme les fonctions désignés car
des fautes de manufacture, contactez le vendeur pour réparation ou remplacement.
Cette garantie n’inclut pas les situations comme tombe, élévation brutale de force, spike ou abus.
www.endurosaves.com