
Program Parameters for Generator Application
Program Parameters for Pump (Fire Pump) Applications
1 - When the -BATTERY applied to Rem. start input (terminal-11),
the engine start cranking. (leave key switch “1” position)
2 - When the +BATTERY applied to +BAT input (terminal-3),
the engine start cranking. (leave key switch “1” position)
0 - Disable. The start / stop buton is used. (leave key switch “1” position)
Prog No Parameter Name Unit Limits Default
P 00 Application Selection (Generator, Pump, Fire Pump) GEn, PUP, FPU GEn
P 01
P 02
P 04
P 06
P 07
P 08
P 09
Frequency Lower Limit
Frequency Upper Limit
-
Hz.
Hz.
30.0 - 75.0
30.0 - 75.0
47.0
53.0
Horn Duration Sec. 0= Cont. 1 - 999 30
Nominal Alternator Frequency Hz. 30.0 - 75.0 50.0
Nominal Speed Rpm 500 - 5000 1500
Stop/Fuel Solenoid Selection - StoP - FUEL FUEL
Stop Solenoid Energising Time Sec. 1 - 99 20
Crank Disconnect on Gen. Frequency Hz. 25.0 - 75.0 30.0
P 10
Crank Disconnect on Charge Alternator Voltage - diS - EnAb diS
P 11
Crank Disconnect on Oil Pressure - diS - EnAb EnAb
P 12
Number of Starting Attempts Number 1 - 10 3
P 13
Starting Attempt Duration Sec. 5 - 99 5
P 14
Oil Pressure Bypass Time Sec. 0 - 99 30
Safety On Delay
P 15
Sec. 0 - 99 10
Frequency Fault Control Delay Sec. 0.0 - 10.0 3.0
P 16
P 17
Engine Running Time Value & New Engine Running Time Hour 0 - 9999 0
Remote Start Selection:
P 18
P 19
Conf. Out Type: 0 - Alarm Out
2 - Preheat Out
- diS
- 0 - 2 1
1 - Horn Out
P 20
Conf. Input 1
0 - Only horn temporary, observation continuously
1 - Only horn permanent, observation continuously
2 - Engine stop, observation continuously
3 - Only horn temporary, observation while engine running
4 - Only horn permanent, observation while engine running
5 - Engine stop, observation while engine running
P 21
Conf. Input 2
0 - Only horn temporary, observation continuously
1 - Only horn permanent, observation continuously
2 - Engine stop, observation continuously
3 - Only horn temporary, observation while engine running
4 - Only horn permanent, observation while engine running
5 - Engine stop, observation while engine running
Password 0 - 9999 0-
P 03
P 05
0 - 5 0
0 - 5 0
-
-
0= diS 1 - 2
Prog No Parameter Name Unit Limits Default
P 00 Application Selection (Generator, Pump, Fire Pump) GEn, PUP, FPU PUP
P 06
P 08
P 09
-
Stop/Fuel Solenoid Selection - StoP - FUEL FUEL
Stop Solenoid Energising Time Sec. 1 - 99 20
P 10
Crank Disconnect on Charge Alternator Voltage - diS - EnAb diS
P 11
Crank Disconnect on Oil Pressure - diS - EnAb EnAb
P 12
Number of Starting Attempts Number 1 - 10 3
P 13
Starting Attempt Duration Sec. 5 - 99 5
Oil Pressure Bypass Time Sec. 0 - 99 30
Safety On Delay
P 15
Sec. 0 - 99 10
P 16
P 17
Engine Running Time Value & New Engine Running Time Hour 0 - 9999 0
P 18
P 19
Conf. Out Type 0 - Alarm Out
2 - Preheat Out
- diS
- 0 - 2 1
1 - Horn Out
Conf. Input 1
0 - Only horn temporary, observation continuously
1 - Only horn permanent, observation continuously
2 - Engine stop, observation continuously
3 - Only horn temporary, observation while engine running
4 - Only horn permanent, observation while engine running
5 - Engine stop, observation while engine running
Conf. Input 2
0 - Only horn temporary, observation continuously
1 - Only horn permanent, observation continuously
2 - Engine stop, observation continuously
3 - Only horn temporary, observation while engine running
4 - Only horn permanent, observation while engine running
P 05
0 - 5 0
0 - 5 0
-
-
0= diS 1 - 2
Horn Duration Sec. 0= Cont. 1 - 999 30
P 20
P 21
5 - Engine stop, observation while engine running
Password 0 - 9999 0-
1 - When the -BATTERY applied to Rem. start input (terminal-11),
the engine start cranking. (leave key switch “1” position)
2 - When the +BATTERY applied to +BAT input (terminal-3),
the engine start cranking. (leave key switch “1” position)
0 - Disable. The start / stop buton is used. (leave key switch “1” position)
Remote Start Selection:
2
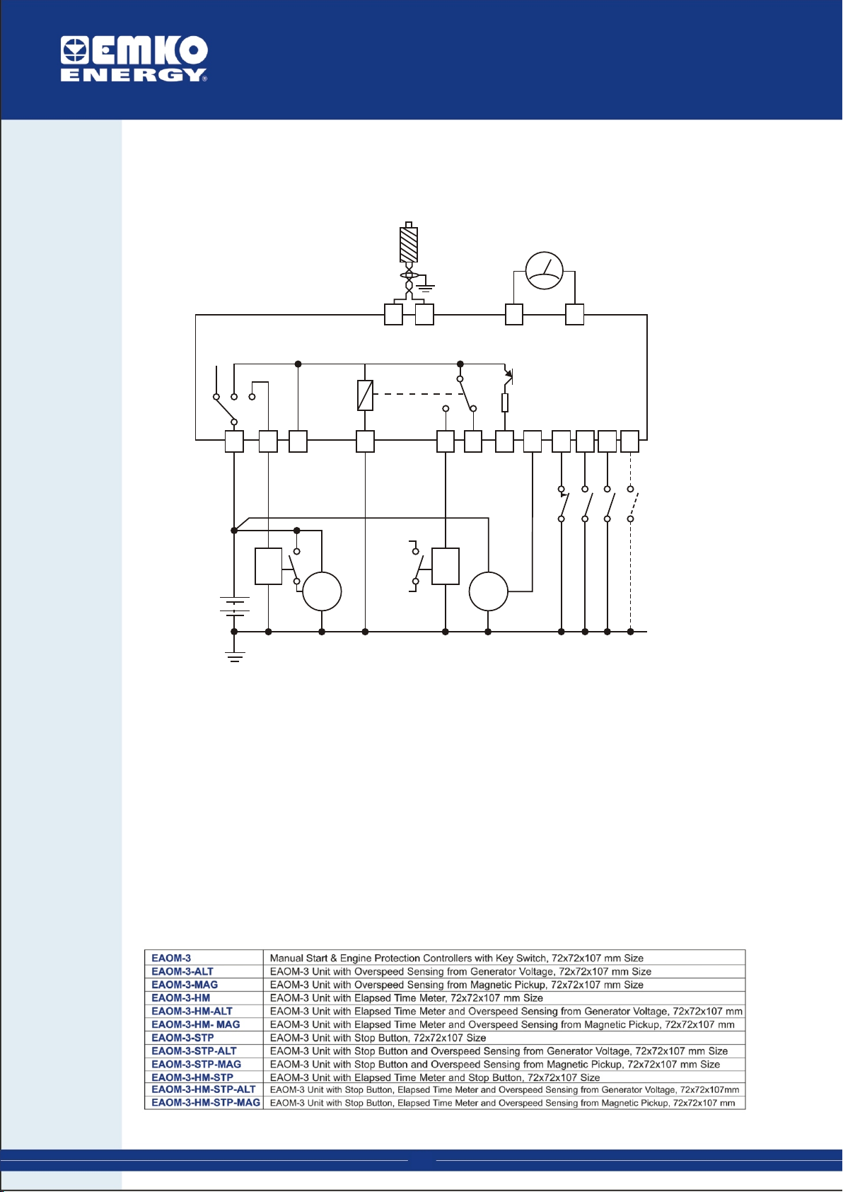
Manual and Remote Start Unit with Key Switch, 72x72 DIN Size