
Installation, Service Instructions & Parts
Quality Designed for Proven Performance Printed in USA
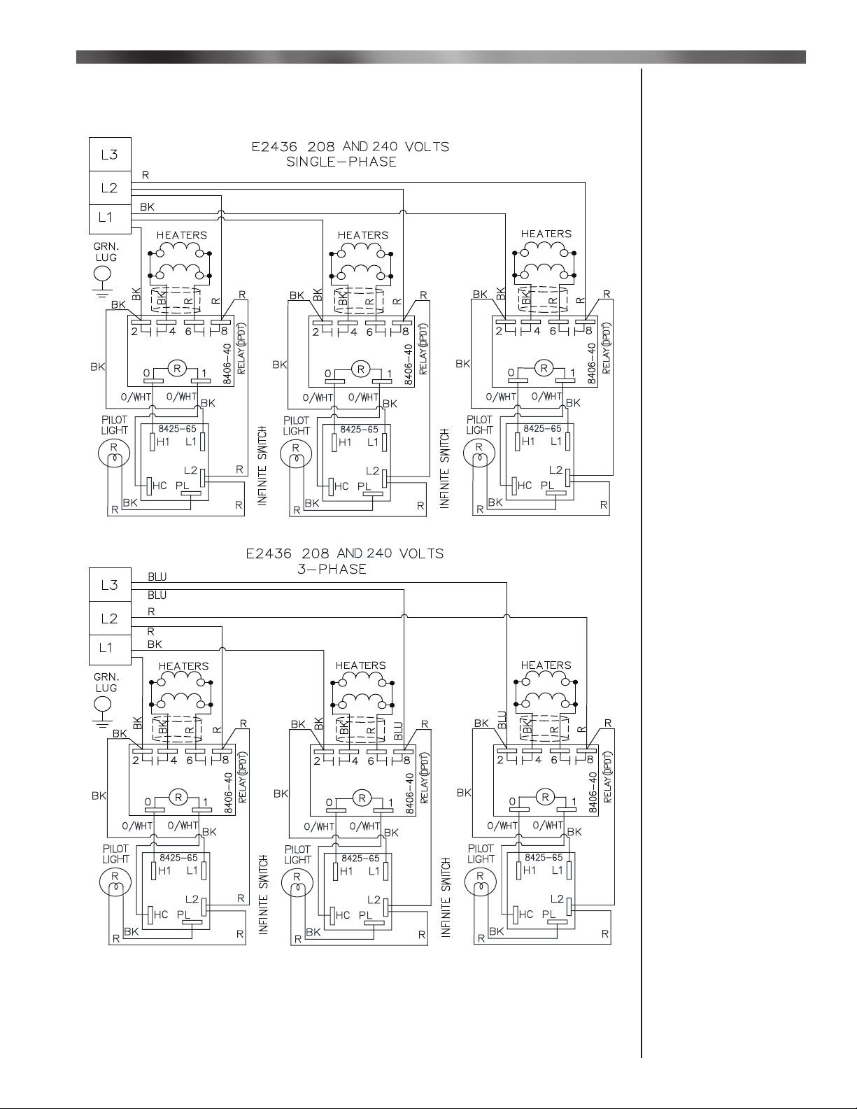
8471 65
AVOID ERROR IN PARTS SELECTION. When ordering
use complete EMBERGLO Part Number and Description.
Furnish Model Number, Bill of Material Number and Serial
Number (if available) from the specifi cation plate found on
the product.
IMPORTANT: Availability of parts as well as specifi cations
are subject to change without notice. Please consult factory
for item availability.
SAFETY INFORMATION TERMS: The following terms are used to identify hazards, safety precaution of
special notations and have standard meanings throughout this manual. They are printed in all capital letters
using a bold type face as shown below, and preceded by the exclamation mark symbol. When you see the
safety alert symbol and one of the safety information terms as shown below, be aware of the hazard potential.
DANGER: Identifi es the most serious hazards which will result in severe personal injury or
death.
WARNING: Signifi es a hazard that could result in personal injury or death.
CAUTION: Identifi es unsafe practices which would result in minor personal injury or product and
property damage.
EmberGlo
A Div of Midco® International Inc.
4140 West Victoria Street
Chicago, Illinois 60646
toll free 866.705.0514
tel 773.604.8700
fax 773.604.4070
web www.emberglo.com
WARNING: Improper installation, adjustment,
alteration, service or maintenance can cause property
damage, injury or death. Read the installation, operating
and maintenance instructions thoroughly before installing
or servicing this equipment.
FOR YOUR SAFETY
Do not store or use gasoline or other fl ammable liquids
and vapors in the vicinity of this or any other appliance.
PURCHASER: Retain these instructions for future use.
INSTALLER: Inform and demonstrate to the user the correct
operation and maintenance of the equipment. Inform the user
of the hazards of storing fl ammable liquids and vapors in the
vicinity of this equipment and remove such hazards.
USER: Retain this manual for future reference. If other than
routine service or maintenance as described in this manual
and associated literature is required, contact a qualifi ed service
agency. DO NOT ATTEMPT REPAIRS. An inadvertent service
error could result in a dangerous condition.
Warranty
See the back of this manual for the warranty.
This warranty does not apply to damages resulting from
accident, misuse, abuse or alteration. No equipment may be
returned without written authorization from EmberGlo (or Midco
International Inc.) . Returned goods must be shipped prepaid
to the factory. Warranty card must be fi lled in and returned to
EmberGlo (or Midco) to validate warranty.
CAUTION: This manual contains suffi cient information
for installation of the EmberGlo Broiler in normal locations.
In the United States, installation must conform with local codes.
CODE COMPLIANCE IS THE SOLE RESPONSIBILITY OF
THE INSTALLER.
CAUTION: Cooking equipment should be used in an
environment protected by an automatic fi re suppression system.
Consult the National Fire Protection Association NFPA Code 96
or the latest edition of Standards for Installation of Equipment for
Removal of Smoke and Grease-Laden Vapors From Commercial
Cooking Equipment.
CAUTION: To avoid grease fi lter fi re hazard,
commercial kitchen exhaust hoods should be positioned at
a minimum of 3½ feet above the broiler cooking surface, as
specifi ed by Commercial Grease Removal, Building Offi cials
& Code Administrators International Inc. and the National
Mechanical Code, 1990 Seventh Edition (or latest edition), Article
5, Section M504.0, Table M504.3.2.
WARNING: Additions, changes, conversions and
service must be performed by an authorized EmberGlo
representative or service agency. Use only EmberGlo specifi ed
and approved parts.
MADE in the USA
As an ISO 9001:2008 certified company, we proudly design, manufacture and assemble our products in Chicago, Illinois, USA. 318
Electric Char Broiler
E2436
Model Voltage Model Number
E2436 208 V Single Phase 5700301
E2436 208 V Three Phase 5700303
E2436 240 V Single Phase 5700300
E2436 240 V Three Phase 5700304
E2436 440 V Three Phase 5700305
E2436 480 V Three Phase 5700306
36″ Wide Electric Char Broilers
Counter Top Models
Model Voltage Model Number
E2436F 208 V Single Phase 5700501
E2436F 208 V Three Phase 5700503
E2436F 240 V Single Phase 5700500
E2436F 240 V Three Phase 5700504
E2436F 440 V Three Phase 5700505
E2436F 480 V Three Phase 5700506
Floor Models