
ED591- NAVIGATION PANEL ED591 IM REV 3 - 26.05.2020 3
IMPORTANT: THE EQUIPMENT MUST NOT BE MODIFIED IN ANY WAY AND MUST BE INSTALLED AND SERVICED BY
COMPETENT PERSONNEL ONLY. IF IN DOUBT CONSULT ELECTRONIC DEVICES LTD (01684) 891500
GENERAL
The ED591 is a nine position navigation light control and monitoring equipment which can be provided to suit individual boat and
ship requirements. Operating from a nominal 12 or 24VDC supply depending upon model.
INSTALLATION
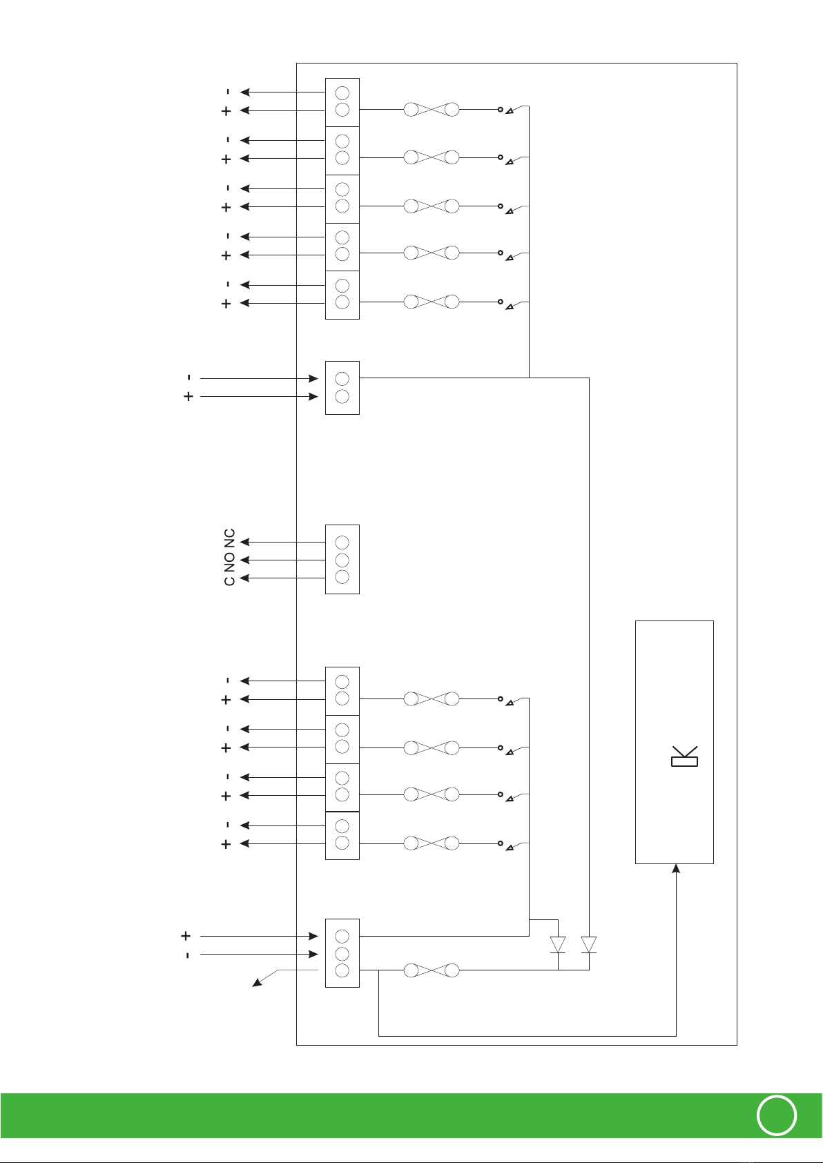
CONTROL PANEL
The control unit should be mounted in a convenient position for the operator away from possible mechanical damage. Remove
the enclosure and use it to mark out the mounting holes and cut out on to the bulkhead. Mount the control panel on to the
bulkhead temporarily using the M3 nuts and bolts provided. Once the electrical installation is completed, remove the nuts and
screw the M3 bolts directly in to the captive nuts mounted on the enclosure.
The fuses tted as standard are 1A for the control unit fuse and 4A for each lamp. The current, drawn from the vessels power
supply, will depend upon peripheral items connected. The control unit (not including navigation lamps) typically will draw no more
than 150mA in worst case.
Cable entry must be made through the cable glands supplied. The enclosure has 12 x 20mm holes and the cable glands, should
be mounted in the most suitable positions. The unused holes should have the 20mm blind grommets (supplied) tted.
NAVIGATION LAMPS
The ED591, as standard, is designed for lament lamps with the following rating:
12V model 12VDC 5 - 30W
24V model 24VDC 10 - 60W
An extended range is available, to include the use of low consumption LED lamps, please contact EDL for more details.
The choice of navigation lamps, colours, power, location etc., Should conform to appropriate marine standards.
WIRING
It is important that cable with the correct cross sectional area is chosen, keepingthe voltage drop along the cable to a minimum.
In particular the two DC input cables should be capable of carrying sufcient current for all of the navigation lamps being
operated. All cables used should be suitable for marine applications.
PERIPHERAL EQUIPMENT
Voltage free relay contacts are provided, allowing the use of external and more powerful sounders and or beacons.
The relay provided is rated at 1A Max @ 30VDC non-inductive.
For low consumption sounders and beacons a fused output is provided. The current drawn from this terminal MUSTbe less than
200mA to avoid damaging the control unit.
OPERATION
With all navigation lamps turned off only the power LED should be illuminated. Pressing one of the front panel mounted toggle
switches will turn on the appropriate navigation lamp. Additionally the associated front panel LED will illuminate green.
If one of the “ON” navigation lamps fail the associated front panel LED will illuminate yellow and the internal buzzer, and any
external devices tted, will operate. To silence the internal and external buzzer turn off the appropriate front panel toggle switch.