GmbH • Hirschberger Ring 45 • 94315 Straubing • Telefon (09421) 706-0 • Telefax (09421) 706-265
Subject to change without prior notice. Printed in Germany A 24-Sep-08 F.01U.076.821
Technical Specifications
Depending on the ambient temperature, the unit might not operate continously at 2 Ωload in Dual Mode or 4 Ωin Bridged Mode.
In addition input power exceeds 1.1 times rated power consumption with 2 Ωload in Dual Mode or 4 Ωload in Bridged Mode
Q44 Q66 Q99 Q1212
Load Impedance 2 Ω4Ω8Ω2Ω4Ω8Ω2Ω4Ω8Ω2Ω4Ω8Ω
Maximum Midband Output Power
THD = 1%, 1 kHz, Dual Channel 650 W 450 W 270 W 900 W 600 W 380 W 1250 W 900 W 550 W 1800 W 1200 W 750 W
Rated Output Power
THD < 0.1%, 20 Hz...20 kHz - 400 W 200 W - 500 W 250 W - 800 W 400 W - 1100 W 550 W
Maximum Single Channel Output Power
Dynamic-Headroom, IHF-A 1150 W 660 W 350 W 1700 W 950 W 480 W 2450 W 1400 W 700 W 3400 W 1800 W 950 W
Maximum Single Channel Output Power
Continuous, 1 kHz 850 W 540 W 310 W 1200 W 750 W 420 W 1700 W 1100 W 630 W 2400 W 1500 W 850 W
Maximum Bridged Output Power
THD = 1%, 1 kHz - 1300 W 900 W - 1800 W 1200 W - 2800 W 1800 W - 3600 W 2400 W
Maximum RMS Voltage Swing
THD = 1%, 1 kHz 55.3 V 65.1 V 78.8 V 90.6 V
Power Bandwidth
THD = 1%, ref. 1 kHz, half power @ 4 Ω< 10 Hz...30 kHz
Voltage Gain, ref. 1 kHz 32.0 dB
Input Sensitivity
rated power @ 8 Ω, 1 kHz +2.2 dBu (1.0 Vrms) +3.1 dBu (1.11 Vrms) +5.1 dBu (1.39 Vrms) +6.6 dBu (1.66 Vrms)
THD at rated output power
MBW = 80 kHz, 1 kHz < 0.03%
IMD-SMPTE, 60 Hz, 7 kHz < 0.1%
DIM30, 3.15 kHz, 15 kHz < 0.05%
Maximum Input Level +21 dBu (8.69 Vrms)
Crosstalk
ref. 1 kHz, at rated output power < -80 dB
Frequency Response, ref. 1 kHz 10 Hz...40 kHz (±1 dB)
Input Impedance, active balanced 20 kΩ
Damping Factor, 1 kHz > 300
Slew Rate 25 V/μs 26 V/μs 27 V/μs30V/μs
Signal to Noise Ratio Amplifier
A-weighted > 106 dB > 107 dB > 109 dB > 110 dB
Output Noise, A-weighted < -71 dBu
Output Stage Topology Class AB Class H
Power Requirements 240 V, 230 V, 120 V or 100 V; 50 Hz...60 Hz (factory configured)
Power Consumption
1/8 maximum output power @ 4 Ω550 W 700 W 700 W 850 W
Mains Fuse 240 V / 230 V: T10AH;
120 V / 100 V: T20AH
240 V / 230 V: T12AH;
120 V / 100 V: T25AH
240 V / 230 V: T15AH;
120 V / 100 V: T25AH
240 V / 230 V: T15AH;
120 V / 100 V: T30AH
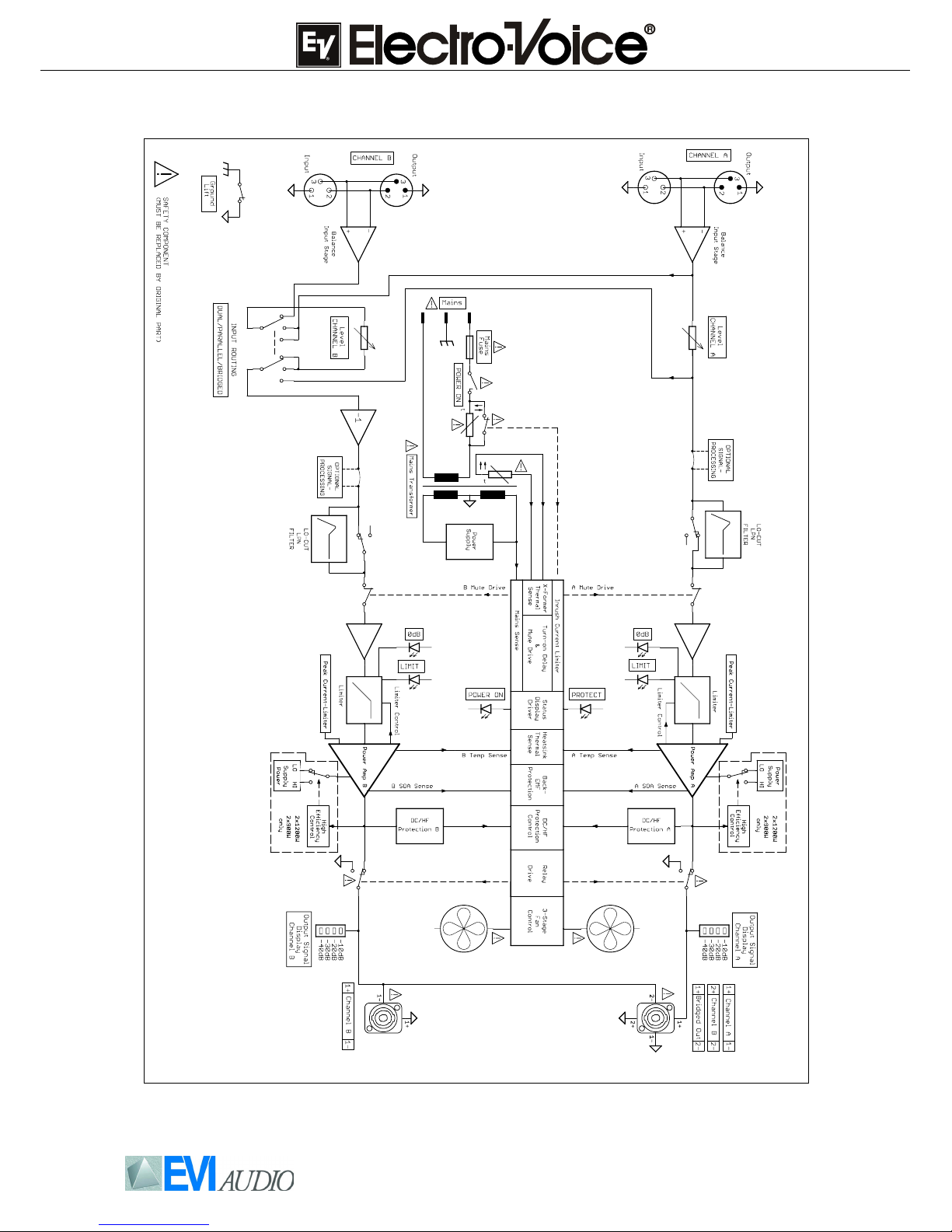
Protection Audio limiters, High temperature, DC, HF, Back-EMF, Peak current limiters, Inrush current limiters, Turn-
on delay
Cooling Front-to-rear, 3-stage-fans
Ambient Temperatur Limits +5 °C...+40 °C (40 °F...105 °F)
Safety Class I
Dimensions (W x H x D), mm 483 x 88.1 x 421.5
Weight 12.6 kg (27.8 lbs) 14.8 kg (32.6 lbs) 16.3 kg (35.9 lbs) 17.7 kg (39.0 lbs)
Signal Processing LPN, switchable
Optional Rear-rackmount D113223 (RMK-15)