Echo PRO Attachment Series PAS-260 Mode d’emploi
Autres manuels Echo Tondeuse

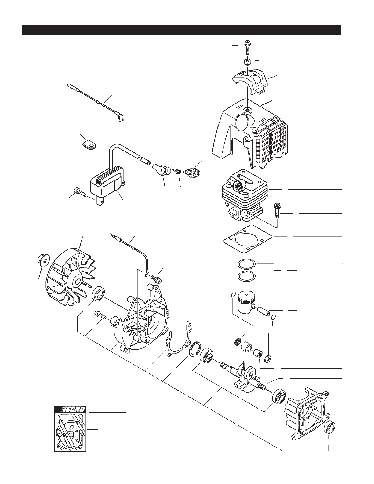
Echo
Echo HSD 600 Profi Manuel utilisateur

Echo
Echo HCA-2620 Manuel utilisateur

Echo
Echo SHC-210 Manuel utilisateur

Echo
Echo SRM-225 - 09-10 Manuel utilisateur

Echo
Echo SRM-261T Mode d’emploi

Echo
Echo 02999999 Manuel utilisateur

Echo
Echo SRM-225 - PARTS CATALOG SERIAL NUMBER... Mode d’emploi

Echo
Echo SRM-3610T Manuel utilisateur

Echo
Echo HCR-1501 Manuel utilisateur

Echo
Echo SRM - 280U Manuel utilisateur

Echo
Echo SRM-360SL Manuel utilisateur

Echo
Echo SRM-335TES Manuel utilisateur

Echo
Echo SRM-2400 TYPE 1E - PARTS CATALOG SERIAL NUMBER... Mode d’emploi

Echo
Echo GT-200R - PARTS CATALOG SERIAL NUMBER 07001001-... Mode d’emploi

Echo
Echo SRM-231U Manuel utilisateur

Echo
Echo GT-200 - PARTS CATALOG SERIAL NUMBER 08001001-... Mode d’emploi

Echo
Echo WT-1610SP Manuel utilisateur

Echo
Echo SRM-222ES Manuel utilisateur

Echo
Echo SRM-510ES Manuel utilisateur

Echo
Echo HCA-265ES-LW Manuel utilisateur































