
Operating instructions
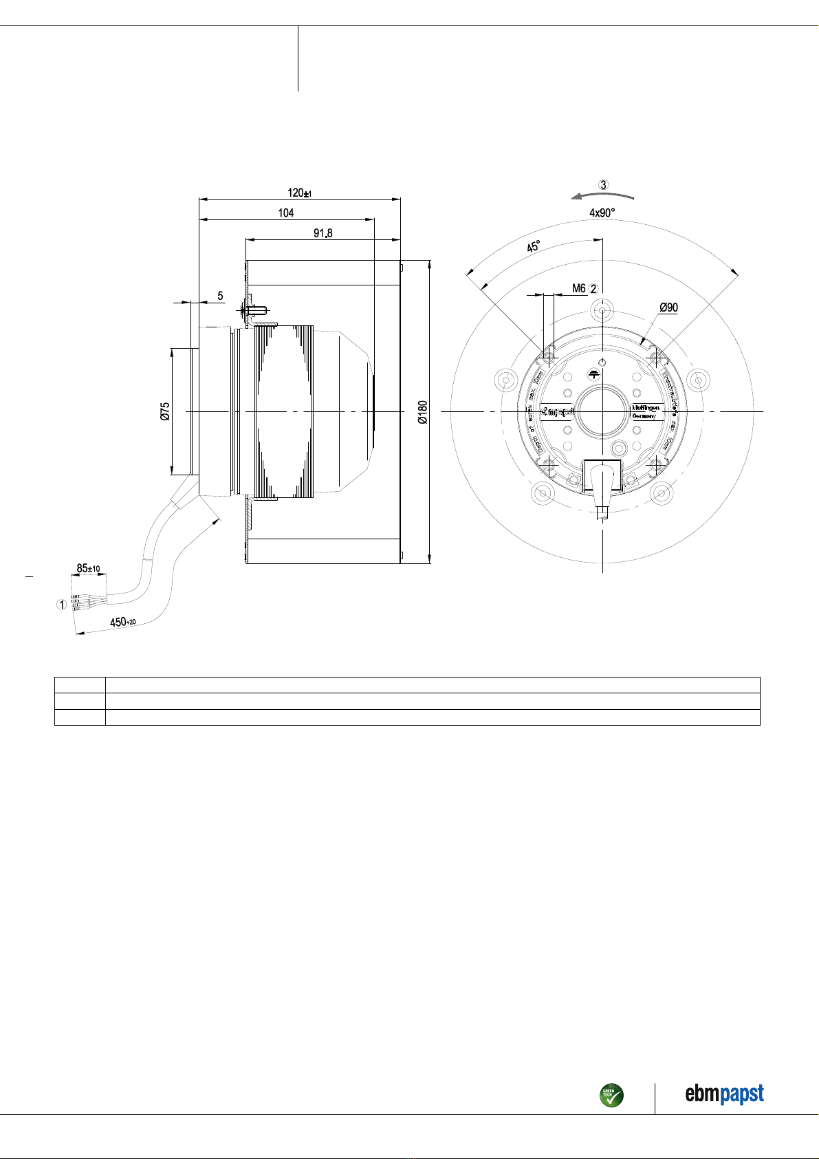
R4E180-AS11-05
Translation of the original operating instructions
In the event of further malfunctions, contact ebm-papst.
5.1 Cleaning
To ensure a long service life, check the fans regularly for proper
operation and soiling. The frequency of checking is to be adapted
accordingly depending on the degree of soiling.
DANGER
Risk of injury from rotating fan.
→ Only clean when not in motion. Interrupt the power supply,
secure against renewed switch-on. Secure against start-up,
prevent air flow.
;Dirt deposits on the motor housing can cause overheating of the motor.
;Soiling of the impeller can cause vibration that will shorten the service
life of the fan.
;Severe vibration can destroy the fan.
;In such cases, switch off the fan immediately and clean it.
;The preferred method of cleaning is dry cleaning, e.g. using
compressed air.
;Do not use aggressive cleaning agents!
NOTE
Damage to the device during cleaning
Malfunction possible
→ Do not clean the device using a water jet or high-pressure
cleaner.
→ Do not use any acid, alkali or solvent-basedcleaning
agents.
→ Do not use any pointed or sharp-edged objects for cleaning
;Completely remove any cleaning agents used.
;If severe corrosion is visible on load-bearing or rotating parts, switch
off the device immediately and replace it.
;Repair of load-bearing or rotating parts is not permitted!
;Operate the fan for 2 hours at maximum speed so that any water that
has ingressed can evaporate.
;If cleaning does not eliminate vibrations, the fan may need to be
rebalanced. To have it rebalanced, contact ebm-papst.
;The fan is equipped with maintenance-free ball bearings. The lifetime
lubrication of the ball bearings is designed for a service life of 40,000
hours.
;If bearing replacement is necessary after that period, contact ebm-
papst.
;Adapt the maintenance intervals to the actual level of dust exposure.
5.2 Safety inspection
What to check How to check How often What action?
Contact
protection
cover for
intactness or
damage
Visual inspection At least every
6 months
Repair or
replacement of
device
Device for
damage to
blades and
housing
Visual inspection At least every
6 months
Replacement of
device
Fastening the
cables
Visual inspection At least every
6 months
Fasten
Fastening the
protective earth
terminal
Visual inspection At least every
6 months
Fasten
Insulation of
cables for
damage
Visual inspection At least every
6 months
Replace cables
Impeller for
wear/deposits/
corrosion and
damage
Visual inspection At least every
6 months
Clean impeller
or replace device
Condensation
drainage holes
for clogging,
where necessary
Visual inspection At least every
6 months
Open holes
Abnormal
bearing noise
acoustic At least every
6 months
Replace device
5.3 Disposal
For ebm-papst, environmental protection and resource preservation are
top priority corporate goals.
ebm-papst operates an environmental management system which is
certified in accordance with ISO 14001 and rigorously implemented
around the world on the basis of German standards.
Right from the development stage, ecological design, technical safety
and health protection are fixed criteria.
The following section contains recommendations for ecological disposal
of the product and its components.
5.3.1 Country-specific legal requirements
NOTE
Country-specific legal requirements
Always observe the applicable country-specific legal
regulations with regard to the disposal of products or waste
occurring in the various phases of the life cycle. The
corresponding disposal standards are also to be heeded.
5.3.2 Disassembly
Disassembly of the product must be performed or supervised by
qualified personnel with the appropriate technical knowledge.
The product is to be disassembled into suitable components for disposal
employing standard procedures for motors.
WARNING
Heavy parts of the product may drop off. Some of the
product components are heavy. These components
could drop off during disassembly.
This can result in fatal or serious injury and material damage.
→ Secure components before unfastening to stop them falling.
5.3.3 Component disposal
The products are mostly made of steel, copper, aluminum and plastic.
Metallic materials are generally considered to be fully recyclable.
Separate the components for recycling into the following categories:
●Steel and iron
●Aluminum
●Non-ferrous metal, e.g. motor windings
●Plastics, particularly with brominated flame retardants, in accordance
with marking
●Insulating materials
Item no. 10300-5-9970 · ENU · Change 202174 · Approved 2019-01-04 · Page 10 / 11
ebm-papst
Mulfingen
GmbH
&
Co.
KG
·
Bachmühle
2
·
D-74673
Mulfingen
·
Phone
+49
(0)
7938
81-0
·
Fax
+49
(0)
7938
81-110
·
[email protected] ·
www.ebmpapst.com