
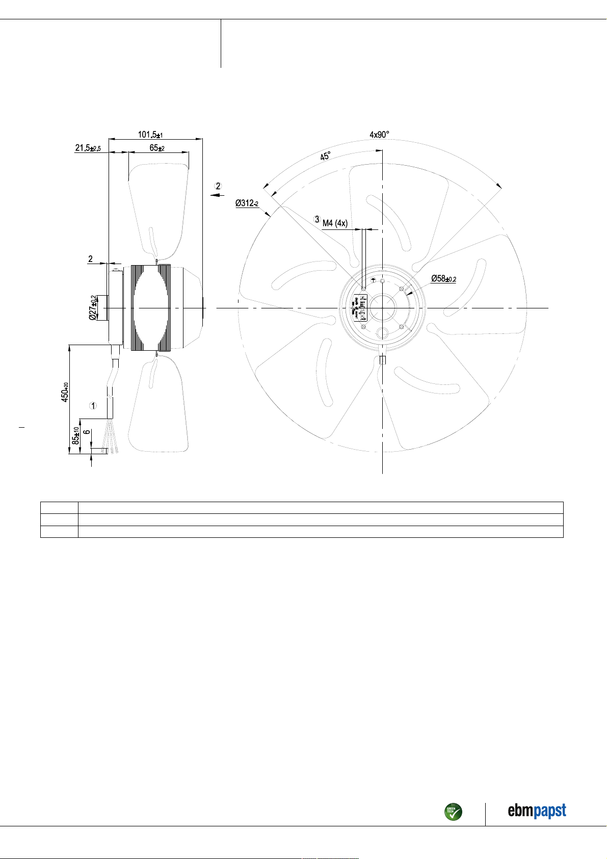
Operating instructions
A4E315-AA05-01
Translation of the original operating instructions
CAUTION
In the event of failure, there is electric voltage at the
rotor and impeller
The rotor and impeller are base insulated.
→ Do not touch the rotor and impeller once they are installed.
CAUTION
The motor restarts automatically when operating voltage
is applied, e.g. after a power failure.
Danger of injury
→ Keep out of the danger zone of the device.
→ When working on the device, switch off the mains
supply voltage and secure the latter from being switched on
again.
→ Wait until the device stops.
1.5 Safety and protective functions
DANGER
Missing safety device and non-functioning safety device
If there is no safety device, you could be seriously injured, for
example by reaching into the running device with your hands.
→ Operate the device only with a fixed and isolating safety
protection and a fixed guard grille. The guard must withstand
the kinetic energy of a fan blade detaching at maximum
speed.
→ The device is a built-in component. You, the owner/
operator, are responsible for providing adequate protection for
the device.
→ Shut down the device immediately if you detect a
missing or ineffective protective feature.
1.6 Mechanical movement
DANGER
Rotating device
Body parts that come into contact with the rotor and impeller
can be injured.
→ Secure the device against accidental contact.
→ Before working on the system/machine, wait until all
parts have come to a standstill.
WARNING
Rotating device
Long hair, loose items of clothing and jewellery could become
entangled and pulled into the device. You could be injured.
→ Do not wear any loose clothing or jewellery while working
on rotating parts.
→ Protect long hair by wearing a cap.
1.7 Emission
WARNING
Depending on the installation and operating conditions,
a sound pressure level greater than 70 dB(A) may arise.
Danger of noise-induced hearing loss
→ Take appropriate technical safety measures.
→ Protect operating personnel with appropriate safety
equipment, e.g. hearing protection.
→ Also observe the requirements of local agencies.
1.8 Hot surface
CAUTION
High temperature at the motor housing
Danger of burn injuries
→ Ensure that sufficient protection against accidental contact is
provided.
1.9 Transport
NOTE
Transport of device
→ Transport the device in its original packaging only.
→ Secure the device so that it does not slip, e.g. by using a
clamping strap.
1.10 Storage
;Store the device, partially or fully assembled, in a dry and
weatherproof manner in the original packing in a clean environment.
;Protect the device from environmental impacts and dirt until the final
installation.
;We recommend storing the device for a maximum up to one year to
guarantee proper operation and longest possible service life.
;Even devices explicitly suited for outdoor use are to be stored as
described prior to being commissioned.
;Maintain the storage temperature, see
chapter 3.5 Transport and storage conditions.
1.11 Disposal
When disposing of the device, please comply with all relevant
requirements and regulations applicable in your country.
Item no. 11650-5-9970 · Revision - · Release 2011-09-26 · Page 2 / 9
ebm-papst
Mulfingen
GmbH
&
Co.
KG
·
Bachmühle
2
·
D-74673
Mulfingen
·
Phone
+49
(0)
7938
81-0
·
Fax
+49
(0)
7938
81-110
·
[email protected] ·
www.ebmpapst.com