Duomo KS22 Manuel utilisateur

KS22 -TrioSafestart for G621
t: 01905 797989
KS22 Trio Safestart for G621
FEATURES
■Touchpad control panel suitable for use with G621
■Gas Safestart Gas proving system.
■Unique, programmable access code
■Starts ventilation, checks fan operation, starts Gas
■Visually displays failure type (Air or Gas)
■Automatically isolates gas supply at low pressure
■Checks downstream pipework before initiating gas
supply.
■IGE/UP/2 Edition 2 and BS6173:2009 compliant
■2 year guarantee - 3 year by registering at duomo.co.uk
SPECIFICATION
Power
Power Supply 230VAC 50Hz/60Hz ± 15%
Power Consumption 7VA Maximum
Max out Current (All relays) 3A resistive
Max out Switching Voltage 250VAC / 100VAC
Max out breaking capacity 2500VA
Out contact operations > 100 x 103
External limit contact > 3A @250VAC
Line Fuse 5 x 20 SNOWBLOW 3A
Technical Specication
Dimensions Width 200mm |Height 110mm |Depth 60mm
Display N/A (Illuminated Touchpad)
Mounting Wall mounted
Relative Humidity Also condensing 90% max
Working Temperature 0 to 60°C
Storage Temperature 20 to 80°C
Protective Rating IP66
Conguration
G621 Safestart Assembly max
Operating Pressure
50mbar
Approvals, Certications and Guarantee
Guarantee 2 year as standard
3 year by registering at www.duomo.co.uk
Gas
Proving
System
Touchpad
Control
G621
Compatible
Access
Code
Dimensions

t: 01905 797989
KS22 -TrioSafestart for G621 Application
“Prior to light-up of manually operated plant, it is es-
sential to ensure that all manual valves on burners or
appliances are in the closed position. This can be per-
formed by permitting a small, and controlled, ow of
gas through a limiting orice to by-pass the SSOVs.
If any of the downstream valves are not closed, the
pipework will not pressurise and, thus, the circuitry will
prohibit the opening of the SSOVs.”
IGEM/UP/2 Edition 2 Installation pipework on industri-
al and commercial premises.
“Systems that do not use a controlled by-pass are not
considered to comply with this Appendix as the control
of entry/leakage of gas into downstream plant may not
be sucient to ensure safety. The use of systems rely-
ing on the opening of a large SSOV to pressurise the
downstream system may lead to excessive release of
gas.”
“The gas supply system shall be interlocked with any
mechanical ventilation supply or extract system and
this will normally require the tting of an automatic
valve.”
BS6173:200 Installation of gas red catering applianc-
es for use in all types of catering establishments.
“Whenever an automatic electric isolation valve sys-
tem is used, an automatic system for proving that all
downstream gas supplies to the burners and pilots
have been turned of shall be employed prior to the
valve being re-energized to open.”
In accordance with these requirements, the Trio Saf-
estart securely isolates and safely re-establishes the
gas supply to any area which relies on manual isola-
tion of gas outlets (e.g. in hotels, fast food restaurants,
schools, colleges and canteens).
Trio Safestart protects personnel and property from
damage caused by gas leaks. Inadvertently or inten-
tionally leaving manual gas taps open is dangerous,
even when the gas supply is turned o.
If the supply is reinstated with taps open an undetect-
ed gas leak will exist. The Trio Safestart prevents this
by checking the integrity of the downstream pipe work
before allowing the main gas to be opened.
The control panel ensures that only authorized, com-
petent personnel are able to initiate gas supply, thus
preventing vandalism and misuse of gas equipments.
If the supply gas pressure drops below a preset
threshold the system will automatically operate the
low pressure cut o and the gas will be safely isolated.
Operation
1. Connect the Trio Safestart to a power supply. A self
test procedure will run. If a failure is detected the green
POWER light will blink and local buzzer will sound (1,5
Hz).
2. Enter numeric password (1 to 8 characters). At each
press the active key will turn to red and a short tone
will conrm the operation. Push the to conrm
the code and run the proving test. (NOTE: In case of
incorrect password the buzzer will make a single long
tone (1,5 sec). If the password matches the buzzer will
make 3 short tones. Press the Xat anytime to halt the
operation).
3. During the proving stage, the AIR light will ash waiting
for the extract and supply air to be proven within 30
seconds. Once the air is proven the it will stay ON.
4. The GAS light will ash until the gas test is completed.
5. A failure on AIR or GAS will enter an alarm condition,
the relevant light will blink and an alarm will sound. The
gas valve will be turned o and the system will require
a manual reset once the problem has been resolved.
6. At any time it is possible to close the GAS Valve and
reach a standby condition pressing the STOP button.
Password Setup
The Default password is 1, 2, 3, 4.
1. To enter password conguration mode
Press and hold keys 1, 6 and 7 together for 5 seconds
until the keypad backlight turns red.
2. Enter new numeric password (1 to 8 characters
length). At each press the active key will turn o
momentarily. Press the to conrm the code.
3. 3. Press the CANCEL key to exit conguration mode at
any time, leaving the password unchanged.
Duomo UK Ltd guarantees for two years from the date
of manufacture of its product to replace any product
or part thereof which is found to be defective from
manufacture or material failure. Duomo UK Ltd makes
no warranty of merchantability or any other warranty
express or implied. In no event shall Duomo UK Ltd
be liable for consequential or special damages of any
nature which may arise from incorrect application and
installation of this product.
When Duomo UK Ltd products are combined with
equipment manufactured by others and/or integrated
into systems designed or manufactured by others, the
Duomo UK Ltd warranty pertains only to Duomo UK
Ltd products and not to any other equipment or to the
combined system or its overall performance.
Fault Memory
The Trio Safestart features a unique 'fault memory'
system. When the unit goes into alarm, the cause is
logged in an internal memory. The next time the unit is
powered up, the last cause of alarm (either Power,
Air or Gas) will ash during the self diagnostic stage
allowing an engineer to quickly diagnose the fault on
site.

t: 01905 797989
21 3
POWER AIR GAS
E E Ph N GND 1 2 3 4 5 6
7 8 9 10 11 12 13 14 15 16 17 18 Output
Terminal
Input
Terminal
Stop Key
Gas Light
Abort Key
Enter Key
Fuse 3A
Power on Light
Air Light
1 2
4 5
7 8
3
6
9
X
0
STOP
KS22 Keypad Layout
Terminal Connections

t: 01905 797989
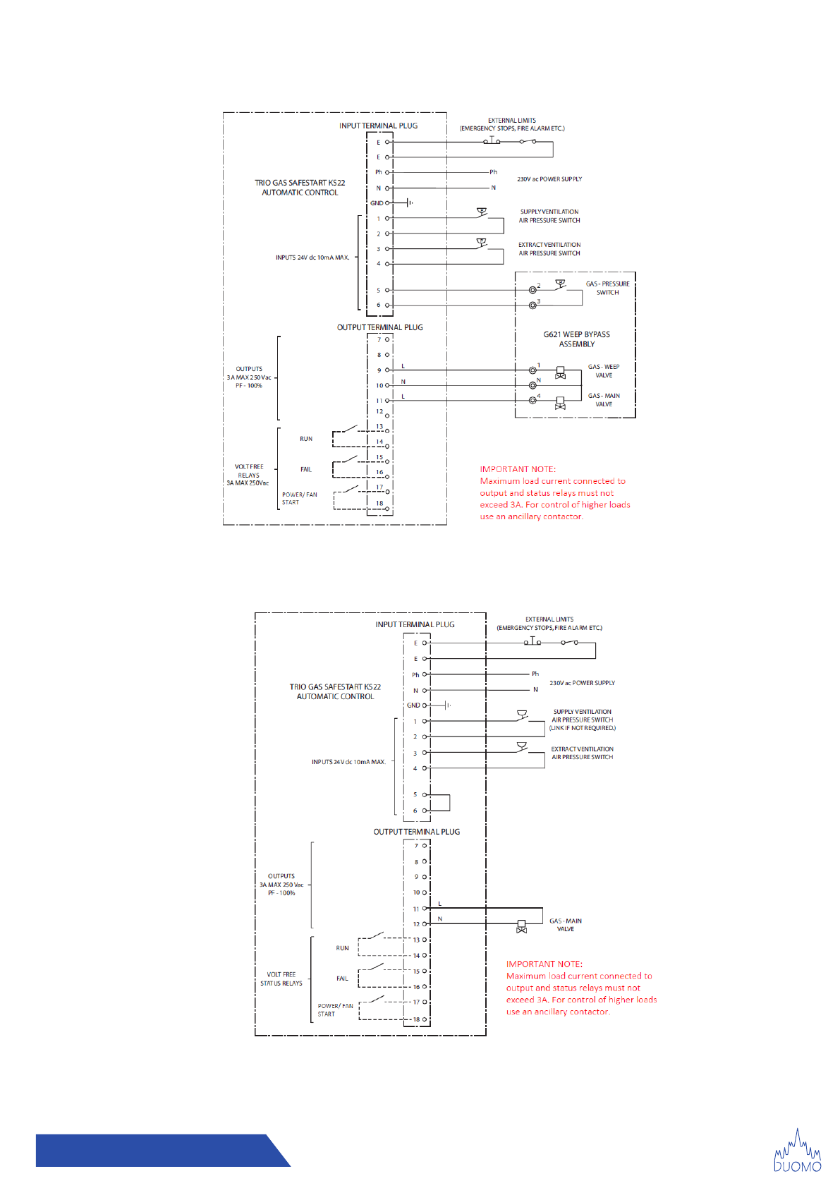
Wiring Diagrams
A Typical electrical connection schematic for a commercial catering kitchen. Flame failure devices ARE NOT fitted
to all A Typical electrical connection schematic for a commercial catering kitchen. Flame failure devices ARE NOT
fitted to all gas appliances.This system shows Ventilation proved using ADP10 air pressure switches (Fig. 2)
A Typical electrical connection for a commercial catering kitchen when flame failure devices are fitted to all gas
appliances.This system shows ADP10 air pressure switches for supply and extract (Fig. 3)

t: 01905 797989
Troubleshooting
The Problem The Solution
Blank display If no E stop tted. Link out E & E Terminals
Still experiencing difficulties?
If you have made the checks above and are still experiencing diculties then please call Duomo (UK) Ltd on
+441905 797989 for technical assistance.

www.duomo.co.uk
sales@duomo.co.uk
01905 797989
5 The Furlong, Berry Hill Industrial Estate, Droitwich, Worcestershire, WR9 9AH
GAS SAFETY CONTROLS
@DuomoUK
linkedin.com/company duomo-uk
KS22 Trio Safestart 11032021 rev2
This document is protected by copyright ©
No changes by others are permitted without prior authorisation by Duomo (UK) Ltd.
Duomo (UK) Ltd reserve the right to modify and revise this datasheet without notication.
Table des matières
Autres manuels Duomo Contrôleurs

























