
Operation
Handwheel, Chainwheel and Bevel-Gear Actuators
Rotate the handwheel or chainwheel clockwise to close the valve.
Note: There is an arrow cast on the wheel to indicate direction of rotation.
Removing Actuator
1. Close the valve.
2. Disconnect the stem from the gate by removing the two screws and nuts.
3. Remove the screws securing the legs to the valve, then separate the actuator from the valve.
Actuator Installation
1. Close the valve.
2. Set the actuator on the valve and secure it in place with the screws.
3. Connect the stem to the gate with two screws and nuts.
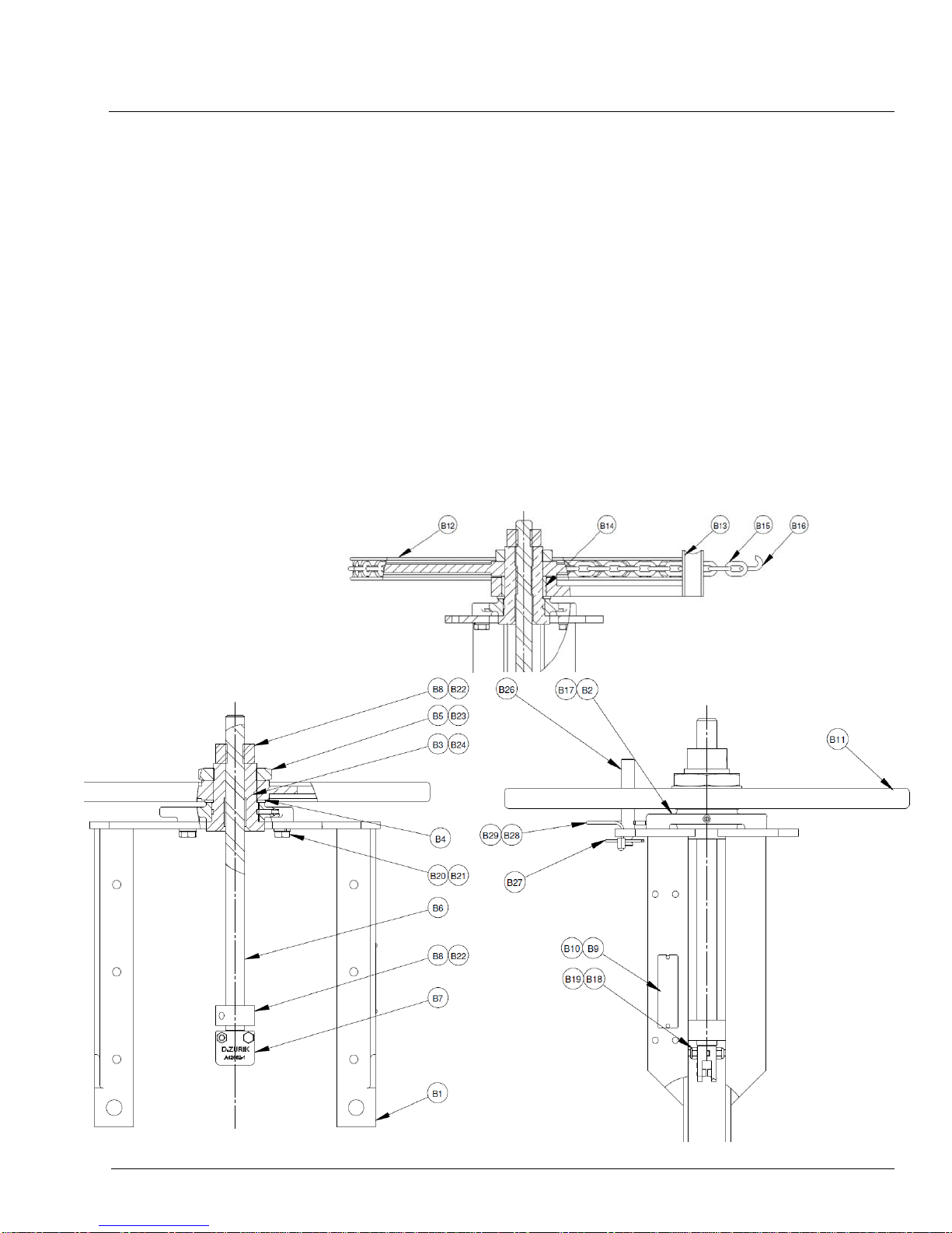
Mounting Handwheel on 2-6” Valves
2–6" Valves—See Figure 2
Two coiled springpins (B18) provided by DeZURIK are used to connect the handwheel (B11) to the
yoke sleeve (B3). The use of any other type of pin will result in actuator failure.
1. Rotate the yoke sleeve (B3) until the flange on the yoke sleeve touches the adaptor plate (B2).
2. Place the thrust washer (B4) and the wave washer (B5) over the yoke sleeve (B3) so they are on
top of the adaptor plate (B2).
3. Set the handwheel (B11) in place. Turn the handwheel so the holes in the handwheel line up with
the pin grooves in the yoke sleeve (B3).
4. Insert a 5/16"-diameter bolt in one of the holes.
Note: This will prevent misalignment. If the holes are not aligned with the pin grooves in the yoke
sleeve, it could be damaged by the coiled spring pins (B18) provided by DeZURIK.
5. Drive a coiled spring pin (B18) provided by DeZURIK into the remaining hole in the handwheel
(B11) until the end of the pin is flush with the outer surface of the handwheel.
6. Remove the 5/16" bolt installed in Step 4, and drive a coiled spring pin (B18) provided by
DeZURIK into the hole.
7. Install top stop collar (B8) onto stem and secure position with set screws (B23). This stop collar is
to stop on top of the yoke sleeve (B3) when the valve is in the closed position. Refer to installation
drawing for gate closed measurement.
8. Lubricate the actuator as described in the LUBRICATION section of these instructions.
DeZURIK
Manual Actuator for KSL Slurry Valves
D11041 Page 3 July 2015
FIGURE 1– Pin Designs
WARNING!
This actuator has been designed to use
only heavy-duty coiled spring pin pro-
vided by DeZURIK. The use of any other
brand or type of pin will result in actuator
failure. See Figure 1.
Coiled Spring
Pin