Table of contents
1. Introduction..........................................................................................................................................................3
Before Using the Product ..................................................................................................................................3
Intended Use .......................................................................................................................................................3
Text Conventions ................................................................................................................................................3
Symbols and Signal Words................................................................................................................................4
Symbols on the Information Label ..................................................................................................................4
2. Safety ....................................................................................................................................................................5
Warnings and Safety Instructions ....................................................................................................................5
Requirements for the User.................................................................................................................................6
3. Description of the Device...................................................................................................................................7
Front View ............................................................................................................................................................7
Back View ............................................................................................................................................................7
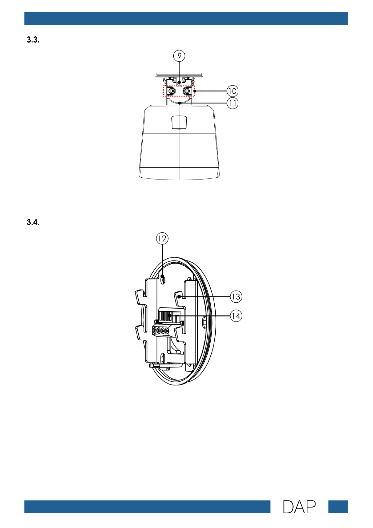
Bottom View........................................................................................................................................................8
Mounting Plate ...................................................................................................................................................8
Product Specifications ......................................................................................................................................9
Dimensions.........................................................................................................................................................10
4. Installation and Setup .......................................................................................................................................11
Safety Instructions for Installation ..................................................................................................................11
Installation Site Requirements ........................................................................................................................11
Mounting and Setup........................................................................................................................................11
Drilling Mounting Holes ..........................................................................................................................12
Drilling into Wood ...............................................................................................................................12
Drilling into Concrete.........................................................................................................................12
Connecting Devices..............................................................................................................................13
Installing the Mounting Plate................................................................................................................14
Installing the Speaker.............................................................................................................................15
Adjusting the Angle................................................................................................................................16
Adjusting the Logo .................................................................................................................................17
Option 1 ...............................................................................................................................................17
Option 2 ...............................................................................................................................................17
Connecting the Amplifier .....................................................................................................................18
5. Troubleshooting .................................................................................................................................................18
6. Maintenance .....................................................................................................................................................19
Preventive Maintenance................................................................................................................................19
Basic Cleaning Instructions ...................................................................................................................19
Corrective Maintenance................................................................................................................................19
7. Deinstallation, Transportation and Storage ....................................................................................................20
Instructions for Deinstallation..........................................................................................................................20
Instructions for Transportation ........................................................................................................................20
Storage...............................................................................................................................................................20
8. Disposal ..............................................................................................................................................................20
9. Approval.............................................................................................................................................................20