
Air Conditioner 4000 Installation, Operating & Maintenance Manual
AC-4 CS030040 4K Manual Rev D Page 2 of 17
Contents
1GENERAL SAFETY & WARNING INSTRUCTIONS .......................................................................3
2UNPACKING, HANDLING & INITIAL INSPECTION .....................................................................3
3MODELS COVERED BY THIS MANUAL ..........................................................................................4
3.1 MODEL IDENTIFICATION......................................................................................................................4
3.2 GENERAL PERFORMANCE DATA...........................................................................................................4
4DIMENSIONS & INSTALLATION.......................................................................................................5
4.1 PRODUCT DRAWING ............................................................................................................................5
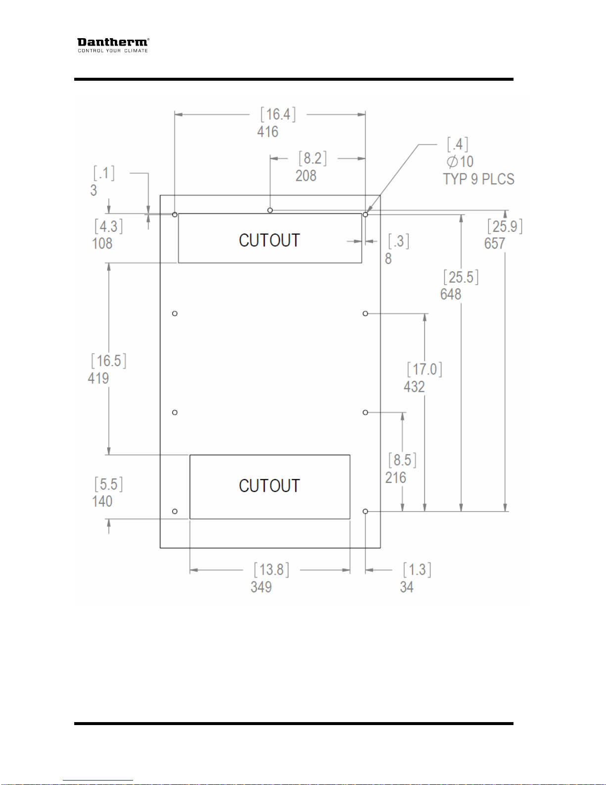
4.2 MOUNTING TEMPLATE.........................................................................................................................6
4.3 GASKET INSTALLATION .......................................................................................................................7
4.4 INSTALLATION AND CONNECTIONS......................................................................................................7
4.5 UNIT OPERATION.................................................................................................................................7
5USACG-6 INTELLIGENT CONTROLLER OPERATION................................................................8
5.1 USACG-6 CONTROLLER DIAGRAM .....................................................................................................8
5.2 MODIFY HEATING SET POINT................................................................................................................8
5.3 MODIFY COOLING SET POINT ...............................................................................................................9
5.4 CHANGE UNIT OF MEASURE .................................................................................................................9
5.5 DEBUGGING THE SYSTEM.....................................................................................................................9
5.5.1 Observing the return temperature and fault codes......................................................................9
5.5.2 Initiating the “TEST” sequence ................................................................................................10
5.5.3 Resetting the controller to factory defaults...............................................................................10
6MAINTENANCE....................................................................................................................................11
6.1 PREVENTATIVE MAINTENANCE SCHEDULE........................................................................................11
6.2 EVAPORATOR AND CONDENSER COIL CLEANING ..............................................................................12
6.3 COMPRESSOR &REFRIGERANT SYSTEM............................................................................................12
6.4 BLOWERS...........................................................................................................................................12
6.5 FILTERS .............................................................................................................................................12
6.6 OVERLOAD TEMPERATURE LIMITING DEVICE ...................................................................................12
6.7 TROUBLESHOOTING...........................................................................................................................13
6.8 WIRING DIAGRAM .............................................................................................................................14
6.8.1 CS030040 –Shown with 1200W or 1500W Heater ..................................................................14
6.9 SPARE PARTS GUIDE..........................................................................................................................15
7WARRANTY ..........................................................................................................................................16
8RETURN MATERIAL AUTHORIZATION PROCEDURE.............................................................17