
MAN# 650016:A
CMD-2000 SERIES REV A
REMOTE UP/DOWN DUAL WINDOW CONTROL
OR LOCK/UNLOCK CONTROL
INTRODUCTION
Thank you for purchasing the CMD-2000 series Remote Window Control from Dakota
Digital, Inc. This, along with many other products that Dakota Digital, Inc. has to offer, represents
the latest in electronics technology for the street rod, classic car and truck, and any custom
vehicle.
The CMD-2000 Remote Window Control system comes complete with receiver, two key
chain transmitters, wiring harness, two dual relay packs, and emergency release switch. An
emergency release switch can be concealed on the underside of the vehicle should the door ever
be closed with the transmitters inside and you on the outside. Pressing this button will allow
reentry to the vehicle.
INSTALLATION
While installation of the CMD-2000 is very straightforward, paying a little attention here and
planning out how the system will fit into your specific vehicle will save some time in the long run.
The receiver should be mounted under the dash up on the fire wall for best access to
wiring. The kick panel is also another good location for the receiver.
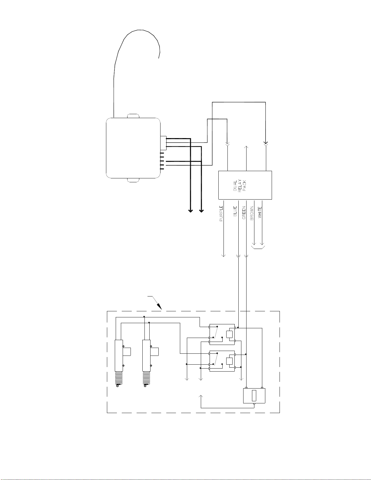
Connect the CMD-2000 system as is shown in the wiring diagram. While the wiring
diagram is self explanatory, there are several key areas to pay particular attention to. First, the 12
volt source to the relay packs should be able to supply up to 30 amps. This should have power
whether the key is on or off. The CMD-2000 should only be connected to a 12 volt battery for power
and never solely to a battery charger. The relay packs will typically be mounted inside the doors to
have the fewest wires running through the door jam. The relay packs should be mounted with the
wires exiting the bottom to prevent water from collecting inside the sockets.
ADDITIONAL TRANSMITTERS
The transmitters supplied with your remote system are serial number coded for security.
Each unit can “learn” up to 4 transmitters. It is also possible to program one transmitter into more
than one receiver. If you have more than one vehicle with the CMD-2000 system you can program
all of the transmitters into both units. Transmitters from other manufacturers, such as car alarm
systems, will not work with the CMD-2000.