
www.cypress.com Document No. 002-04772 Rev. *B 1
F²MC-16FX Family, Hardware Set Up
This application note describes how to set up a hardware environment for Cypress 16FX MCUs.
Contents
1Introduction...............................................................1
2Minimal System........................................................1
2.1 Schematic........................................................2
2.2 Serial Interface.................................................2
2.3 Power supply...................................................2
2.4 Analog Digital Converter Supply Pins..............2
2.5 Analog Input Pins.............................................3
2.6 Reset Pin (RSTX) ............................................3
2.7 C Pin................................................................3
2.8 Clock Source ...................................................3
2.9 Mode Pins........................................................3
3Layout and Electromagnetic Compatibility................4
3.1 General............................................................4
3.2 Power Line Routing .........................................4
3.3 C Pin Decoupling.............................................5
3.4 Power Supply Decoupling................................6
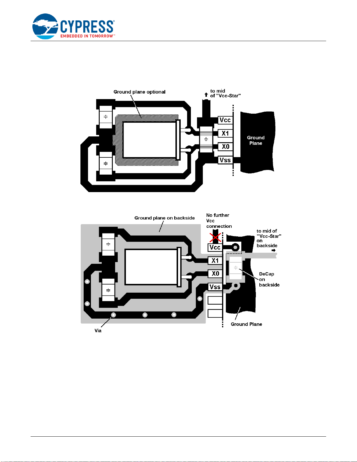
3.5 Quartz Crystal Placement
and Signal Routing ..........................................8
3.6 Other documents.............................................8
3.7 MCU Pin Summary..........................................9
4Port Input / Unused Pins / Latch-up........................10
4.1 Port Input / Unused Pins................................10
4.2 Latch-up consideration (switch).....................11
5Minimum Flash Programming Connection .............14
5.1 Run mode and Programming Mode...............14
5.2 Programming Pins.........................................14
5.3 Asynchronous Programming .........................15
5.4 Synchronous Programming...........................15
5.5 External Watchdog during
Flash Programming .......................................16
6Background Debugging USART.............................18
6.1 Background Debugging Mode .......................18
7Document History...................................................19
1 Introduction
This application note describes how to set up a hardware environment for Cypress 16FX MCUs. As an example the
MB96F34x MCU is used.
2 Minimal System
This Chapter Gives an Example of a Minimum Hardware System