mounted location it is best to use the mounting tabs.
Fusing of amplier:
Almost every amplier is OVER FUSED, period! Over fusing is just a silly thing to
do as it aords ZERO protection and only results in printed circuit boards being
burnt together with a bunch of expensive silicon. The formula is quite simple. For
class A/B ampliers add up the total wattage of all channels into the impedance
into which they are driven. Divide this number by 18 and use the closest value
fuse. Example a 100w x 4 at 4 ohm amplier is 400w total. Divide by 18 = 22.22 so
use a 25A fuse. A 1500w amplier requires a 90A fuse. We prefer to make up a nal
fuse value by using several lower amperage fuses in parallel. This results in better
thermal eciency as the current ow is spread over several pieces of metal.
We advocate strongly to under fuse and if you nd under hard drive that the fuses
occasionally open up then it is less pain on your wallet to replace some fuses with
a slightly higher value.
The higher the impedance of the speaker (>4 ohm) the better the sound quality.
These ampliers are NOT SPL tools, they are for listening to good music at
reasonable levels - protect your ears!
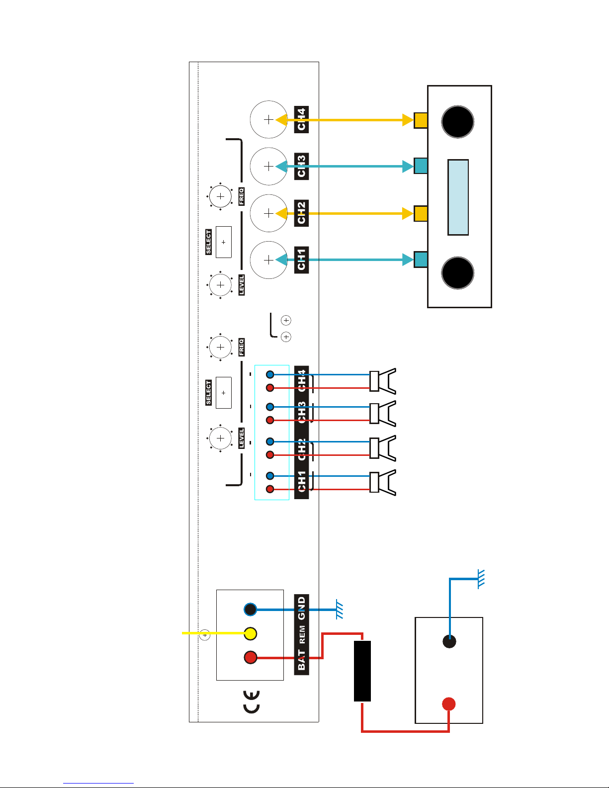
Connecting the Amplier:
Once the amplier has been mounted in the desired location the electrical
connections can be made. The rst step is to connect the speakers. Using the
appropriate size of wire (we recommend a min of #14) connect the speakers as
shown in the later diagrams. The next step is to connect the line inputs using
high quality RCA-RCA cables. The source to which the line inputs are connected
depends on the particular installation. Refer to later diagrams or consult a
qualied audio technician.
The next step is to connect the power inputs. The rst is the ground wire. This
wire is connected to the (-) connection on the 3 terminal power connector. Using
#8 wire or larger(#4 max) insert one end into the connector’s GROUND terminal
after stripping o about 19mm (0.75”) of insulation. Trim the wire to a maximum
length of 1 meter (39”). This ground wire (normally BLACK) is then crimped (and
preferably soldered) into an appropriate size ring lug. Then simply run the power
and ground connections to the battery and connect them to (+/-) respectively.
(Optional) Next is the remote turn on wire. This is normally connected to the
remote output of the head unit on a factory motorcycle radio or can be hooked
up to 12vdc switched ignition.
Last is the +12volt connection. Using #8 (#4 max)or larger, strip the wire to 19mm
(0.75”) and insert in to the hole marked BATT (+) on the power connector. Run
the cable (away from all audio cables) to the location of the bike’s battery. At
the battery location install the fuse holder no further away from the battery (+)
terminal than 300mm (12”). Insert this end of the +12volt power cable into the