
Código
code
Tipo
Type
Sensibilidad (A)
Sensivity
Retardo disparo (s)
Tripping delay
Comunicaciones
Communications
P12712 CBS-4C
0,03-0,1-0,3-0,5-1-3
por ajuste directo
by direct setting
5-10-30 por/by SETUP
INS-SEL-0,02-0,1-0,2-0,3-0,4-0,5-0,75-1
por ajuste directo / by direct setting
3-5-10 por/by SETUP
Available
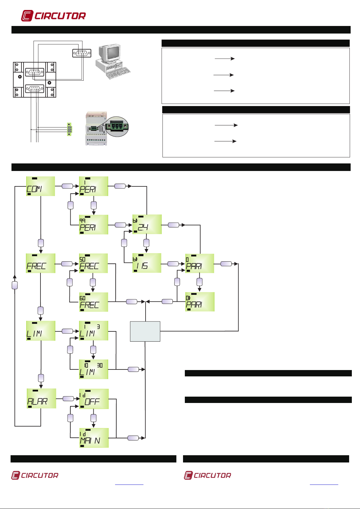
RS-485
P 1 X X X X 0 0 X
Código
Code
Código interno
Internal code
Tensión de
alimentación
Power supply
230 V a.c.
110 V a.c.
0
1
Centralita de relés de protección diferencial CBS- 4C
Multipoint earth leakage relay CBS- 4C
Por ejemplo CBS-4C alimentada a 110 V c.a / .For example CBS - 4 110 V a.c..supplied by P12712001
REC
CBS - 4
CONSIDERACIONES INICIALES
INSTALACIÓN Y PUESTA EN MARCHA
¡ IMPORTANTE !
!
Si se utiliza el equipo de forma no especificada por el fabricante, la protección
puede resultar comprometida.
PRELIMINARY CONSIDERATIONS
INSTALLATION AND START-UP
¡ IMPORTANT !
!
The unit´s protections systems might not be effective if the unit is used for purpose
other than those specifications by the manufacturer.
COMPROBACIONES A LA RECEPCIÓN
Asegurarse del cumplimiento de:
- El equipo corresponde a las especificaciones de su pedido.
- El equipo no ha sufrido desperfectos durante el transporte.
Para más información, puede descargarla de nuestra web, www.circutor.es
PRECAUCIONES DE SEGURIDAD
Para la utilización segura del equipo, es fundamental que las personas que lo instalen o
manipulen, sigan las medidas de seguridad habituales, así como las advertencias en dicha
guía rápida.
El CBS-4C es un equipo diseñado específicamente para ser instalado dentro de un cuadro
eléctrico o envolvente, con fijación en carril DIN o en panel mediante accesorio. Dispone
de led luminoso (ON) indicando que hay presencia de tensión. Aunque este led no esté
encendido, no exime al usuario de comprobar que el equipo está desconectado de toda de
toda fuente de alimentación.
CHECKS ON RECEPTION
On receving the instrument, check the following points:
- The unit’s specifications are the same as those on your order.
- Check that the device has not suffered any damage during transport.
You can download more information from CIRCUTOR website, www.circutor.es
SAFETY PRECAUTIONS
The staff using or handling the unit must follow the common safety measures and warnings
included in the instruction manual.
The CBS-4C unit has been specifically designed for its installation in a electric board,
enclosure to a DIN rail or mounted in panel by means of accesories. It has a flashing green
led (ON) when it is operation and, therefore, it shows that there is voltage and current in the
electronic circuit. The user must make sure that the equipment is not conected to the power
supply at all the times, even when the LED is not flashing.
The user must take into account and observe the informations and warnings included in this
instruction manual to guarantee the correct operation of the equipment and comply whit the
safety specifications. The equipment must not turned on until is fully installed in the electrical
panel.
Disconnect the equipment from the power supply when the unit´ssafety protection systems
are not working or there are signs of a problem (in case of visible damage). In this case,
contact a qualified technical service or with our own technical service (TAS).
La presente guía rápida contiene informaciones y advertencias que el usuario tiene que
respetar para garantizar el funcionamiento seguro del equipo. En su funcionamiento
habitual no debe ser utilizado hasta su instalación definitiva en el cuadro eléctrico.
Cuando sea probable que el equipo haya perdido la protección de seguridad (presencia de
daños visibles) debe desconectarse la alimentación del equipo. En este caso póngase enc
contacto con el servicio técnico cualificado, o bien, con nuestro S.A.T. (Servicio Asistencia
Técnica).
El equipo no debe ser utilizado hasta que haya finalizado por
completo su instalación. El equipo debe conectarse a un circuito
de alimentación protegido con fusibles acorde con el rango de
alimentación y consumo del mismo. A su vez el circuito de
alimentación tiene que estar provisto de un interruptor
magnetotermico o dispositivo equivalente para desconectar el
equipo de la red de alimentación. Durante el conexionado se
2
aconseja una sección cable permitida entre 1- 1.5 mm . Un par
de apriete recomendado de 0,5-0,6 N.m y una longitud a
desaislar cable de 7 mm.
terminals and opening covers or removing elements, can
give access to dangerous parts to touch. The equipment
must not be used until it has completely finished installation.
The unit must be connected to a power supply circuit
protected by fuses in line with the range and power
consumption. In turn, the supply circuit must be provided
with a circuit breaker or equivalent device to disconnect the
equipment from the mains. During the wiring cable is
advisable a section permitted between 1 - 1.5 mm2. A
recommended torque of 0.5-0.6 N.M. Cable Stripping Tools
length 7 mm.
DIN rail installation. Through the CBT must pass all live
conductors supplyng electrical energy to loads or part of the
installation which requires it to earth leakage protection with
this device. In single-phase installation (phase and neutral, L
and N), three phase - 3 wires (three phases, L1, L2 and L3)
or three phases - 4 wires (L1, L2, L3 and N). All connections
Should be inside t he electrical board. Please note that
with the connected equipment,
Peso / Wheight : 168 gr
52,5
85
45
43,5
67,9
Fijación carril/
Fixed by rail DIN 46277 (EN 50022)
cotas en mm
dimensions in mm.
La instalación en carril DIN. Por el toroidal asociado tienen que
pasar todos los conductores activos que alimentan a las cargas
o parte de la instalación en la que se requiera realizar la
protección diferencial con este equipo. En instalación
monofásica (fase y neutro, L y N), trifásica (las tres fases, L1,L2
yL3) o trifásica mas neutro (L1, L2, L3 y N). En el interior del
cuadro eléctrico. A tener en cuenta, que con el equipo
conectado, los bornes y la apertura de cubiertas o eliminación
de elementos, puede dar acceso a partes peligrosas al tacto.
13
14
15
10
11
13
15
CONTACTOS DISPARO
/ TRIPPING CONTACTS
SALIDA NA / OUTPUT NO
SALIDA COMÚN/ COMMON OUTPUT
SALIDA NA / OUTPUT NO
7
8
9
ALIMENTACIÓN / POWER SUPPLY
ALIMENTACIÓN / SUPPLY (A1)
ALIMENTACIÓN / SUPPLY (A2)
SALIDA NA / OUTPUT NO
SALIDA COMÚN / COMMON OUTPUT
SALIDA NA / OUTPUT NO
14
- RELÉ PROTECCIÓN TOROIDAL T1
14
- RELÉ PROTECCIÓN TOROIDAL T2
MARCADO DE BORNES /TERMINAL - CONNECTIONS DESIGNATIONS
7
9
TRANSFORMADOR DIFERENCIAL
/ CORE BALANCE
ENTRADA 1S2 COMÚN / COMMON INPUT 1S2
ENTRADA 1S1-T4 / INPUT 1S1- T4
2
3
ENTRADA DISPARO/REARME EXTERNA
EXTERNAL TRIP/RECLOSE
ENTRADA TENSIÓN / INPUT VOLTAGE
10
4
- RELÉ PROTECCIÓN TOROIDAL T4
5
6
8
- RELÉ PROTECCIÓN TOROIDAL T3
8
12
ENTRADA 1S1-T3 / INPUT 1S1- T3
ENTRADA 1S1-T2 / INPUT 1S1- T2
ENTRADA 1S1-T1 / INPUT 1S1- T1
DESCRIPCIÓN GENERAL GENERAL DESCRIPTION
- Dispositivo con 4 relés diferenciales independientes y programables. 4 canales de
disparo.
- Dispone de 5 salidas. 4 para disparo por relé y la de señalización por prealarma.
- Dispone de 1 entrada para realizar un Disparo/Rearme externo.
- Montaje en Carril DIN 46277 (EN 50022) o en panel 72x72 mediante accesorio
(M5ZZF1)
- Asociado a transformador de corriente diferencial externo serie WG/WGS.
- Comprueba conexión con transformador exterior WG/WGS mediante test inductivo.
- La detección y medida de la fuga se realiza calculando su verdadero valor eficaz
Device with 4 independent and programmable differential relays. 4 tripping channels.
- It has 5 outputs. 4 trip relays and prealarm signal relay.
- It has one input for external Trip/Reclose.
- Mounting in DIN rail 46277 (EN 50022) or PANEL 72x72 by means accesories
M5ZFF1.
- Associated to a WG/WGS Series external, toroidal current transformer.
- It verifies connection with external transformer WG/WGS by inductive tests.
- Leakage detection and measurement is via calculating its true effective value (TRMS).
- Displays setting values and instant current different to its associated units
-
.
M98203901-20-17A
1
10
11
456
13 14 15
Reset
Test
12
CBS-4
9
8
7
23