
R
(with price)
Page
Specifications.............................................................................................1
Block Diagram ...........................................................................................2
Power Supply.............................................................................................3
Adjustment
Linear PCB..........................................................................................4
A/D PCB..............................................................................................6
Printed Circuit Boards................................................................................7
Wiring Diagram........................................................................................10
Electrical Parts List ..................................................................................11
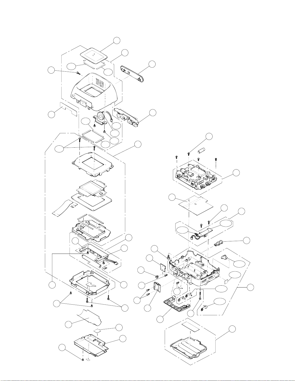
Mechanical Parts List...............................................................................16
Exploded View / Disassembly..................................................................17
Waveforms...............................................................................................18
Schematic Diagrams................................................................................19
LCD VIDEO MONITOR
VM-570B
JUNE 1994