
2
• IAQ SENSOR
• OAQ SENSOR
• SPACE TEMPERATURE
• SUPPLY AIR TEMPERATURE
• SETPOINT SLIDER
• SWITCH CONFIGURATION
• ANALOG INPUT CONFIGURATION
• SPACE RELATIVE HUMIDITY
• INDOOR AIR QUALITY
• SUPPLY FAN RUNTIME
• COMPRESSOR 1 RUNTIME
• COMPRESSOR 2 RUNTIME
•FILTER
• AIRSIDE LINKAGE ALARM
Performance . . . . . . . . . . . . . . . . . . . . . . . . . . . . . . . . 31
• CURRENT PERFORMANCE DATA
• EQUIPMENT RUNTIME
• ECONOMIZER UTILIZATION
• DCV UTILIZATION
• UNOCC FREE COOL UTILIZATION
• PART LOAD COOLING UTILIZATION
• FULL LOAD COOLING UTILIZATION
• HEATING UTILIZATION
• RECORDED HIGH OAT
• RECORDED LOW OAT
• PERFORMANCE DATA
• HISTORICAL PERFORMANCE DATA
• SAVE PERFORMANCE DATA DAILY
• EQUIPMENT RUNTIME
• ECONOMIZER UTILIZATION
• DCV UTILIZATION
• UNOCC FREE COOL UTILIZATION
• PART LOAD COOLING UTILIZATION
• FULL LOAD COOLING UTILIZATION
• HEATING UTILIZATION
• PREVIOUS HIGH OAT
• PREVIOUS LOW OAT
Third Party Networking . . . . . . . . . . . . . . . . . . . . . . . 31
APPENDIX A — USER INTERFACE MENUS . . . . . . 33
APPENDIX B — NETWORK POINT LIST FOR
RTU OPEN. . . . . . . . . . . . . . . . . . . . . . . . . . . . . . . . 44
APPENDIX C — EQUIPMENT TOUCH NAVIGATION
SCREENS . . . . . . . . . . . . . . . . . . . . . . . . . . . . . . . . 53
RTU OPEN CONTROLLER START-UP SHEET. . . CL-1
SAFETY CONSIDERATIONS
Improper installation, adjustment, alteration, service, mainte-
nance, or use can cause explosion, fire, electrical shock or other
conditions which may cause personal injury or property damage.
Consult a qualified installer, service agency, or your distributor or
branch for information or assistance. The qualified installer or
agency must use factory-authorized kits or accessories when mod-
ifying this product. Refer to the individual instructions packaged
with the kits or accessories when installing.
Follow all safety codes. Wear safety glasses and work gloves.
Use quenching cloths for brazing operations and have a fire ex-
tinguisher available. Read these instructions thoroughly and
follow all warnings or cautions attached to the unit. Consult lo-
cal building codes and appropriate national electrical codes (in
USA, ANSI/NFPA70, National Electrical Code (NEC); in Can-
ada, CSA C22.1) for special requirements.
It is important to recognize safety information. This is the safety-
alert symbol . When you see this symbol on the unit and in in-
structions or manuals, be alert to the potential for personal injury.
Understand the signal words DANGER, WARNING, CAU-
TION, and NOTE. These words are used with the safety-alert
symbol. DANGER identifies the most serious hazards which
will result in severe personal injury or death. WARNING signi-
fies hazards which could result in personal injury or death.
CAUTION is used to identify unsafe practices, which may re-
sult in minor personal injury or product and property damage.
NOTE is used to highlight suggestions which will result in en-
hanced installation, reliability, or operation.
GENERAL
The RTU Open controller is an integrated component of the
Carrier rooftop unit. Its internal application programming
provides optimum performance and energy efficiency. The
RTU Open controller enables the unit to run in 100% stand-
alone control mode, Carrier's i-Vu®Open network, or a Third
Party Building Automation System (BAS). On-board DIP
switches allow you to select your protocol (and baud rate) of
choice among the four most popular protocols in use today:
BACnet1, Modbus2, Johnson N2 and LonWorks3. (See Fig. 1.)
NOTE: Lon Works requires addition of LonWorks Option card.
Carrier's diagnostic display tools such as Equipment Touch or
Field Assistant can be used with the RTU Open controller. Ac-
cess is available via a 5-pin J12 access port or Rnet communi-
cation network.
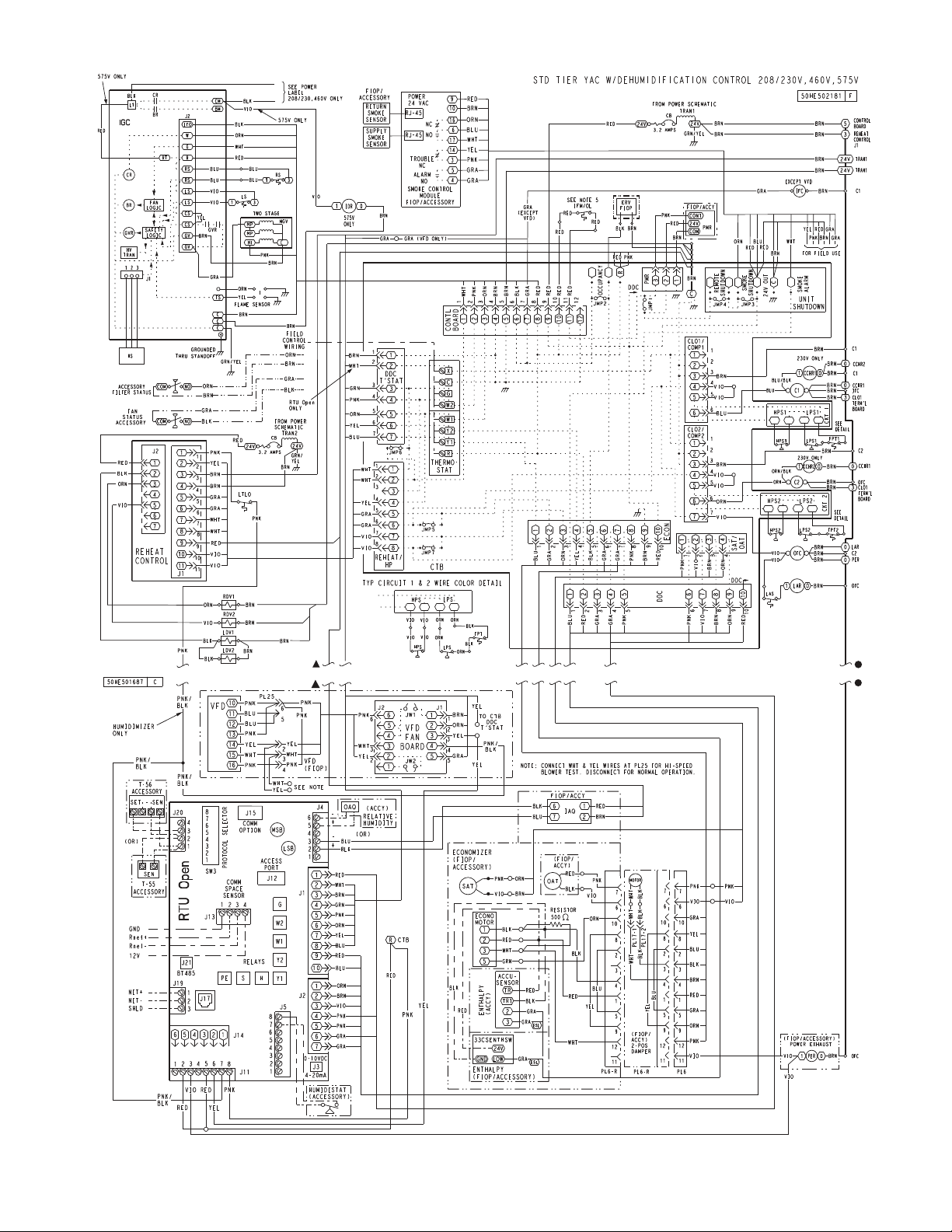
SENSOR/ACCESSORY INSTALLATION
There are a variety of sensors and accessories available for the
RTU Open controller. Some of these can be factory or field in-
stalled, while others are only field installable. The RTU Open
controller may also require connection to a building network
system or building zoning system. All field control wiring that
connects to the RTU Open controller must be routed through
the raceway built into the corner post of the unit or secured to
the unit control box with electrical conduit. The unit raceway
provides the UL required clearance between high and low-volt-
age wiring. Pass the control wires through the hole provided in
the corner post, then feed the wires through the raceway to the
RTU Open controller. Connect the wires to the removable PCB
connectors and then reconnect the connectors to the board. See
Fig. 1 and Table 1 for board connections and Fig. 2 - 7 for Typ-
ical Factory RTU Open controller wiring.
DANGER
ELECTRICAL SHOCK HAZARD
Failure to follow this warning will result in personal injury
or death.
Before performing service or maintenance operations on
unit, turn off main power switch to unit and install lock(s)
and lockout tag(s). Ensure electrical service to rooftop unit
agrees with voltage and amperage listed on the unit rating
plate. Unit may have more than one power switch.
1. BACnet is a registered trademark of ASHRAE (American Society of
Heating, Refrigerating, and Air-Conditioning Engineers).
2. Modbus is a registered trademark of Schneider Electric.
3. LonWorks is a registered trademark of Echelon Corporation.
IMPORTANT: Refer to the specific sensor or accessory in-
structions for its proper installation and for rooftop unit in-
stallation refer to base unit installation instructions and the
unit's wiring diagrams.
WARNING
ELECTRICAL SHOCK HAZARD
Failure to follow this warning could result in personal inju-
ry, death and/or equipment damage.
Disconnect and lockout/tag-out electrical power before wir-
ing the RTU Open controller.