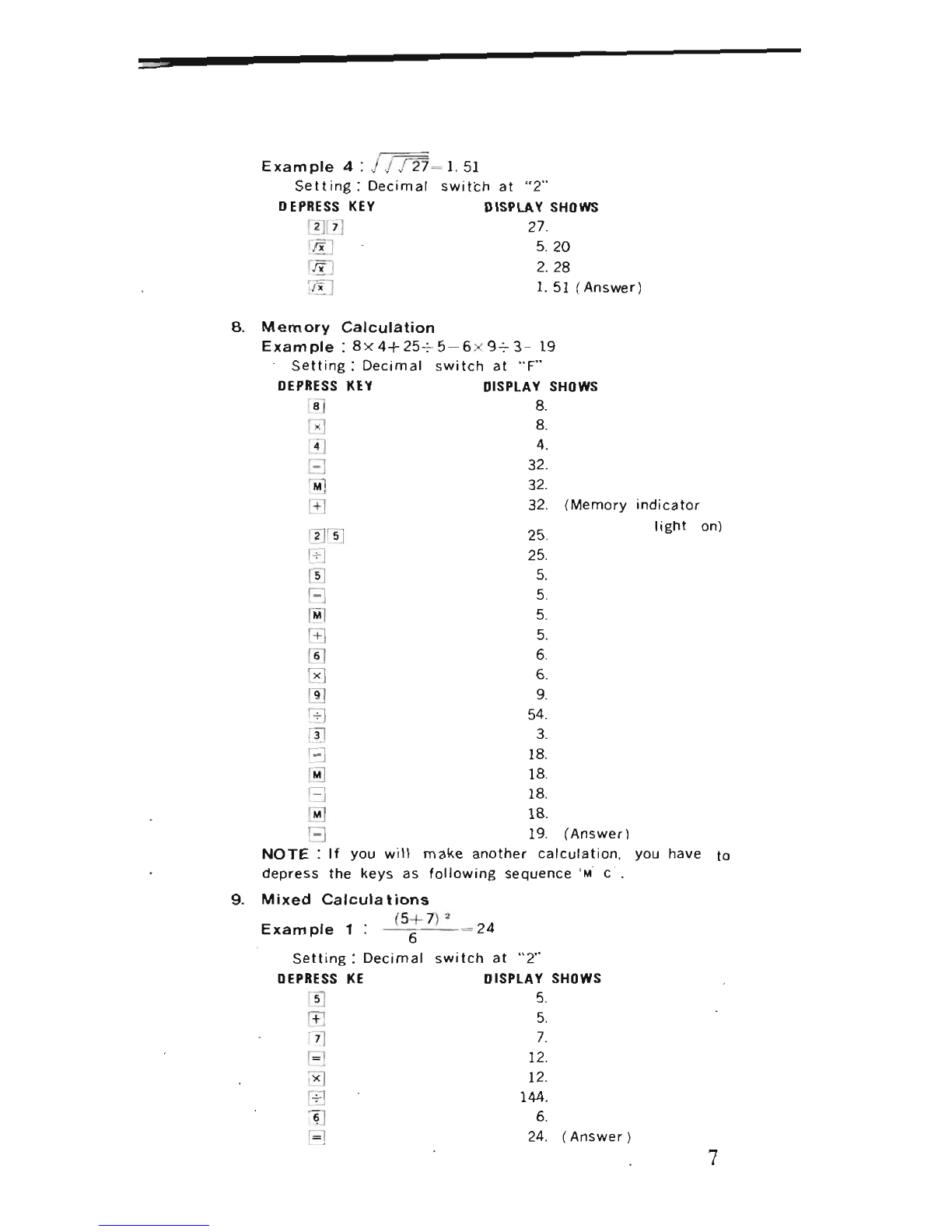
@]
key
EI
key
EJ
key
~
key
EJ
key
akey
I'.'J
key
QK]
key
~key
18
key
[EX!
key
~
key
INTRODUCTION
The
BROTHER
862
Electronic
Calculator is afull featured,
pock-
etabe
unit
designed to handle nearly all
commercial
and
busi-
ness calculations
with
speed and
simplicity.
For
its
size
it
has tremendous calculating capability
and
has
more features
for
calculating
convenience than all
of
its
con-
temporaries.
It
performs
not only addition, subtraction,
multiplication
and
di-
vision but also square, square root, number inverse
and
per -
ntage calculations.
Among the many modern features are included the independent.
memory
storage register,
floating/
monetary
mode input,
fixed/
floating
decimal point output, exchange key, rounded
-off/up
on
result (fixed point
output),
constant
and
sequential operations,
au-
tomatic
clearing wi th power turn-on
and
many others to make
your calculating problems easy.
EXPLANATION
OF
OPERATION KEYS
To
correct
numerical entries, reset
error
conditions
or clear all
registers
including
memory
as
well
as
resetting
all modes.
To command addition
and
constant calculation.
To command subtraction.
To
command
multiplication.
To
com mand division.
To
obtain
result
of
multiplication
and
division.
In
the case
of
addition or
subtraction,a
key
will
per-
form the appropriate function
and
term
inate the
chain.
To
obtain
result
of
percentage.
To
command square root
of
X.
The
display rounds
to the selected decimal setting.
The
floating
point value is retained in the register.
To
command Xsquare.
The
register
will
retain the
original number
as
aconstant
multipl
ier.
To command inverse
of
X.
The
register
will
retain
the original number
as
aconstant
divisor.
To
exchange entries (Reverse figures
on
the display).
To
allowEi
and
EJ
keys to
add
or
subtract
directly
memory.
When
the
memory
mode is set, the aor
~
key
will
recall the contents
of
the
memory
to
the display.
To
clear the memory.
1