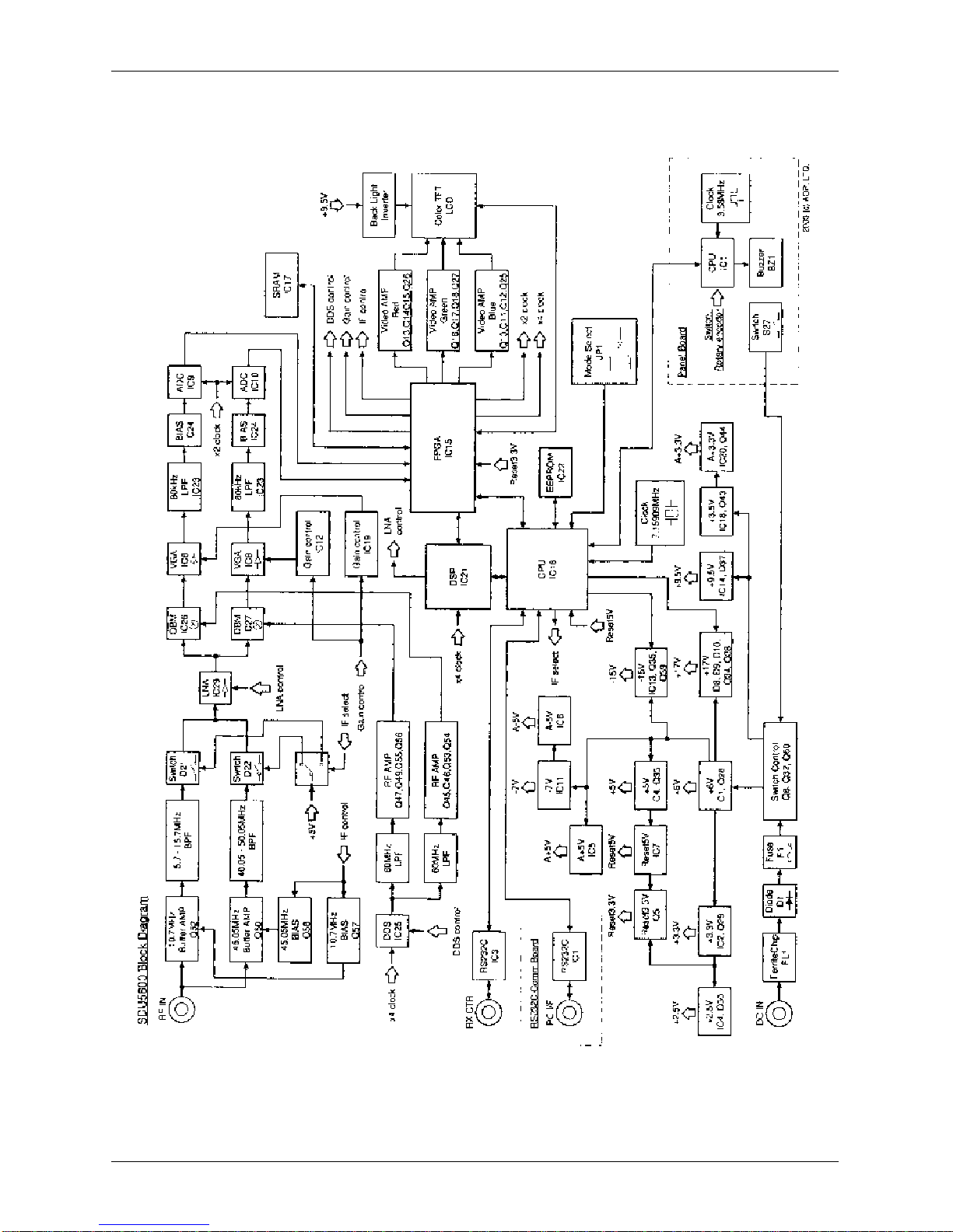
5
Every effort has been made to make this manual correct and up to date. Due to continuous
development of the product and by error or omission, anomalies may be found and this is
acknowledged.
© This manual is protected by copyright AOR Ltd 2003. No information contained in this manual may
be copied or transferred by any means without the prior written consent of AOR Ltd. AOR and the ‘AOR
logo’ are trade marks of AOR Ltd. All other trade marks and names are acknowledged.
E&OE
&Level of risk
As there SDU5600 is powered from 12V DC, there is little chance of serious injury as long as common
sense is applied.
Observe the polarity of connections if the supplied AC power unit is not being used. DC input is a
nominal 12V DC wired centre positive. Reverse polarity connection will damage the SDU5600 and
potentially could lead to the risk of fire or explosion under severe circumstances.
Carefully handle the AC plug of the supplied AC power unit to prevent touching the terminals when
inserting or removing from the AC socket. NEVER connect the SDU5600 directly to the AC supply.
SAFETY NOTICE - Always disconnect the power supply from the AC socket when not in use.
Explanation of risk warning mark
Whenever the book symbol &is used in this operating manual, an important point is being made which
may relate to risk of personal injury or damage to the unit if ignored.
When the pointing finger is used, the associated text provides useful operational information of
special note (such as a tip). No risk or personal injury or damage is associated.
Handling the SDU5600
Use a soft, dry cloth to gently wipe the SDU5600 clean, never use abrasive cleaners or organic solvents
which may damage certain parts. Treat the unit with care, avoid spillage or leakage of liquids into the
cabinet and power supply. Special care should be taken to avoid liquid entering around the keys, main
dial or via the connection sockets.
Never push or knock the TFT LCD display screen which is very
fragile and sensitive to shock.
Special remarks
Do not use or leave the SDU5600 in direct sunlight (especially the TFT display). It is best to avoid
locations where excessive heat, humidity, dust and vibration are expected. Always keep the SDU5600
free from dust and moisture.
AC adaptor (power unit)
The SDU5600 may be provided with either a suitable AC / DC power unit. The SDU5600 is designed for
operation from a nominal 12V DC regulated power supply (12 to 14V is acceptable), which should be
capable of supplying a minimum of 1A continuous, ideally a 2A unit should be employed.
&Note: Never connect the SDU5600 directly to an AC supply.
The DC input socket uses a mini power connector (subject to EIAJ RC-5320A) and is wired centre
positive (+), the chassis of the unit is at negative ground. To minimise the potential for power cable
interference, it is suggested that a ferrite clamp be fitted to the connecting cable.
Other warnings
There are no internal operator adjustments. In the unlikely event of servicing being required, please
contact your dealer for technical assistance.
Should the SDU5600 appear to behave strangely, normal operation may easily be regained by resetting
the microprocessor. Simply power down the SDU5600 and disconnect the power supply... leave for 30
seconds then reconnect and power-up again.
It is possible to RESET the microprocessor, please refer to section 5-10, page 32 for further information.
If used with the AR3000A, a small modification is required to the receiver in order to provide the required
10.7 MHz IF output. If using the ICOM IC-R7100, the optional ICOM CT17 (RS232/CIV) interface is
required.
Safety notices