
3
REF. NO PART NO. KANRI DESCRIPTION
NO.
REF. NO PART NO. KANRI DESCRIPTION
NO.
ELECTRICAL MAIN PARTS LIST
88
A
Resistor Code
Chip Resistor Part Coding
Figure
Value of resistor
Chip resistor
Wattage Type Tolerance
1/16W
1/10W
1/8W
1608
2125
3216
5%
5%
5%
CJ
CJ
CJ
Form
LW t
1.6 0.8 0.45
2 1.25 0.45
3.2 1.6
108
118
128
: A
: A
CHIP RESISTOR PART CODE
0.55
Resistor Code
Dimensions (mm)
Symbol
1/16W 1005 5% CJ
1.0 0.5 0.35 104
Lt
W
IC
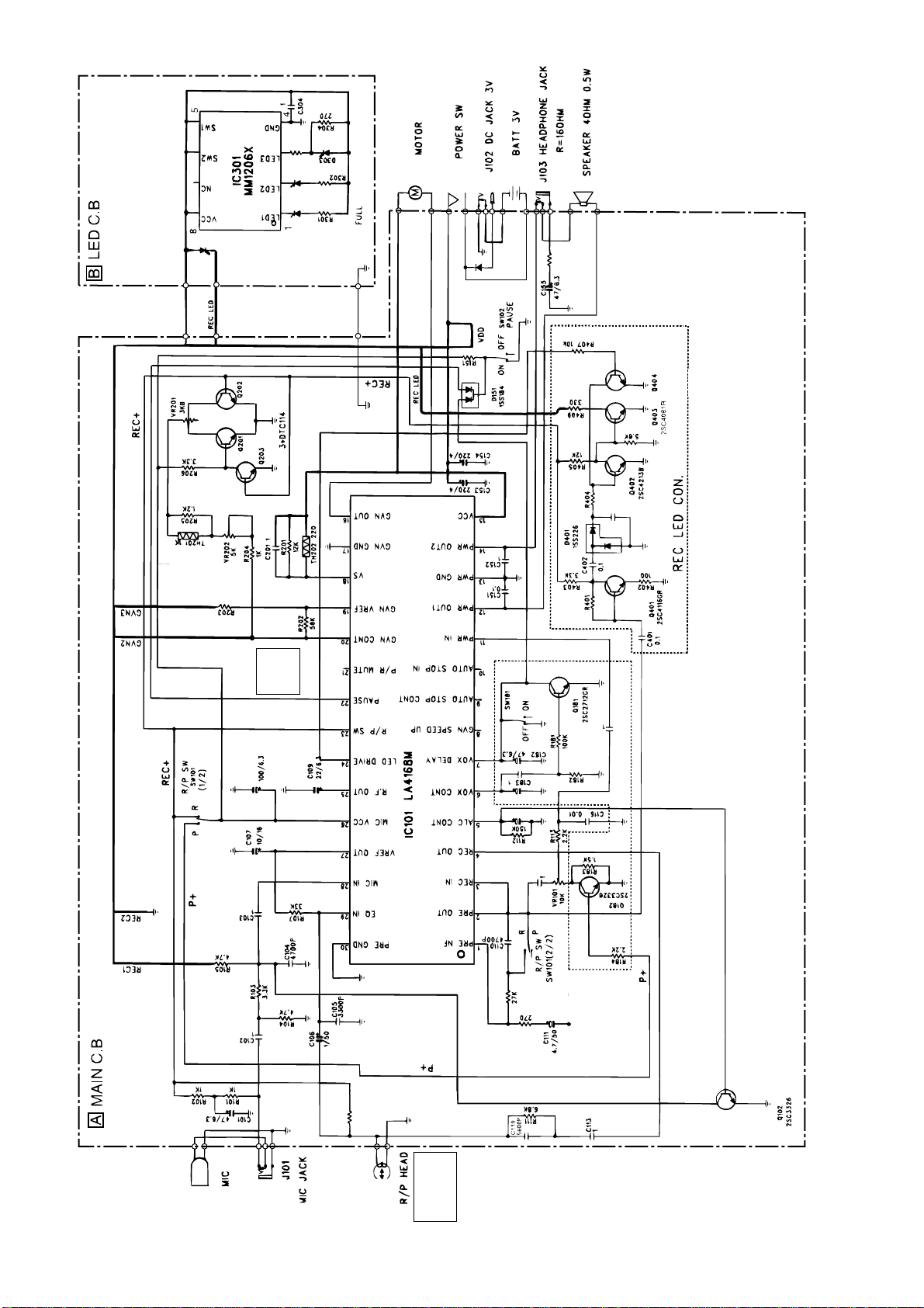
87-A20-399-010 1F IC,LA4168M
87-017-643-080 1B IC,MM1206XF
TRANSISTOR
89-333-266-080 0E CHIP TR,2SC3326B
89-327-125-080 0E CHIP TR,2SC2712GR
87-A30-288-040 0E C-TR,DTC114YKA
89-341-165-080 0E CHIP TRANSISTOR 2SC4116GR
89-342-132-080 0E TR,2SC4213
87-A30-144-080 0E C-TR,2SC4081
87-026-422-080 0E C-TR,RN2304
DIODE
87-A40-529-010 1A DIODE,1GWJ42
87-020-027-080 0E CHIP-DIODE 1SS184
87-020-339-080 0E CHIP DIODE,1SS226
MAIN C.B
C101 87-015-676-010 0E CAP,E 47-6.3 7L
C102 87-016-462-080 0E C-CAP,S 1-16 F
C103 87-016-462-080 0E C-CAP,S 1-16 F
C104 87-010-186-080 0E CAP,CHIP 4700P
C105 87-010-184-080 0E CHIP CAPACITOR 3300P(K)
C106 87-015-695-010 0E CAP,E 1-50 7L
C107 87-015-681-010 0E ELECTROLYTIC SRA 10U 16V
C108 87-015-677-010 0E ELECTROLYTIC 100U 6.3V
C109 87-015-674-010 0E CAP 22U-6.3V
C110 87-010-186-080 0E CAP,CHIP 4700P
C111 87-015-698-010 0E ELECTROLYTIC SRA 50V-4.7U
C113 87-016-462-080 0E C-CAP,S 1-16 F
C114 87-016-462-080 0E C-CAP,S 1-16 F
C115 87-015-675-010 0E ELECTROLYTIC 6.3V-33U
C116 87-010-197-080 0E CAP, CHIP 0.01 DM
C118 87-016-462-080 0E C-CAP,S 1-16 F
C119 87-010-187-080 0E CAP CHIP S5600P
C151 87-A10-264-080 0E C-CAP,S 0.1-16ZF
C152 87-016-462-080 0E C-CAP,S 1-16 F
C153 87-015-908-010 0E CAP, 220-4V
C154 87-015-908-010 0E CAP, 220-4V
C155 87-015-676-010 0E CAP,E 47-6.3 7L
C181 87-015-695-010 0E CAP,E 1-50 7L
C182 87-015-676-010 0E CAP,E 47-6.3 7L
C183 87-016-462-080 0E C-CAP,S 1-16 F
C201 87-016-462-080 0E C-CAP,S 1-16 F
C401 87-A10-264-080 0E C-CAP,S 0.1-16ZF
C402 87-A10-264-080 0E C-CAP,S 0.1-16ZF
C403 87-016-491-080 0E C-CAP,S 0.22-16 FZ
J101 84-TM1-630-010 1A JACK,3.5 HSJ1493-05
J102 87-A60-319-010 0E JACK,DC DIA 2.75
J103 84-TM1-630-010 1A JACK,3.5 HSJ1493-05
SW101 87-A90-305-010 -- SW,SL 2-2-2 (NC)
SW102 87-031-816-010 1A SLIDE SWITCH
SW181 87-031-816-010 1A SLIDE SWITCH
TH201 87-A90-855-080 0E C-THMS,SC20-3K102K
TH202 87-A90-307-080 -- C-THMS,K39G220
VR101 87-A90-314-010 -- VR,RTRY 10K H
VR201 87-A90-308-010 -- VR,RTRY 3KB XV81
VR202 87-A90-527-010 0E SFR,5K H VZ066L3
LED C.B
C304 87-016-462-080 0E C-CAP,S 1-16 F
LED301 87-017-828-070 0E C-LED,SEL 1401C GRN
LED302 87-017-829-070 0E C-LED,SEC 1901C ORN
LED304 87-017-827-070 0E C-LED,SEC 1201C RED
LED305 87-017-827-070 0E C-LED,SEC 1201C RED