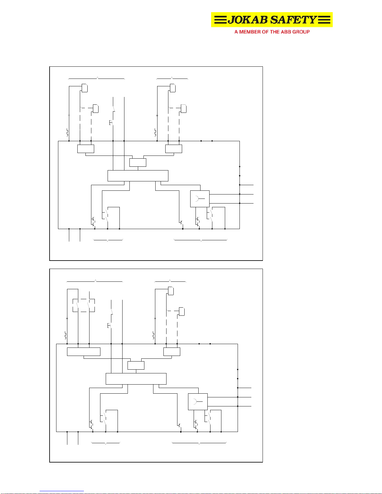
ABB Jocab Safety Vital 2 Manuel utilisateur
Autres manuels ABB Contrôleurs

ABB
ABB ACS 600 MultiDrive Manuel utilisateur

ABB
ABB RMC-100 Guide de l'utilisateur

ABB
ABB 07CR41 Manuel utilisateur

ABB
ABB LP Manuel utilisateur

ABB
ABB MS116 Manuel utilisateur

ABB
ABB ACH550 series Manuel utilisateur

ABB
ABB ACS550-01 Manuel utilisateur

ABB
ABB M2301 Manuel utilisateur

ABB
ABB ACH 500 Series Manuel du propriétaire

ABB
ABB 650 series Manuel d'installation et d'exploitation

ABB
ABB i-bus SA/S 12.16.6.1 Manuel utilisateur

ABB
ABB ACS310 Manuel d'installation et d'exploitation

ABB
ABB SA-M 16.2.2 Series Manuel utilisateur

ABB
ABB PSTX 30***105 Manuel utilisateur

ABB
ABB +N5600 Manuel d'utilisation et d'entretien

ABB
ABB ACS 800 Series Manuel utilisateur

ABB
ABB COMMANDER C355 Manuel utilisateur

ABB
ABB LME620-AI Manuel utilisateur

ABB
ABB C1900RC Manuel utilisateur

ABB
ABB TZIDC Manuel utilisateur































