Integrated Access Controller – Installation manual
10 AAT SYSTEMY BEZPIECZEŃSTWA Sp. z o.o.
All rights reserved.
5. Programming controller in standalone mode
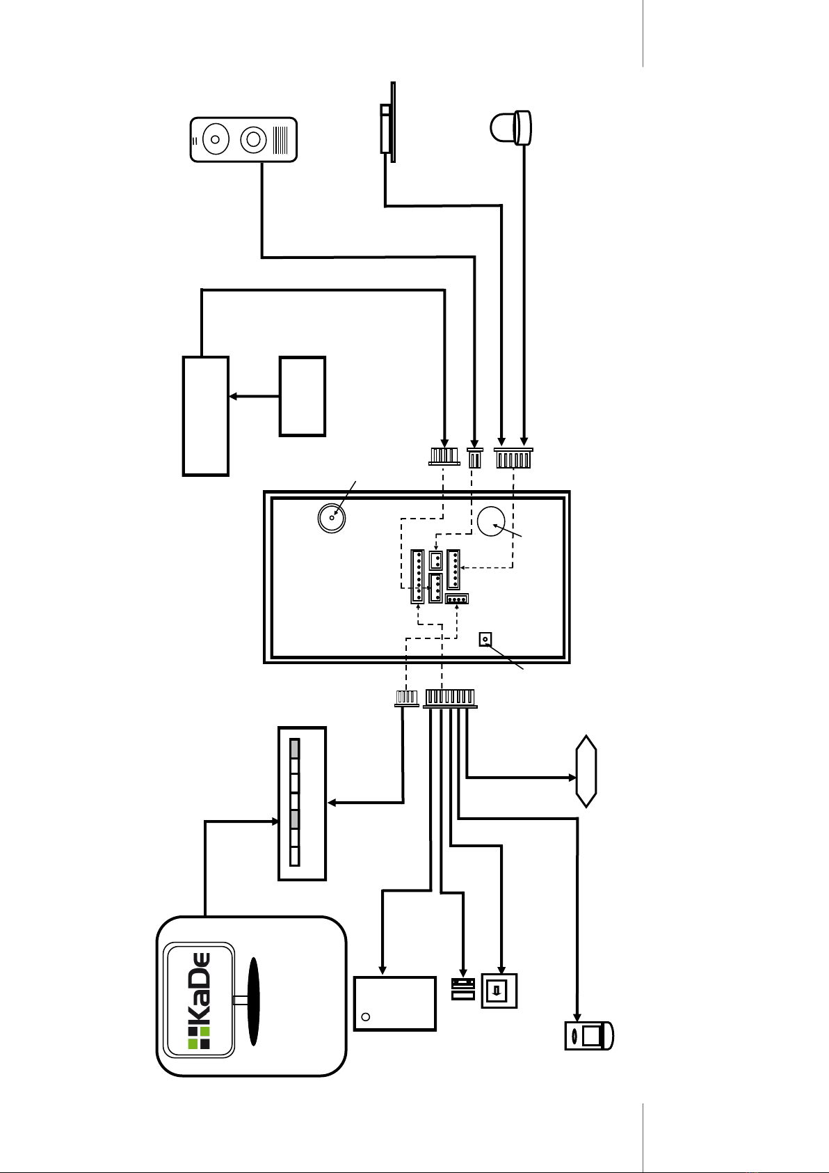
Controller KDH-KZ2000-IP-U_M can be operated in stand-alone mode or
network under the supervisory software KaDe Premium Plus II installed on your
computer.
Working in stand-alone mode (without communication with the supervisor soft-
ware on the PC) must be programmed using the controller's built-in keypad.
There is no in this mode the possibility to monitor the system "on-line" and gen-
erate reports. Cards added in this mode works without any time limit. This mode
is recommended for the control a few doors with a small number of users.
It is also possible operation of the controller in the "off-line" after being pro-
grammed by supervisory software with controller connecting using TCP port.
Programming procedure using the keyboard controller
Signalling functions:
• audible alarm (buzzer)
• Single long sound - the operation succeeded or enter the menu
• Triple sound - the operation was not successful
• Quad sound - at the selected position is already stored card
• Triple sound - card with this number is already added
• Optical indicator (LED)
• Red LED - Power on
• Blue LED - confirmation of the validity of the operation
• Green LED / steady light - programming mode
5. 1 The procedure for entry into the programming mode:
• Press *
• Enter the master code (default "000000")
• Green LED should light up permanently
If no password is entered correctly within 20 seconds after pressing * it auto-
matically returns to normal. Even after entering the programming mode, no key-
pad operation for 20 seconds to exit the programming mode. After entering the
programming mode, you can make only one type of operation. To perform the
next operation re-enter the programming mode.
Notes: Default admin code 000000 must be change after first enter into pro-
gramming mode for own using 41 command code. Leave default code allows un-
authorized persons enter into programming mode and add own card. Reset ad-
min password is available from KaDe Premium Plus II software - > Controller
setup -> Context menu/Initialize. New password should be download to the con-
troller.
Procedure exited from programming mode:
(After programming)
• Press # - a single sound, red LED light.