
MODGAS-XWR-1 Technical Guide
OVERVIEW
3
General Information
Features
The MODGAS-XWR Controller provides the following:
• Can control two (2) Gas Valves using input from
Proof of Ignition Modules
• A second MODGAS-XWR Controller can be added as a
slave to allow control of 4 modulating gas valves.
• Monitors Supply Air Temperature and Supply Air Reset
and modulates gas valves to maintain Setpoint
• Provides active relays to control the Fan, Fan Speed, and
Heat Stages
• Controls up to 4 stages of Heat with one Controller
• Contains a 2 x 8 LCD character display and 4 buttons
that allow for status display, setpoint changes, and
confi guration changes
NOTE: The MODGAS-XWR Controller contains no user-
serviceable parts. Contact qualifi ed technical personnel
if your MODGAS-XWR Controller is not operating
correctly.
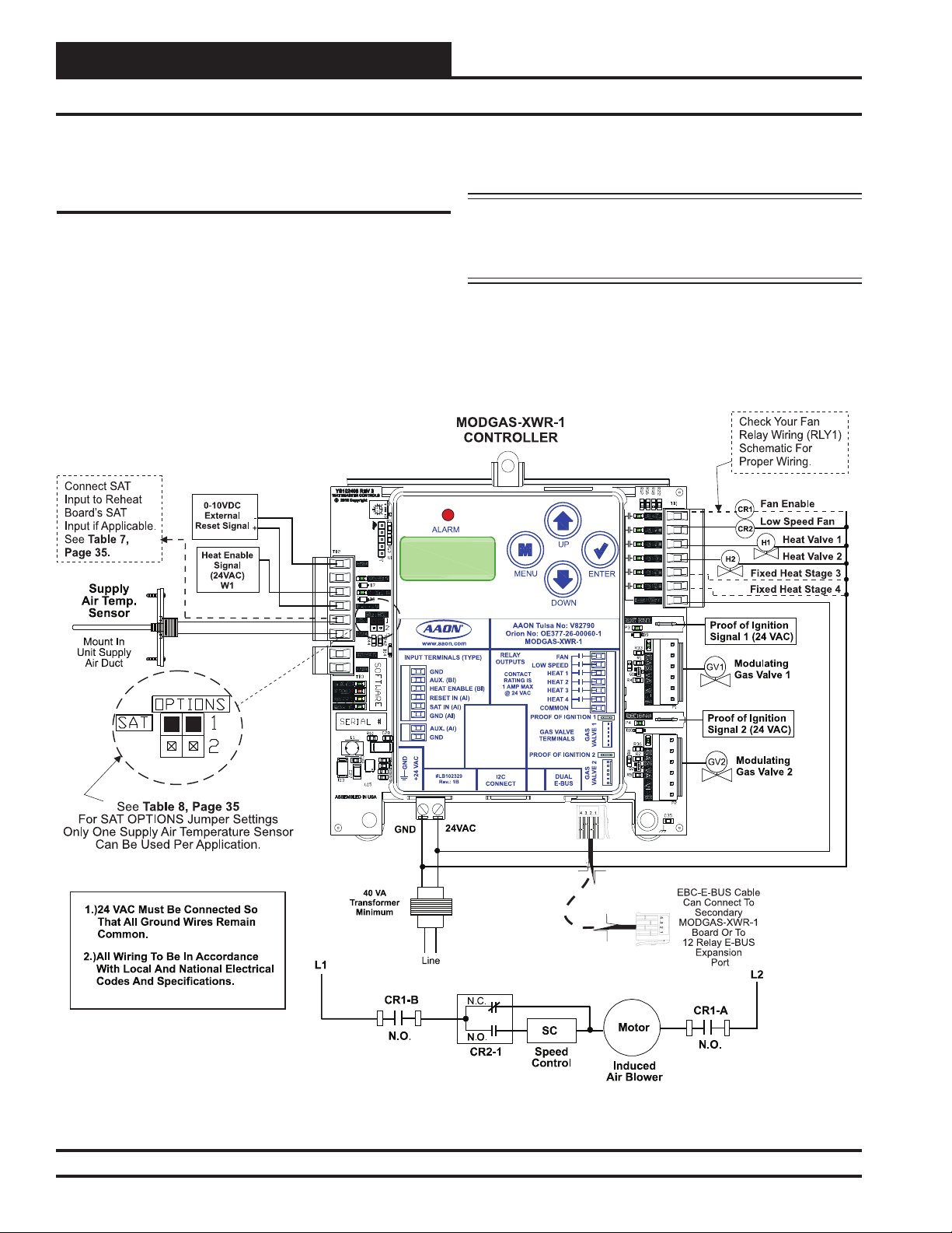
Overview
The OE377-26-00060-1 MODGAS-XWR Controller (AAON Part No.
V82790) is designed to be used with White-Rogers® valves only. It will
modulate up to two (2) White-Rogers® gas valves to maintain a desired
Discharge (Supply) Air Temperature (up to four (4) modulating gas
valves may be controlled when a second MODGAS-XWR Controller
confi gured as a slave module). The MODGAS-XWR Controller also
controls the speed of the induced draft fan to maintain proper combus-
tion in the heat exchanger. See Figure 1, page 4.
The controller can be used as a stand-alone unit or be connected to a
12 Relay E-BUS Expansion Module (stand-alone only) or VCM-X E-
BUS (I2C) Controller, VCB-X Controller, or VCCX2 Controller using
a modular cable.
The MODGAS-XWR Controller can be confi gured for: one (1) modulat-
ing valve with one ignitor as one stage, two (2) modulating valves with
one ignitor as one stage, two (2) modulating valves with two ignitors as
one stage, and two (2) modulating valves, with two ignitors as two stages.
Two MODGAS-XWR Controllers (Primary/Secondary) may be con-
fi gured to control four (4) modulating valves as one stage - two valves
with one ignitor on each board. In addition, two Controllers may be
confi gured to control four (4) modulating valves with two ignitors on
each board. The fi rst valve on each board is stage one and the second
valve on each board is stage two. NOTE: Primary/Secondary confi gu-
ration is not supported using I2C communications (VCM-X E-BUS).
The MODGAS-XWR Controller can also control or eff ect control of ad-
ditional fi xed valves for additional stages of heat by using the additional
Heat Relays on the board itself. When the MODGAS-XWR is attached
to one of the listed Unit Controllers, these additional stages are aff ected
through the Unit Controller. In stand-alone mode, these additional fi xed
heat stages can be increased by attaching a 12 Relay E-BUS Expansion
Module. And in communicating mode, additional fi xed heat stages can
be increased by attaching a 12 Relay E-BUS Expansion Module to the
Unit Controller.