THERMOSALD ISC – MANUAL QUICK START Rev. 2010 / 03
Manual cod.: 3ES080x_V5.1_QS_EN Page Nr. 4 Tot. Nr . 20
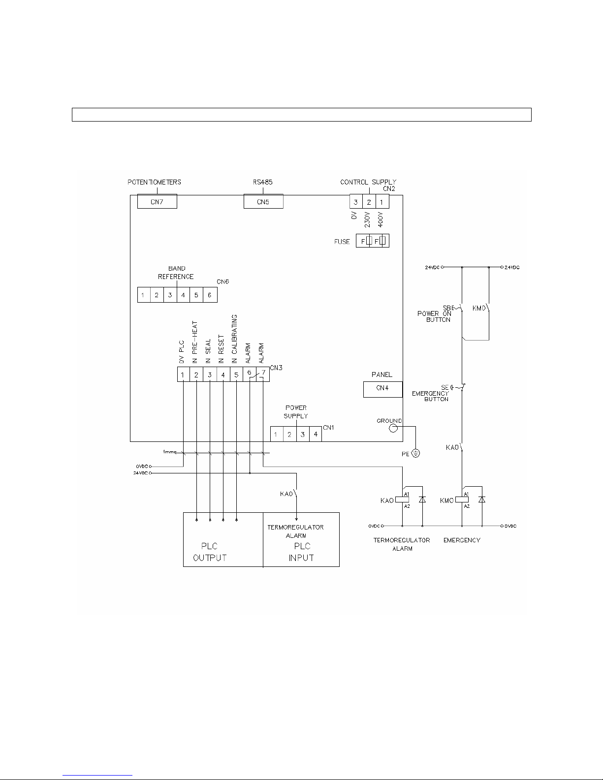
Includes all previous models
CN4 DISPLAY PANEL CONNECTOR (15 PIN FEMALE)
PIN1 +5Vcc Screened (0,25mmq)
PIN2 0 V Screened (0,25mmq)
PIN3 SPI-SDO Screened (0,25mmq)
PIN4 SPI-SCK Screened (0,25mmq)
PIN5 SPI-SDI Screened (0,25mmq)
PIN6
PIN7
PIN8
PIN9 SPI-SS Screened (0,25mmq)
PIN10 RESERVED Screened (0,25mmq)
PIN11 RESERVED Screened (0,25mmq)
PIN12 RESERVED Screened (0,25mmq)
PIN13 RESERVED Screened (0,25mmq)
PIN14
PIN15
NOTE 1: The cable termoregulator-panel must be screened, pin to pin connected - Max Mt 15.
CN5 RS 485 SERIAL INTERFACE CONNECTOR (9 PIN FEMALE)
PIN3 Channel B+ Screened (0,25mmq)
PIN8 Channel A- Screened (0,25mmq)
NOTE 1: Twist the cables
CN6 REFERENCE TERMINAL BLOCK
PIN1 SEALING BAND REFERENCE REF- (0,5mmq)
PIN2 SEALING BAND REFERENCE REF+ (0,5mmq)
PIN3 SCREEN REFERENCE CABLE REF 0 (Don't connect on machine side) (1mmq)
PIN4 REFERENCE TA- (0,5mmq)
PIN5 REFERENCE TA+ (0,5mmq)
PIN6 SCREEN TA CABLE TA0 (Don't connect on machine side) (1mmq)
NOTE 1: Twist cables or better use cable TWINAX IBM (Ns. cod. 3esd0066)
CN7 POTENTIOMETER CONNECTOR (9 PIN MALE)
PIN1 PRE-HEAT POTENTIOMETER +4,58V Screened (0,25mmq)
PIN2 PRE-HEAT POTENTIOMETER RIF+ Screened (0,25mmq)
PIN3 PRE-HEAT POTENTIOMETER 0V Screened (0,25mmq)
PIN4 Connect PIN3 to PIN4 Screened (0,25mmq)
PIN5
PIN6 SEAL POTENTIOMETER +4,58V Screened (0,25mmq)
PIN7 SEAL POTENTIOMETER RIF+ Screened (0,25mmq)
PIN8 SEAL POTENTIOMETER 0V Screened (0,25mmq)
PIN9 Connect PIN 8 to PIN9 Screened (0,25mmq)
NOTE 1: If conneted to PLC analog output use PIN2,PIN3,PIN7,PIN8 and leave free PIN4-PIN9
NOTE 2: Twist cables or better use cable TWINAX IBM (Ns. cod. 3esd0066)